| 提交询价信息 |
| 发布紧急求购 |
价格:电议
所在地:上海
型号:
更新时间:2015-03-11
浏览次数:1836
公司地址:上海市闵行区元江路5500号
![]()
杨挺(先生) 经理
上海传流阀门有限公司成立于世界闻名的大城市━上海,地理位置优越,陆、海、空交通便利,是一家专业代理及经销进口阀门的企业。公司拥有一支非常稳定的专业技术队伍,具备丰富的销经验售和完善技术支持,周到的售后服务体系,时刻把满足客户放在首位,以“服务与价格并重”的服务理念,使得传流公司长期稳定发展。
USA FRANK VALVE LIMITED美国富兰克阀门公司作为美洲大型的阀门制造厂之一,在这一领域中,我们居于全球的领先地位。直属拥有3家专业的阀门研究单位,全球拥有12家分公司,在阀类流体理论和基础部件加工方面具有一定的权威性。此外,许多国家的大量分销商也在销售着富兰克的产品。美国富兰克阀门公司秉承一流美洲的工程技术传统,研发、制造调节阀产品,提供多项优质服务于能源领域,同时更致力于通过技术创新和高品质追求以及灵活服务的组合,为广大用户提供更安全稳定的高新产品。作为在阀门行业高性价比的代名词,美国富兰克为客户提供从单一产品到复杂系统的阀门全面解决方案。C系列直行程调节阀,V系列自力式调节阀是当今世界应用最广泛的调节阀,可以在任何流体需要控制的工业里发现它。被应用于全球众多建筑、商业、机械设备、工业和市政供水领域。
富兰克的价值理念概括为:责任-远见-创新。我们因自身的责任感、远见及专注于创造前所未有的解决方案和理念,而成为全球领先的阀门制造商。早在2003年富兰克已进入中国,中国上海设立了办事处,也就是现今的富兰克亚太区总部,2006年在香港建立了独资工厂。富兰克始终认为中国的发展对于全球的发展具有着重要意义,同时也热切期望融入其中,为中国发展做出努力和贡献。
目前在中国市场已拥有一批稳定的用户,如中石油、中石化、中航、中船、华能集团、蒙牛乳业、雅士利乳业、旺旺集团、武钢、攀钢、吴忠仪表股份、杭州汽轮机股份、山西压缩天然气集团公司、上海宝钢集团、国华准格尔发电厂、海拉尔发电厂、广州丰田汽车、上海华东理工大学、上海上仪集团、上海人民电器开关厂、浙江大学、宁波象山电站湖南湘潭电厂、深圳制药厂、大庆炼化、辽河油田、恒安纸业、深圳水务集团、香港中华电力公司等等。
进口水下专用电磁阀系列
进口水下专用电磁阀产品原理:
水下专用电磁阀是自动控制系统中常见的开关元件、为音乐喷泉的核心控制设备,特别适用于跑泉、跳泉的水路
控制。该阀是利用介质压力差工作的直动式电磁阀门,它采用膜片结构,具有启闭迅速、性能稳定、使用方便、
可靠性高、寿命长等特点;该阀抗污能力极强,可在江、河、湖、海及各种人工水域中长期使用,其高超的性能
处于国际水平。
进口水下专用电磁阀性能规范:
| 1 | 环境温度 | -10~50℃ | |
| 2 | 工作压力 | 0~0.6MPa | |
| 3 | 适用介质 | 水 | |
| 4 | 介质温度 | 0℃~60℃ | |
| 5 | 阀体材质 | 铜/不锈钢/铸铁/塑料 | |
| 6 |
电源 |
φ25以下65以上 | AC220 28VA、DC24V 33W |
| φ32/40/50 | AC220 35VA、DC24V 40W | ||
| 7 | 绝缘等级 | B级 | |
| 8 | 电源允许波动 | -10%~+10% | |
| 9 | 使用寿命 | 100万次 | |
| 10 | 开闭速度 | 0、2秒 | |
| 11 | 安装方式 | 介质流向与阀上箭头保持一致 | |
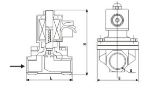
内螺纹结构尺寸图


结构规格参数:
| 长 | 高 | 连接尺寸 | 材质 |
| 69 | 117 | G1/2" | 铜 |
| 73 | 123.5 | G3/4" | |
| 99 | 134.5 | G1" | |
| 112 | 172 | G11/4" | |
| 123 | 172 | G11/2" | |
| 168 | 209 | G2" | |
| 69 | 117 | G1/2" | 不锈钢 |
| 73 | 123.5 | G3/4" | |
| 99 | 134.5 | G1" | |
| 112 | 172 | G11/4" | |
| 123 | 172 | G11/2" | |
| 168 | 209 | G2" | |
| 69 | 117 | G1/2" | 塑料 |
| 73 | 123.5 | G3/4" | |
| 99 | 134.5 | G1" |
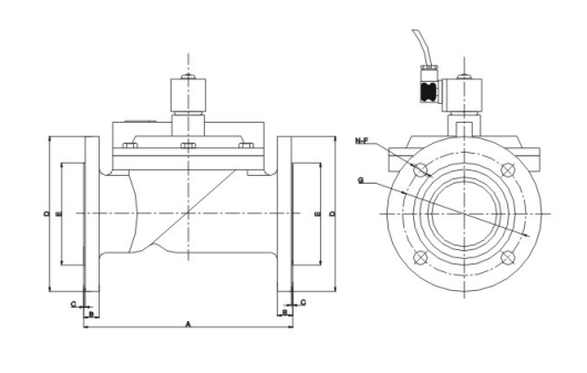
法兰结构尺寸图

结构规格参数:
| A | B | C | D | E | F | N | 材质 |
| 20 | 2 | 185 | 118 | 18 | 145 | 4 | 铸铁 |
| 20 | 2 | 200 | 132 | 18 | 160 | 4 | |
| 20 | 3 | 220 | 160 | 18 | 180 | 8 | |
| 24 | 3 | 285 | 212 | 22 | 240 | 8 |
免责声明:以上所展示的[ 进口水下专用电磁阀]信息由会员[上海传流阀门有限公司]自行提供,内容的真实性、准确性和合法性由发布会员负责。