提交询价信息
发布紧急求购
您好,欢迎来到给览网!手机版|本站服务|添加收藏|帮助中心
您所在的位置: 给览网 » 供应 » 传感器 » 液位传感器 » TC-FIII2 液位计

TC-FIII2 液位计

江苏天辰仪表有限公司
会员指数: 企业认证:         

价格:电议

所在地:江苏 淮安市

型号:TC-FIII2

更新时间:2012-02-01

浏览次数:1872

公司地址:江苏省金湖县环城西路279号

刘浩(先生) 经理 

产品简介

PN-FIII2锅炉磁力水位仪市场应用非常的广泛,受到很多好评,无论石油部门、冶金部门还是化工部门,TC-FIII2锅炉磁力水位仪都是客户非常

公司简介

公司座落在美丽富饶的高邮湖畔,有天下第一荷花美称的鱼米之乡——金湖境内,交通方便,东临京沪高速、西靠宁连高速、盐金线贯穿境内。成立于2004年,是一家集科研、生产、成套工程为一体的高新技术企业。企业拥有雄厚的技术力量、先进的生产设备,科学合理的生产工艺,健全的质保体系,为产品的高标准提供了有力的保障。生产的标准校验装置、电磁流量计、涡街流量计、孔板流量计、金属转子流量计、精密数字压力计、物位计、压力表、隔膜压力表、不锈钢压力表、热电阻、热电偶、双金属温度计、压力变送器、差压变送器、静高压变送器、无纸记录仪、电接点压力表、一体化温度变送器、导纳科位仪、智能压力效验仪、电线电缆等产品在石化、电力、冶金以及国防等行业的自动化控制中得到了广泛的应用。代理的罗斯蒙特、横河EJA等我厂产品也为国内各行业提供了大量技术先进、可靠实用的测量控制仪表,深受用户欢迎。我们本着质量第一,服务第一,诚信第一的宗旨,愿与客户携手,以全新的营销策略,走向更广阔的市场。公司成立以来凭借良好的信誉及优质的服务已经与各地区的生产厂商建立了长期稳定的商业贸易伙伴关系。

展开

产品说明

PN-FIII2锅炉磁力水位仪市场应用非常的广泛,受到很多好评,无论石油部门、冶金部门还是化工部门,TC-FIII2锅炉磁力水位仪都是客户非常理想的产品。

适用于低温到高温,真空到高压等各种环境,是石油、化工等工业部门的理想液位测量产品。根据在容器中安装位置的不同,提供侧装和顶装两种形式。根据工作介质不同,提供不锈钢和ABS、PP-R工程塑料三种材质,其中ABS、PP-R材质适用于酸、碱等腐蚀性介质。

特点

 

1、以浮子为测量元件,磁钢驱动翻柱显示,无需能源。
2、配上下限开关输出,可实现远距报警,限位控制。
3、配变送器可实现液位远距报指示,检测与控制。

结构及工作原理

 

1、基本型
根据浮力原理,浮子在测量管内随液位的升降而上、下移动,浮子内的磁钢通过耦合作用,驱动红、白色翻柱翻转180°,液位上升时翻柱由白色转为红色,下降时由红色转为白色,从而实现液位指示。
2、电远传
在浮子液位计上安装变送器,通过浮子上下移动,经磁耦合作用使导杆内测量元件依次动作,获得电阻信号变化,转换成0~10mA或4~20mA的标准信号输出,与显示仪表或计算机连接,达到远传目的。
3、上下限开关输出
在液位计立管上由用户设定上、下限位置安装控制器,控制器内带有自保持作用的舌簧开关,利用磁性浮子随液位移动使簧片开关动作时,实现报警或限位控制。

系统构成及接线
1、上下限开关输出
由具有自保持作用的舌簧开关和转换器组成,舌簧开关和转换器分别安装于现场和控制室,由转换器提供三对触点开关。
2、电远传
由测量单元和变送单元两部分组成。
3、本安防爆
a 带本安防爆,上、下限开关输出型
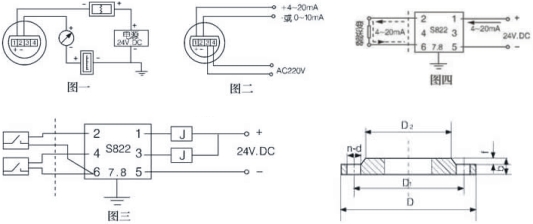
防爆开关由舌簧开关和带继电器触点的安全栅组成,可向用户直接提供一对常开或常闭触点。如用户需更多触点可特殊设计订货。(图三)
b 带本安防爆远传型
适合使用于∏类电气设备(工厂用)、C级气体,zui高表面温度组别T4(135℃)。(图四)
c 使用注意事项
①变送器外壳设有外接地,用户使用时必须可靠接地。
②安全栅的使用应遵守有关使用说明内容。
③变送器与安全栅本安端的连接电缆为二芯屏蔽电缆,芯线截面积>0.5m,电缆允许分布电容为0.8μF
用户自备法兰
安装形式 主体材质 公称直径 公称压力 D D1 D2 n d f b
侧装 不锈钢 20 4.0 105 75 56 4 14 2 16
ABS 20 10 105 75 56 4 14 2 16
顶装 不锈钢 200 2.5 360 310 274 12 26 3 32
ABS 200 0.6 320 280 274 8 8 3 32
主要技术指标
安装形式内容 侧装式 顶装式
安装间距
(测量范围)
不锈钢 500~5000(mm) 500-2500(mm)
ABS、PP-R 500~4000(mm)
工作压力 0.6,1.6,2.5,4.0MPa 0.6,1.6,2.5MPa
介质密度 >0。6g/c >0.76g/c
法兰连接 不锈钢 法兰20-40(DN20 PN1.0-4.0)
(GB9119-88)
 
法兰200-25(DN200 PN1.6)
(GB9119-88)
ABS 法兰20-10(DN20 PN1.0)
(GB9119-88)
 
法兰200-6(DN200 PN0.6)
(GB9119-88)
主体材料 ICr18Ni9Ti、ABS、PP-R(工作压力0.6MPa)
介质温度 -40~100℃(ABS、PP-R:-40~80℃)
环境温度 -40~+70℃
示值误差 ±100mm
介质粘度 ≤1st(10-4/s)
上、下限
开关输出
1、控制灵敏度:10mm
2、输出接点容量:AC220V 2A
3、接点寿命:5×104次
4、防爆特征:iaIICT4本质安全型
电远传、
连续显示
1、精度:±1.5%
2、输出负载:750Ω
3、输出信号:0~10mA输出,220V AC电源
4~20mA输出,24V DC二线制
4、防爆特征:iaIICT4本质安全型
型号说明
TC-FO系列翻柱式磁浮子液位计
  1 侧装式
2 顶装式
安装方式
  1 1Cr18Ni9Ti
2 ABS
3 PP-R
主体材质
  1 0.6MPa
2 1.6MPa
3 2.5MPa
4 4.0Mpa
公称压力
  1 基本型
2 带上下限开关输出
3 带电远传(0~10mA输出,220V,AC)
4 带电远传(4~20mA输出,24V,DC)
5 带本安防爆型(4~20mA,24V,DC)
6 带本安防爆型上下限开关输出
类型
  L 安装间距(测量范围)  
  L1 安装深度(顶装式(0~4000mm任选)  
  介质密度ρ(g/c  
   
TC-F0- 2 2 1 1 L=2500mm L1=3000mm ρ=0.8g/c 举例


本页产品地址:http://www.geilan.com/sell/show-144999.html
免责声明:以上所展示的[TC-FIII2 液位计]信息由会员[江苏天辰仪表有限公司]自行提供,内容的真实性、准确性和合法性由发布会员负责。
[给览网]对此不承担任何责任。
友情提醒:为规避购买风险,建议您在购买相关产品前务必确认供应商资质及产品质量!

发布询价单

厂商其他产品

您最近浏览过的产品

没有合适的产品?是否在线询价?
询价标题
联系人
电话
主要内容
验证码