提交询价信息
发布紧急求购
您好,欢迎来到给览网!手机版|本站服务|添加收藏|帮助中心
您所在的位置: 给览网 » 供应 » 行业专用仪器 » 防爆电器 » LW8转换开关

LW8转换开关

上海兰源电器有限公司
会员指数: 企业认证:

价格:电议

所在地:上海

型号:

更新时间:2024-09-20

浏览次数:2554

公司地址:上海市浦东新区下南路115弄7-803#

郭廷钰(女士) 业务员 

产品简介

用途 LW8转换开关适用于电路中转换电气控制线路和电气测量仪表,也可直接控制电动机。产品型号及其含义主令控制用转换开关

公司简介

上海兰源电器有限公司注册于南桥镇西渡经济园区,是一家集开发、制造、销售为一体的股份制企业。公司拥有雄厚的技术力量和丰富的生产经验。

我公司主要生产经营:LW2万能转换开关,LW4万能转换开关,LW5万能转换开关,LW6万能转换开关,LW8万能转换开关,LW12万能转换开关,LW15万能转换开关,LW28万能转换开关,LW21万能转换开关, 按钮、指示灯、继电器、开关电源等低压产品,是低压控制部件制造商。产品广泛服务于中国的电力、机械、钢铁、冶金、石化、交通、水处理、港口、建筑等几十个行业领域,产品畅销全国各地。

上海兰源电器有限公司经营理念:坚持提供最好的产品、最佳的服务、信守对客户的承诺。客户的大力支持、业内的口碑,均是驱使“兰源电器”公司不断努力向前迈进的原动力。

我公司以坚实的信誉,可靠的质量,为顾客提供优质的产品,完善的售后服务。我公司还将继续和广大的新老客户携手共创辉煌。


展开

产品说明

用途
 LW8转换开关适用于电路中转换电气控制线路和电气测量仪表,也可直接控制电动机。

产品型号及其含义
主令控制用转换开关的型号及其含义


  特殊代号:TH表示湿热产品
面板形状:方形不表示,Y表示圆形
直接控制电动机用转换开关的型号及其含义

  用途代号:Q-直接起动,N-可逆转换
S-双速电动机变速

主要技术参数

 型号规格
LW8D-10
LW8D-20
约定发热电流lth
A
10
20
额定工作电压Ue
V
240
250
380
240
250
380
额定工作电流le
             
  AC-15
A
1.60
 
0.95
4.60
 
2.60
  AC-3
A
   
5.00
   
12
  DC-13
A
 
0.14
   
0.27
 

机械寿命和电寿命
机械寿命:0.3×106次,操作频率为120 次/小时。
电寿命:AC-15时为0.1×106次,操作频率为300 次/小时。
DC-13时为 0.1×106次,操作频率为300次/小时。

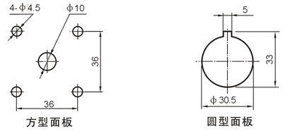
外形尺寸和安装尺寸

方型面板外形尺寸


圆型面板外形尺寸
 
 
型号规格
L(mm)
方型面板
圆型面板
LW8D-10
22+10n
13+10n
LW8D-20
22+13n
35+13n

 
安装尺寸
  

本页产品地址:http://www.geilan.com/sell/show-1438312.html
免责声明:以上所展示的[ LW8转换开关]信息由会员[上海兰源电器有限公司]自行提供,内容的真实性、准确性和合法性由发布会员负责。
[给览网]对此不承担任何责任。
友情提醒:为规避购买风险,建议您在购买相关产品前务必确认供应商资质及产品质量!

发布询价单

没有合适的产品?是否在线询价?
询价标题
联系人
电话
主要内容
验证码