| 提交询价信息 |
| 发布紧急求购 |
价格:电议
所在地:上海
型号:SKA
更新时间:2019-11-19
浏览次数:2264
公司地址:上海市奉贤区四团镇
![]()
小胡(女士)
一、SKA水环真空泵工作原理:

如图(1)所示叶轮3偏心地安装在泵体之内,起动时向泵内注入一定高度的水,因此当叶轮3旋转时,水受离心力的作用而在泵体内壁形成一旋转水环1,水环下部内表面与轮毂相切,沿箭头方向旋转,在前半转过程中,水环内表面逐渐与轮毂脱离,因此在叶轮叶片间与水环形成封闭空间,随着叶轮的旋转,该空间逐渐扩大,空间气体压力降低,气体自圆盘吸气口被吸入;在后半转过程中,水环内表面逐渐与轮毂靠近,叶片间的空间逐渐缩小,空间气体压力升高,高于排气口压力时,叶片间的气体自圆盘排气口被排出。如此叶轮每转动一周,叶片间的空间吸排气一次,许多空间不停地工作,泵就连续不断地抽吸或压送气体。
由于在工作过程中,做功产生热量,会使工作水环发热,同时一部分水和气体一起被排周,因此,在工作过程中,必须不断地给泵供水,以冷却和补充泵内消耗的水,满足泵的工作要求。
当泵排出的气体不再利用时,在泵排气口上接有气水分离器,废气和所带的部分水排入气水分离器后,气水分离,气体由排气管排出,留下的水经回水管供至泵内继续使用。随着工作时间的延长,工作水温度会不断地升高,这时需从供水管供给冷水,以降低工作水的温度,保证泵能达到所要求的技术要求和性能指标。
二、SKA水环真空泵用途及使用范围:
SKA真空泵适于抽除气体和水蒸汽,吸气压力达到33mbar绝压(97%真空度),当真空泵在吸气压力低于80mbar的状态下长期工作时,应联接气蚀保护管以对泵进行保护,如配大气喷射器,吸气压力可达10mbar,喷射器可直接安装在真空泵上,作为压缩机用时,其压力zui大至0.26MPa(绝压)。水环真空泵及压缩机被广泛用于石油化工、制药、食品、制糖工业等领域,由于在工作过程中,气体的压缩过程是等温的,所以在压缩和抽吸易燃易爆气体时,不易发生危险,其应用更加广泛。
三、SKA水环真空泵性能参数;
| 产品型号 | 极限压力 | zui大气量 | 功率 | 转速 | 水耗量 | 噪声 | 重量 |
| mbar(Pa) | m3/min | kW | rpm | L/min | dB(A) | kg | |
| SKA-2060 | 33(3300) | 0.45 | 1.1 | 2880 | ~2 | 62 | 20 |
| SKA-2061 | 33(3300) | 0.87 | 1.5 | 2880 | ~2 | 65 | 22 |
| SKA-2070 | 33(3300) | 1.33 | 2.35 | 2880 | ~2.5 | 66 | 31 |
| SKA-2071 | 33(3300) | 1.83 | 3.85 | 2880 | ~4.2 | 72 | 42 |
| SKA-5110 | 33(3300) | 2.75 | 4 | 1450 | ~7 | 63 | 78 |
| SKA-5111 | 33(3300) | 3.83 | 5.5 | 1450 | ~8.5 | 68 | 100 |
| SKA-5121 | 33(3300) | 4.68 | 7.5 | 1450 | ~10 | 69 | 145 |
| 5SKA-131 | 33(3300) | 6.68 | 11 | 1450 | ~15 | 73 | 165 |
| SKA-5161 | 33(3300) | 8.3 | 15 | 970 | ~20 | 74 | 252 |
注:1、表中所列数据在下列条件下测出:
①大气压力101325Pa(1013mbar)
②进水温度15℃
③吸入空气温度20℃
④空气相对湿度70%
2、性能允许偏差:±10%
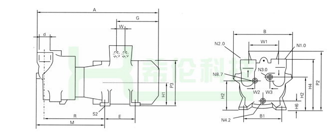
四、SKA水环真空泵连接尺寸:

| 型号 | A | B | B1 | H1 | H2 | H3 | H4 | H6 | E | P2 | P3 |
| SKA-2060 | 455 | 186 | 140 | 90 | 118 | 126 | 195 | 37.5 | 100 | 250 | 180 |
| SKA-2061 | 476 | 186 | 140 | 90 | 118 | 195 | 195 | 37.5 | 100 | 250 | 180 |
| SKA-2070 | 545 | 223 | 160 | 222 | 100 | 128 | 222 | 33 | 140 | 270 | 203 |
| SKA-2071 | 566 | 223 | 234 | 140 | 112 | 140 | 234 | 45 | 190 | 300 | 225 |
| 型号 | R | M | S2 | W1 | W2 | W3 | d | N3.0 | N4.2 | N8.7 | |
| SKA-2060 | 217 | 244 | Φ10 | 110 | 26 | 21 | G1″ | G3/8″ | G1/4″ | G3/8″ | |
| SKA-2061 | 236 | 263 | Φ10 | 110 | 26 | 21 | G1″ | G3/8″ | G1/4″ | G3/8″ | |
| SKA-2070 | 252 | 280 | Φ12 | 110 | 33 | 27 | G11/2″ | G3/8″ | G1/4″ | G3/8″ | |
| SKA-2071 | 278 | 309 | Φ12 | 110 | 33 | 37 | G11/2″ | G3/8″ | G1/4″ | G3/8″ |

| 型号 | A | B | B1 | B2 | C1 | C2 | H1 | H2 | H3 | H4 | H5 | H6 | H7 | F | K | K | L | N | T |
| SKA-5110 | 637 | 325 | 255 | 190 | 41 | 26 | 140 | 156 | 202 | 361 | 328 | 38 | 57 | 464 | 320 | 320 | 130 | 92 | 340 |
| SKA-5111 | 672 | 325 | 265 | 290 | 38 | 26 | 150 | 166 | 212 | 371 | 363 | 48 | 68 | 500 | 325 | 325 | 130 | 92 | 340 |
| SKA-5121 | 771 | 347 | 265 | 290 | 36 | 26 | 150 | 167 | 217 | 385 | 363 | 39 | 60 | 584 | 410 | 410 | 147 | 97 | 382 |
| SKA-5131 | 840 | 377 | 300 | 335 | 35 | 30 | 175 | 194 | 249 | 427 | 435 | 53 | 76 | 659 | 440 | 440 | 147 | 103 | 382 |
| SKA-5161 | 1044 | 479 | 370 | 389 | 52 | 30 | 210 | 225 | 303 | 521 | 485 | 51 | 80 | 808 | 570 | 570 | 201 | 138 | 450 |
| 型号 | S1 | S2 | d1 | d2 | d3 | d4 | d5 | W1 | W2 | W3 | d(N1.0, N2.0)″ |
N3.0 | N4.2 | N8.7 |
| 5110 | Φ12 | Φ12 | 19 | 160 | 123 | 97 | 52 | 180 | 52 | 27 | DN50/2″ | G3/4″ (丝长24) |
G3/8″ (丝长25) |
G3/8″ (丝长11) |
| 5111 | Φ12 | Φ12 | 19 | 160 | 123 | 97 | 52 | 180 | 52 | 27 | DN50/2″ | G3/4″ (丝长24) |
G3/8″ (丝长25) |
G3/8″ (丝长11) |
| 5121 | Φ12 | Φ12 | 19 | 182 | 142 | 113 | 67 | 200 | 57 | 29 | DN65/ 21/2″ |
G3/4″ (丝长25) |
G3/8″ (丝长25) |
G3/8″ (丝长11) |
| 5131 | Φ12 | Φ12 | 19 | 182 | 142 | 113 | 67 | 200 | 63 | 32 | DN65/ 21/2″ |
G3/4″ (丝长26) |
G3/8″ (丝长25) |
G3/8″ (丝长11) |
| 5161 | Φ15 | Φ15 | 22 | 200 | 156 | 130 | 80 | 250 | 81 | 41 | DN80/3″ | G3/4″ (丝长27) |
G3/8″ (丝长25) |
G3/8″ (丝长11) |
| 故障现象 | 可能原因 | 排除方法 |
| 电机不起动;无声音 | 两根电源线断裂 | 检查接线 |
| 电机不 起动;有 嗡嗡声 |
一根接线 断,电机 转子堵转 |
必要时排 空清泵,修正叶轮 间隙 |
| 叶轮故障 | 换叶轮 | |
| 电机轴承 故障 |
换轴承 | |
| 电机开动时,电流断路器跳闸 | 绕组短路 | 检查电机绕组 |
| 电机过载 | 降低工作液流量 | |
| 排气压力过高 | 降低排气压力 | |
| 工作液过多 | 减少工作液 | |
| 消耗功率过高 | 产生沉淀 | 清洁、除掉沉淀 |
| 泵不产生真空 | 无工作液 | 检查工作液 |
| 系统泄漏严重 | 修复泄漏处 | |
| 旋转方向错 | 更换两根导线 改变旋转方向 |
|
| 真空度太低 | 泵太小 | 用大一点的泵 |
| 工作液流量太小 | 加大工作液流量 | |
| 工作液温度过 高(<15℃) |
冷却工作液, 加大流量 |
|
| 磨蚀 | 更换零件 | |
| 系统轻度泄漏 | 修复泄漏处 | |
| 密封泄漏 | 检查密封 | |
| 尖锐噪声 | 产生气蚀 | 联接气体蚀保护件 |
| 工作液流量过高 | 检查工作液, 降低流量 |
|
| 泵泄漏 | 密封垫坏 | 检查所有密封面 |
免责声明:以上所展示的[SKA 双级旋片式真空泵]信息由会员[上海希伦流体科技有限公司]自行提供,内容的真实性、准确性和合法性由发布会员负责。