公司简介
上海华戎自动化科技有限公司是致力于工业生产过程控制仪表和自动化系统的开发、研制、生产、销售及工程施工的综合性企业,其产品广泛应用于石油、化工、电力、冶金、酿造、水利、环保等行业。
公司自创建以来,始终以振兴民族仪表工业为己任,在不懈的探索和实践中,汇聚了一批仪表高级工程师及专家队伍,积累了丰富的经验,并从九十年代引进了国外先进技术和设备。经过勤奋求实,不断创新,已形成现场仪表、盘装仪表、计量仪表、电线电缆、仪表管件、仪表阀门等成套系列化的生产规模。同时为满意用户需求,还代理美国、日本、德国等国外知名企业产品。在质量上,顺利通过了ISO9001质量体系认证。公司以其雄厚的技术力量,先进的生产设备,齐全的检测手段,精确、可靠的产品,完善的售后服务体系,赢得了众多用户的信赖。
“华戎科技”欢迎新老客户的垂询,愿以高效、优质的服务成为您合作的好伙伴。让我们精诚合作,共创辉煌。
展开
产品说明
|
|
| |
|
|
|
概述
|
|
| 高压电磁流量计是一种根据法拉电磁感应定律来测量管内导电介质体积流量的感应式仪表,采用单片机嵌入式技术,实现数字励磁,同时在电磁流量计上采用CAN现场总线,属国内首创,技术达到国内水平。电磁流量计在满足现场显示的同时,还可以输出4~20mA电流信号供记录、调节和控制用,现已广泛地应用于化工、环保、冶金、医药、造纸、给排水等工业技术和管理部门。电磁流量计除可测量一般导电液体的流量外,还可测量液固两相流,高粘度液流及盐类、强酸、强碱液体的体积流量。 |
 |
|
|
特点
|
|
|
●仪表结构简单、可靠、无可动部件,工作寿命长。
●无截流阻流部件,不存在压力损失和流体堵塞现象。
●无机械惯性,响应快速,稳定性好,可应用于自动检测、调节和程控系统。
●测量精度不受被测介质的种类及其温度、粘度、密度、压力等物理理参数的影响。
●采用聚四氟乙烯或橡胶材质衬里和HC、HB、316L、Ti 等电极材料的不同组合可适应不同介质的需要。
●备有管道式、插入式等多种流量计型号。
●采用EEPROM存贮器,测量运算数据存贮保护安全可靠。
●具备一体化和分离型两种形式。
●高清晰LCD背光显示。
|
技术参数 |
表1
|
| 适用管径 |
DN25~DN2600(DN25以下为非标) |
| 电极材料 |
316L(不锈钢)、HC(哈氏C)、HB(哈氏B)、Ti(钛)、Ta(钽) |
| 适用介质 |
导电率>5us/cm的液体 |
| 测量范围 |
0.1~10m/s(可扩展到15m/s) |
| 量程上限 |
0.5~10m/s,推荐1~5m/s |
| 精度等级 |
0.3级、0.5级、1.0级(随口径区分) |
| 输出信号 |
4~20mADC,负载≤750Ω;0~3KHz,5V有源,可变脉宽,高端有效频率输出:RS485接口 |
| 工作压力 |
1.0MPa,1.6MPa,4.0MPa,16MPa(特殊) |
| 流体温度 |
-20℃~80℃,80℃~130℃,130℃~180℃ 参考衬里材质 |
| 环境温度 |
传感器-40℃~80℃;转换器-15℃~50℃ |
| 环境温度 |
≤85RH(20℃时) |
| 电缆出口尺寸 |
M20×1.5 |
| 供电电源 |
220VAC±10%;50Hz±1Hz;24VDC±10% |
| 功 耗 |
≤8W |
| 外壳防护等级 |
一体式:IP65分体式:传感器IP68转换器IP65 |
| 接地环材质 |
1Cr18Ni9Ti(不锈钢)、HC(哈氏C)、Ti(钛)、Ta(钽)、Cu(铜) |
| 连接法兰 |
国标GB9119-88(DIN2051,BS4504) |
|
工作原理 |
|
电磁流量计测量原理是基于法拉第电磁感应定律。流量计的测量管是一内衬绝缘材料非导磁合金短管。两只电极沿管径方向穿通壁固定在测量管上。其电极头与衬里内表面基本齐平。励磁线圈由双向方波脉冲劢磁时,将在与测量管轴线垂直的方向上产生一磁通量密度为B的工作磁场。此时,如果具有一定电导率的液体流经测量管,将切割磁力线感应出电动势E。电动势E正比于磁通量密度B,测量管内径d与平均流速V 的乘积。电动势E(流量信号)由电极检出并通过电缆送至转换器。转换器将流量信号放大处理后,可显示流体流量,并能输出脉冲,摸拟电流等信号,用于流量的控制和调节。
|
|
E=KBdV
式中: E――――为电极间的信号电压(V)
B――――磁通密度(T)
d――――测量管内径(m)
V――――平均流速(m/s)
式中K,d为常数,由于励磁电流是恒流的,故B也是常数,则由E=KBdV可知,体积流量Q与信号电压E成正比,即流速感应的信号电压E与体积流量Q成线性关系。因此,只要测量出E就可确定流量Q,这就是电磁流量计的基本工作原理。
由E=KBdV可知,被测流体介质的温度、密度、压力、电导率、液固两相流体介质的液固成分比等参数不会影响测量结果。至于流动状态只要符合轴对称流动(如层流或紊流)就不会影响测量结果的。因此说电磁流量计是一种真正的体积流量计。对于制造厂和用户来说,只要用普通的水实际标定后就可测量其他任何导电流体介质的体积,而不需作任何修正,这是电磁流量计的一突出优点,是其他任何流量计所没有的。测量管内无活动及阻流部件,因此几乎没有压力损失,并具有很高的可靠性。 |
 |
|
产品选型 |
|
1、量程范围确认
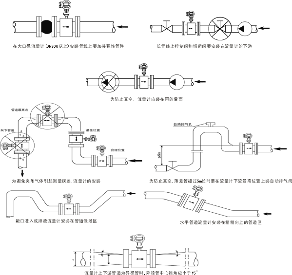
一般工业用电磁流量计被测介质流速发2~4m/s为宜,在特殊情况下,zui低流速应不小于0.1m/s,zui高不大于8m/s。若介质中含有固体颗粒,常用流速应小于3m/s,防止衬里和电极的过分磨擦;对于粘滞流体,流速可选择大于2m/s,较大的流速有助于自动消除电极上附着的粘滞物的作用,有利于提高测量精度。在量程Q已确定的条件下,即可根据上述流速V的范围决定流量计口径D的大小,其值由下式计算:
|
|
|
Q:流量( /h)
D:管道内径(m)
V:流速(m/h)
电磁流量计的量程Q应大于预计的量大流量值,而正常的流量值以稍大于流量计满量程高刻度的50%为宜。
2、参考流量范围 |
| 表2 |
| 通径(mm) |
流量范围( /h) |
通径(mm) |
流量范围( /h) |
| DN15 |
0.6~6.36 |
DN500 |
70.65~7065.00 |
| DN20 |
0.11~11.30 |
DN600 |
101.74~10173.60 |
| DN25 |
0.18~17.66 |
DN700 |
138.47~13847.40 |
| DN40 |
0.45~45.22 |
DN800 |
180.86~18086.40 |
| DN50 |
0.71~70.65 |
DN900 |
228.91~22890.60 |
| DN65 |
1.19~119.40 |
DN1000 |
282.60~28260.00 |
| DN80 |
1.81~180.86 |
DN1200 |
406.94~40694.40 |
| DN100 |
2.83~282.60 |
DN1600 |
723.46~72345.60 |
| DN200 |
11.30~1130.40 |
DN1800 |
915.62~91562.40 |
DN250
|
17.66~1766.25 |
DN2000 |
1130.40~113040.00 |
| DN300 |
25.43~2543.40 |
DN2200 |
1367.78~136778.40 |
| DN350 |
34.62~3461.85 |
DN2400 |
1627.78~162777.60 |
| DN400 |
45.22~4521.60 |
DN2600 |
1910.38~191037.60 |
| DN450 |
57.23~5722.65 |
|
|
|
| 3、衬里的选择 |
| 表3 |
| 衬里材料 |
主要性能 |
zui高介质温度 |
适用范围 |
| 一体型 |
分离型 |
聚四氟乙烯
(F4) |
1、 是化学生能稳定的一种塑料,能耐沸腾地盐酸、硫酸、硝酸和王水,也能耐浓碱和各种有溶剂。不耐三氟化氯、高温三氟化氯、高速液氟、液氧、臭氧的腐蚀。
2、耐磨性能不如聚氨酯橡胶。
3、抗负压能力不如聚氯丁橡胶。 |
70℃ |
100℃
150℃(需
特殊订货)
|
1、浓酸、碱等腐蚀性介质
2、卫生类介质 |
| 聚全氟乙丙类烯(F46) |
|
同上 |
|
聚氟合乙烯
(Fs) |
适用温度上限较聚四氟
乙烯低,但成本也较低。 |
70℃ |
80℃ |
|
| 聚氯丁橡胶 |
1、有的弹性,高度的扯断力,耐磨性能好。
2、耐一般低浓度酸、碱、盐介质腐蚀,不耐氧化性介质的腐蚀。 |
80℃
120℃(需特
殊订货) |
水、污水、弱磨损性的泥浆矿浆 |
| 聚氨酯橡胶 |
1、耐磨性能极强
2、耐腐蚀性能较差 |
80℃ |
中性强磨损的矿浆、煤 |
| 4、电极材质的选择 |
| 表4 |
| 电极材料 |
耐蚀及耐磨性能 |
不锈钢
0CR18NI12MO2TI |
用于工业用水、生活用水、污水等具有弱腐蚀性的介质,适用于石油、化工、钢铁等工业部门及市政、环保等领域。 |
| 哈氏合金B |
对沸点以下的一切浓度的盐酸有良好的耐蚀性,也耐硫酸、磷酸、氢氟酸、有机酸等非氯化性酸、碱,非氧化性盐液的腐蚀。 |
| 哈氏合金C |
能耐非氧化性酸,如硝酸、混酸、或铬酸与硫酸的混合介质的腐蚀,也耐氧化性盐类如Fe+++、Cu++下或含其他氧化剂的腐蚀,如高于常温的次氯酸盐液、海水的腐蚀。 |
| 钛 |
能耐海水、各种氯化物和次氯酸盐、氧化性酸(包括发烟硫酸)、有机酸、碱的腐蚀。不耐较纯的还原性酸(如硫酸、盐酸)的腐蚀,但如酸中含有氧化剂(如硝酸、Fe+++、Cu++)时,则腐蚀大为降低。 |
| 钽 |
具有优良的耐蚀性,和玻璃很相似。除了氢氟酸、发烟硫酸、碱外,几乎能耐一切化学介质(包括沸点的盐酸、硝酸和150℃的硫酸)的腐蚀。在碱中不耐蚀。 |
| 铂/铱合金 |
几乎能耐一切化学介质,但不适用于王水和铵盐。 |
| 不锈钢涂覆碳化钨 |
用于无腐蚀性,强磨损性的介质。 |
| 注:由于介质种类繁多,其腐蚀性又受温度、浓度、流速等复杂因素影响而变化,故本表仅供参考,用户应根据实际情况自己做出选择,必要时应倾向拟选材料的耐腐试验,如挂片试验。 |
|
产品选型
|
| HR-LXD- |
电磁流量计 |
| 口径(mm) |
代号 |
口径(mm) |
流量范围( /h) |
|
代号 |
口径(mm) |
流量范围( /h) |
| D10 |
10 |
0.06~2.3 |
D150 |
150 |
15~510 |
| D15 |
15 |
0.15~5.1 |
D200 |
200 |
27~904 |
| D25 |
25 |
0.4~14 |
D250 |
250 |
42~1416 |
| D32 |
32 |
0.7~23 |
D300 |
300 |
61~2040 |
| D40 |
40 |
1~36 |
D350 |
350 |
83~2776 |
| D50 |
50 |
1.7~57 |
D400 |
400 |
109~3624 |
| D80 |
80 |
4~145 |
D500 |
500 |
170~5664 |
| D100 |
100 |
7~226 |
D600 |
600 |
245~8152 |
| 介质温度 |
T0 |
0~80℃
|
| T1 |
0~120℃
|
| T2 |
0~180℃
|
| 衬里材料 |
F0 |
聚氨脂≤80℃中性矿浆、泥浆、煤浆
|
| F1 |
耐磨橡胶≤60℃一般酸、碱、盐介质
|
| F2 |
聚四氟乙烯≤180℃浓度较大酸、碱、盐介质
|
| F3 |
改性聚氨脂≤120℃中性浆液
|
| 电极材料 |
K1 |
316L
|
| K2 |
哈氏
|
| K3 |
钛材/钽材
|
| K4 |
碳化物(耐磨)
|
| 工作压力 |
P1 |
2.5MPa 全系列口径
|
| P2 |
6.4MPa 口径≤150
|
| P3 |
16MPa 口径≤150
|
| P4 |
25MPa 口径≤150
|
| P5 |
35MPa 口径≤150
|
| 连接方式 |
C0 |
法兰式
|
| C1 |
法兰夹装式
|
| 转换器结构 |
E1 |
一体式智能表头
|
| E2 |
分体式智能表头,注:信号线长度应注明
|
| 供电电压 |
H0 |
220VAC
|
| H1 |
24VDC
|
| 输出类型 |
G1 |
4~20mA
|
| G2 |
1~5V
|
| G3 |
Rs485
|
| 防爆类型 |
N |
普通型
|
| D |
隔爆型(供电应选24VDC)
|
| ↓ |
| HR-LXD - D25 T0 K1 P1 C0 E1 H1 G1 D 型号举例 |
|
| |
产品选型
|
|
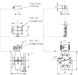
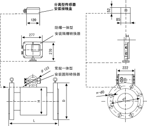
1、DN15~DN150一体型和传感外形图
|
 |
外形尺寸和重量 表6
|
公称通径
DN |
L |
W |
H |
参考重量kg |
| 一体型 |
传感器 |
| 15 |
200 |
140 |
174 |
10 |
7 |
| 20 |
200 |
140 |
174 |
12 |
9 |
| 25 |
200 |
140 |
174 |
14 |
11 |
| 40 |
200 |
176 |
210 |
16 |
13 |
| 50 |
200 |
176 |
210 |
17 |
14 |
| 65 |
200 |
214 |
250 |
25 |
22 |
| 80 |
200 |
214 |
250 |
29 |
26 |
| 100 |
250 |
230 |
312 |
31 |
28 |
| 150 |
300 |
230 |
370 |
41 |
38 |
|
| |
|
法兰尺寸(标准:GB/T9119) 表7
|
公称通径
DN |
压力1.6MPa |
压力4.0MPa |
| D |
d1 |
d0 |
n |
b |
D |
d1 |
d0 |
n |
b |
| 15 |
95 |
65 |
14 |
4 |
16 |
95 |
65 |
14 |
4 |
16 |
| 20 |
105 |
75 |
14 |
4 |
18 |
105 |
75 |
14 |
4 |
18 |
| 25 |
110 |
85 |
14 |
4 |
18 |
110 |
85 |
14 |
4 |
18 |
| 40 |
150 |
110 |
18 |
4 |
20 |
150 |
110 |
18 |
4 |
20 |
| 50 |
165 |
125 |
18 |
4 |
20 |
165 |
125 |
18 |
4 |
20 |
| 65 |
185 |
145 |
18 |
4 |
20 |
185 |
145 |
18 |
8 |
22 |
| 80 |
200 |
160 |
18 |
8 |
22 |
200 |
160 |
18 |
8 |
22 |
| 100 |
220 |
180 |
18 |
8 |
22 |
235 |
190 |
22 |
8 |
26 |
| 150 |
285 |
240 |
22 |
8 |
24 |
300 |
250 |
26 |
8 |
28 |
|
| |
| 2、DN200~DN600一体型和传感外形图 |
外形尺寸和重量 表8 |
|
|
公称通径
DN |
L |
H
φ~
|
参考重量
㎏ |
| 200 |
350 |
310 |
45 |
| 250 |
450 |
358 |
50 |
| 300 |
500 |
410 |
60 |
| 350 |
550 |
465 |
145 |
| 400 |
600 |
515 |
180 |
| 450 |
600 |
564 |
215 |
| 500 |
600 |
614 |
245 |
| 600 |
600 |
722 |
335 |
|
| 法兰尺寸(标准:GB/T9119) |
表9
|
公称通径
DN |
压力1.6MPa |
压力4.0MPa |
| D |
d1 |
d0 |
n |
b |
D |
d1 |
d0 |
n |
b |
| 200 |
340 |
295 |
22 |
12 |
26 |
340 |
295 |
22 |
8 |
24 |
| 250 |
405 |
355 |
26 |
12 |
28 |
395 |
350 |
22 |
12 |
26 |
| 300 |
460 |
410 |
26 |
12 |
32 |
445 |
400 |
22 |
12 |
28 |
| 350 |
520 |
470 |
26 |
16 |
35 |
550 |
460 |
22 |
16 |
30 |
| 400 |
580 |
525 |
30 |
16 |
38 |
565 |
515 |
26 |
16 |
32 |
| 450 |
640 |
585 |
30 |
20 |
42 |
615 |
565 |
26 |
20 |
35 |
| 500 |
715 |
650 |
33 |
20 |
46 |
670 |
620 |
26 |
20 |
38 |
| 600 |
840 |
770 |
36 |
20 |
52 |
780 |
725 |
30 |
20 |
42 |
|
| 3、 DN700~DN2600传感器外形图 |
|
| |
法兰尺寸 (标准:GB/T9119) 表10 |
 |
公称通径
DN |
压力
MPa |
D |
d1 |
d0 |
n |
b |
| 700 |
|
895 |
840 |
30 |
24 |
30 |
| 800 |
1015 |
950 |
33 |
24 |
32 |
| 900 |
1115 |
1050 |
33 |
28 |
34 |
| 1000 |
1230 |
1160 |
36 |
28 |
34 |
| 700 |
|
860 |
810 |
26 |
24 |
26 |
| 800 |
975 |
920 |
30 |
24 |
26 |
| 900 |
1075 |
1020 |
30 |
24 |
26 |
| 1000 |
1175 |
1120 |
30 |
28 |
26 |
| 1200 |
1405 |
1340 |
33 |
32 |
28 |
| 1400 |
1630 |
1560 |
36 |
36 |
32 |
| 1600 |
1830 |
1760 |
36 |
40 |
34 |
| 1800 |
2045 |
1970 |
39 |
44 |
36 |
| 2000 |
2265 |
2180 |
42 |
48 |
38 |
| 2200 |
2475 |
2390 |
42 |
52 |
42 |
| 2400 |
2685 |
2600 |
42 |
56 |
44 |
| 2600 |
2905 |
2810 |
48 |
60 |
46 |
|
| 外形尺寸和重量 表11 |
公称通径
DN |
L |
H
φ~
|
参考重量
㎏ |
公称通径
DN |
L |
H
φ~
|
参考重量
㎏ |
| 700 |
700 |
836 |
435 |
1600 |
1600 |
1736 |
1555 |
| 800 |
800 |
936 |
545 |
1800 |
1800 |
1960 |
2085 |
| 900 |
900 |
1036 |
655 |
2000 |
2000 |
2160 |
2610 |
| 1000 |
1000 |
1136 |
810 |
2200 |
2200 |
2364 |
3210 |
| 1200 |
1200 |
1336 |
875 |
2400 |
2400 |
2564 |
3910 |
| 1400 |
1400 |
1536 |
1235 |
2600 |
2600 |
2764 |
4510 |
|
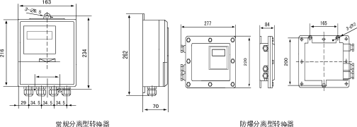
| 4、分离型转换器外形图 |
|
|
|
|
|
本页产品地址:http://www.geilan.com/sell/show-101701.html