提交询价信息
发布紧急求购
您好,欢迎来到给览网!手机版|本站服务|添加收藏|帮助中心
您所在的位置: 给览网 » 供应 » 工控仪表 » 流量仪表 » 电磁流量计 » HR-LDE 肯特流量计

HR-LDE 肯特流量计

上海华戎自动化科技有限公司
会员指数: 企业认证:         

价格:电议

所在地:上海

型号:HR-LDE

更新时间:2011-02-28

浏览次数:4132

公司地址:上海市浦东新区西泰林路901弄43号

倪铭艺(先生) 经理 

产品简介

智能电磁流量计的详细资料:

公司简介

       上海华戎自动化科技有限公司是致力于工业生产过程控制仪表和自动化系统的开发、研制、生产、销售及工程施工的综合性企业,其产品广泛应用于石油、化工、电力、冶金、酿造、水利、环保等行业。
       公司自创建以来,始终以振兴民族仪表工业为己任,在不懈的探索和实践中,汇聚了一批仪表高级工程师及专家队伍,积累了丰富的经验,并从九十年代引进了国外先进技术和设备。经过勤奋求实,不断创新,已形成现场仪表、盘装仪表、计量仪表、电线电缆、仪表管件、仪表阀门等成套系列化的生产规模。同时为满意用户需求,还代理美国、日本、德国等国外知名企业产品。在质量上,顺利通过了ISO9001质量体系认证。公司以其雄厚的技术力量,先进的生产设备,齐全的检测手段,精确、可靠的产品,完善的售后服务体系,赢得了众多用户的信赖。
   “华戎科技”欢迎新老客户的垂询,愿以高效、优质的服务成为您合作的好伙伴。让我们精诚合作,共创辉煌。
展开

产品说明


智能电磁流量计的详细资料:



一、概 述

HR-LDE型智能电磁流量计由传感器和转换器两部分构成。它是基于法拉第电磁感应定律工作的,用来测量电导率大于5μS/cm导电液体的体积流量,是一种测量导电介质体积流量的感应式仪表。除可测量一般导电液体的体积流量外,还可用于测量强酸强碱等强腐蚀液体和泥浆、矿浆、纸浆等均匀的液固两相悬浮液体的体积流量。广泛应用于石油、化工、冶金、轻纺、造纸、环保、食品等工业部门及市政管理,水利建设、河流疏浚等领域的流量计量。

二、工作原理

根据法拉第电磁感应原理,在与测量管轴线和磁力线相垂直的管壁上安装了一对检测电极,当导电液体沿测量管轴线运动时,导电液体切割磁力线产生感应电势,此感应电势由两个检测电极检出,数值大小与流量成正比例,其值为:
E=KBVD
式中:
E-感应电势;
K-与磁场分布及轴向长度有关的系数;
B-磁感应强度;
V-导电液体平均流速;
D-电极间距;(测量管内直径)
传感器将感应电势E作为流量信号,传送到转换器,经放大,变换滤波用一系列的数字处理后,用带背光的点阵式液晶显示瞬时流量和累积流量。转换器有4~20mA输出,报警输出及频率输出,并设有RS-485等通讯接口,并支持HART和MODBUS协议。

三、仪表特点

■全数字量处理,抗干扰能力强,测量可靠,精度高、流量测量范围可达150:1;
■超低EMI开关电源,适用电源电压变化范围大,抗EMI性能好;
■采用16位嵌入式微处理器,运算速度快,精度高,可编程频率低频矩形波励磁,提高了流量测量的
稳定性,功耗低;
■采用SMD器件和表面贴装(SMT)技术,电路可靠性高;
■管道内无可动部件,无阻流部件,测量中几乎没有附加压力损失;
■在现场可根据用户实际需要在线修改量程;
■测量结果与流速分布,流体压力,温度、密度、粘度等物理参数无关;
■高清晰度背光LCD显示,全中文菜单操作,使用方便,操作简单,易学易懂;
■具有RS485、RS232、Hart和Modbus等数字通讯信号输出;(选配)
■具有自检与自诊断功能;
■小时总量计录功能,以小时为单位记录流量总量,适用于分时计量制(选配);
■内部具有三个积算器可分别显示正向累积量反向累积量及差值积算量,内部设有不掉电时钟,可记
录16次掉电时间。(选配);
■红外手持操作器,115KHZ通讯速率,远距离非接触操作转换器所有功能(选配)。


例:选用一台就地显示型电磁流量计测量污水,用户管道为DN50,要求橡胶材料衬里,不锈钢电极,4~20mA输出,无通讯,上限流量为30m3/h。型号应为:LDE-50S-M1X100-30
2.选型说明:
仪表口径的确定:请参照表3


衬里材料的确定:请参照表4

2.选型说明
电极、接地环材料的确定:请参照表5

若不能确定选用何种衬里材料及电极材料请参照第七部分“电极和衬里耐腐蚀材料一览表”
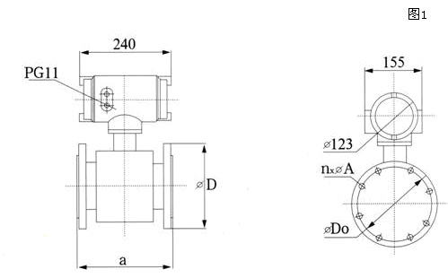
1.流量计外形尺寸


2.分体型转换器安装尺寸

 


本页产品地址:http://www.geilan.com/sell/show-101624.html
免责声明:以上所展示的[HR-LDE 肯特流量计]信息由会员[上海华戎自动化科技有限公司]自行提供,内容的真实性、准确性和合法性由发布会员负责。
[给览网]对此不承担任何责任。
友情提醒:为规避购买风险,建议您在购买相关产品前务必确认供应商资质及产品质量!

发布询价单

厂商其他产品

您最近浏览过的产品

没有合适的产品?是否在线询价?
询价标题
联系人
电话
主要内容
验证码