| 提交询价信息 |
| 发布紧急求购 |
价格:电议
所在地:上海
型号:500X
更新时间:2013-10-11
浏览次数:1041
公司地址:上海市徐汇区龙吴路1143号
![]()
林工(先生) 经理
上海科造阀门公司是一家集开发、生产、组装并代理销售进口阀门、管道配套服务于一体的专业性企业。公司的主打产品有 : 电磁阀、气动阀门、蝶阀、球阀、针型阀、截止阀、止回阀、阻火器、排气阀、排泥阀、过滤器、放料阀、隔膜阀、旋塞阀、柱塞阀、平衡阀、调节阀、疏水阀、呼吸阀、管夹阀等。阀门压力:1.0-32.0Mpa规格:DN15-DN1200。阀门材质有:铸铁、铝合金、不锈钢、铸钢、碳钢、A105、304、304L、316、316L等。驱动方式可采用手动、电动、气动、齿轮传动等装置。连接方式:法兰、焊接、丝口、对夹。标准:GB HB JB国标、API美标、JIS日标、DIN德标。
代理销售来自德国阀门、美国阀门、英国阀门、法国阀门、日本阀门、韩国阀门、台湾阀门地区原装进口阀门。产品广泛应用于水处理、化工、石化、石油、造纸、采矿、电力、液化气、食品、制药、给排水、市政、机械设备配套、电子工业,城建、工业管道等领域。产品畅销全国各地及东南亚地区,优质的质量,高效的服务,深得用户的信赖和广泛的赞誉。
公司始终以质量为本,一切为满足用户的经营理念,不断引国外先进技术,新工艺、新材料,竭诚为用户提供优质的阀门产品和更加完善的售后服务。您的要求,我们的目标
一、结构特点和用途
500X泄压/持压阀由主阀、泄压/持压导阀针阀、球阀、微形过滤器和压力表组成水力控制接管系统。利用水力自动操作,即可以作泄压阀用又可作持压阀用。作泄压阀用时,可维持供水路压力在设定的安全值之下;做持压阀用,可维持主阀上游水压在设定值之上,保持主阀上游供水压力。
本产品利用水力自力控制,不需要其它装置和能源,保养简便,一阀多用。
本系列阀门产品广泛用于高层建筑、生活区等供水管网系统及城市供水工程。
二、工作原理
1、作泄压阀:当泄压/持压导阀调整为泄压状态时,水通过针阀、主阀控制室、球阀A、泄压/持压导阀、球阀B流向出口,此时主阀处于开启状态。当进口压力超过泄压/持压导阀设定的安全值时,泄压导阀会自动开启,通过球阀C放出部分水,使管路泄压。当压力恢复到安全值时,泄压阀自动关闭。作泄压阀时,各球阀常开。
2、作持压阀:当泄压/持压导阀调整为持压状态时,只要主阀进口水压低于导阀设定值,导阀即关闭。主要控制室升压,主阀关闭。当主阀上游供水压力超过导阀设定压力时,持压导阀才能打开,控制室的水经球阀排至出口,控制室降压主阀开启,开始供水,即保持了上游水压。作持压阀用时,球阀C常闭或用丝堵换下。
三、主要技术参数
| 公称压力(Mpa) | 壳体试验压力(MPa) | 密封试验压力(MPa) | 适用介质 | 介质温度(℃) |
| 1.0 | 1.5 | 1.1 | 水 | 0-80 |
| 1.6 | 2.4 | 1.76 | ||
| 2.5 | 3.75 | 2.75 |
四、主要零件材料
|
零件名称
|
零件材料
|
|
阀体 阀盖
|
WCB
|
|
阀座 阀盘
|
铜合金
|
|
密封圈 O型圈
|
丁腈橡胶
|
|
阀杆
|
2Cr13
|
|
弹簧
|
50CrVA
|
|
针型阀
|
铜合金
|
|
球阀
|
铜合金
|
|
泄压/持压导阀
|
铜合金
|
|
微型过滤器
|
不锈钢
|

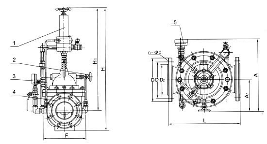
500X泄压阀部件列表
1、导阀2、针阀3、球阀4、主阀5、压力表
五、主要外形尺寸
|
DN
|
L
|
A
|
A1
|
H
|
H1
|
F
|
D
mm |
D1
mm |
D2
mm |
n-Φd
|
||||||||
|
mm
|
mm
|
mm
|
mm
|
mm
|
mm
|
PN1.0
|
PN1.6
|
PN2.5
|
PN1.0
|
PN1.6
|
PN2.5
|
PN1.0
|
PN1.6
|
PN2.5
|
PN1.0
|
PN1.6
|
PN2.5
|
|
|
20
|
180
|
330
|
130
|
550
|
460
|
116
|
105
|
105
|
105
|
75
|
75
|
75
|
58
|
58
|
56
|
4-13.5
|
4-13.5
|
4-14
|
|
25
|
180
|
330
|
130
|
550
|
460
|
116
|
115
|
115
|
115
|
85
|
85
|
85
|
68
|
68
|
65
|
4-13.5
|
4-13.5
|
4-14
|
|
32
|
180
|
330
|
130
|
550
|
460
|
116
|
140
|
140
|
140
|
100
|
100
|
100
|
78
|
78
|
76
|
4-17.5
|
4-17.5
|
4-18
|
|
40
|
240
|
345
|
135
|
610
|
516
|
170
|
150
|
150
|
150
|
110
|
110
|
110
|
88
|
88
|
84
|
4-17.5
|
4-17.5
|
4-18
|
|
50
|
240
|
345
|
135
|
610
|
516
|
170
|
165
|
165
|
165
|
125
|
125
|
125
|
102
|
102
|
99
|
4-17.5
|
4-17.5
|
4-18
|
|
65
|
250
|
355
|
140
|
625
|
520
|
180
|
185
|
185
|
185
|
145
|
145
|
145
|
122
|
122
|
118
|
4-17.5
|
4-17.5
|
8-18
|
|
80
|
285
|
360
|
146
|
645
|
538
|
210
|
200
|
200
|
200
|
160
|
160
|
160
|
133
|
133
|
132
|
8-17.5
|
8-17.5
|
8-18
|
|
100
|
360
|
400
|
156
|
750
|
596
|
275
|
220
|
220
|
235
|
180
|
180
|
190
|
158
|
158
|
156
|
8-17.5
|
8-17.5
|
8-22
|
|
125
|
400
|
420
|
170
|
808
|
655
|
310
|
250
|
250
|
270
|
210
|
210
|
220
|
184
|
184
|
184
|
8-17.5
|
8-17.5
|
8-26
|
|
150
|
455
|
435
|
186
|
864
|
710
|
355
|
285
|
285
|
300
|
240
|
240
|
250
|
212
|
212
|
211
|
8-22
|
8-22
|
8-26
|
|
200
|
585
|
480
|
206
|
1135
|
805
|
460
|
340
|
340
|
360
|
295
|
295
|
310
|
268
|
268
|
274
|
8-22
|
12-22
|
12-26
|
|
250
|
650
|
530
|
226
|
1185
|
855
|
500
|
395
|
405
|
425
|
350
|
355
|
370
|
320
|
320
|
330
|
12-22
|
12-26
|
12-30
|
|
300
|
800
|
575
|
246
|
1325
|
955
|
580
|
445
|
460
|
485
|
400
|
410
|
430
|
370
|
370
|
389
|
12-22
|
12-26
|
16-30
|
|
350
|
860
|
620
|
275
|
1385
|
990
|
640
|
505
|
520
|
555
|
460
|
470
|
490
|
430
|
430
|
448
|
16-22
|
16-26
|
16-33
|
|
400
|
960
|
635
|
286
|
1445
|
1030
|
715
|
565
|
580
|
620
|
515
|
525
|
550
|
482
|
482
|
503
|
16-26
|
16-30
|
16-36
|
|
450
|
1075
|
665
|
320
|
1325
|
905
|
780
|
615
|
640
|
670
|
565
|
585
|
600
|
532
|
550
|
548
|
20-26
|
20-30
|
20-36
|
|
500
|
1075
|
695
|
348
|
1430
|
960
|
830
|
670
|
715
|
730
|
620
|
650
|
660
|
585
|
585
|
609
|
20-26
|
20-33
|
20-36
|
|
600
|
1230
|
720
|
372
|
1565
|
1020
|
920
|
780
|
840
|
845
|
725
|
770
|
770
|
685
|
685
|
720
|
20-30
|
20-36
|
20-39
|
|
700
|
1650
|
770
|
422
|
1755
|
1160
|
980
|
895
|
910
|
960
|
840
|
840
|
875
|
800
|
800
|
820
|
24-30
|
24-36
|
24-42
|
|
800
|
1750
|
805
|
458
|
2230
|
1515
|
1050
|
1015
|
1025
|
1085
|
950
|
950
|
990
|
905
|
905
|
928
|
24-33
|
24-39
|
24-48
|
六、500X泄压阀安装示意图

免责声明:以上所展示的[500X 泄压/持压阀]信息由会员[上海科造阀门有限公司 ]自行提供,内容的真实性、准确性和合法性由发布会员负责。