产品简介
膜盒压力表采用膜盒作为测量微小压力的敏感元件。测量对铜合金不起作用、无爆炸危险气体的微压和负压,广泛用于锅炉通风、气体管道
公司简介
公司座落在美丽富饶的高邮湖畔,有天下第一荷花美称的鱼米之乡——金湖境内,交通方便,东临京沪高速、西靠宁连高速、盐金线贯穿境内。成立于2004年,是一家集科研、生产、成套工程为一体的高新技术企业。企业拥有雄厚的技术力量、先进的生产设备,科学合理的生产工艺,健全的质保体系,为产品的高标准提供了有力的保障。生产的标准校验装置、电磁流量计、涡街流量计、孔板流量计、金属转子流量计、精密数字压力计、物位计、压力表、隔膜压力表、不锈钢压力表、热电阻、热电偶、双金属温度计、压力变送器、差压变送器、静高压变送器、无纸记录仪、电接点压力表、一体化温度变送器、导纳科位仪、智能压力效验仪、电线电缆等产品在石化、电力、冶金以及国防等行业的自动化控制中得到了广泛的应用。代理的罗斯蒙特、横河EJA等我厂产品也为国内各行业提供了大量技术先进、可靠实用的测量控制仪表,深受用户欢迎。我们本着质量第一,服务第一,诚信第一的宗旨,愿与客户携手,以全新的营销策略,走向更广阔的市场。公司成立以来凭借良好的信誉及优质的服务已经与各地区的生产厂商建立了长期稳定的商业贸易伙伴关系。
展开
产品说明
膜盒压力表采用膜盒作为测量微小压力的敏感元件。测量对铜合金不起作用、无爆炸危险气体的微压和负压,广泛用于锅炉通风、气体管道、燃烧装置等及其它类似设备上。
|
仪表由测量系统(包括接头、膜盒等)、传动机构、指示装置和外壳组成。
当被测介质的压力作用于膜盒时,其自由端产生相应弹性变形一位移,经拨杆带动传动机构放大,由指示装置将被测压力在仪表度盘上指示出来。
|
|
型号命名
|
|

|
|
|
技术参数
|
| ● 标度范围、精确度等级及重量 |
| 型号 |
标度范围KPa |
| 正压 |
负压 |
正负压 |
精确度等级 |
重量kg |
YE-100
YE-150 |
0~1.6
0~2.5
0~4
0~6
0~10
0~16
0~25
0~40 |
-1.6~0
-2.5~0
-4~0
-6~0
-10~0
-16~0
-25~0
-40~0 |
-0.8~+0.8
-1.2~+1.2
-2~+2
-3~+3
-5~+5
-8~+8
-12~+12
-20~+20 |
2.5 |
0.5 |
|
|
● 工作位置、环境:仪表垂直安装,工作环境温度-25~55℃,相对湿度不大于80%,并且周围空气中不含有腐蚀仪表的有害气体。
● 温度影响:使用温度偏离20±5℃虹,其温度附加误差不大于0.4%/10℃。
● 导(测)压系统及外壳等主要零件的材质
|
| 零件名称 |
材料牌号 |
| 接头 |
黄铜HPb59-1 |
| 膜盒 |
锡青铜QSn6.5-0.1 |
| 齿轮传动机构 |
铜HPb59-1 |
| 表壳、罩壳 |
冷轧钢板 |
|
|
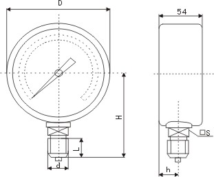
外形尺寸
|
| 单位:mm |
|

|
| 型号 |
D |
H |
L |
d |
h |
□S |
| YE-100 |
φ100 |
90 |
20 |
M20×1.5 |
17 |
□22 |
| YE-150 |
φ150 |
118 |
20 |
M20×1.5 |
17 |
□22 |
|
| |
| |
本页产品地址:http://www.geilan.com/sell/show-144618.html

免责声明:以上所展示的[
YE-100 压力表]信息由会员[
江苏天辰仪表有限公司]自行提供,内容的真实性、准确性和合法性由发布会员负责。
[给览网]对此不承担任何责任。
友情提醒:为规避购买风险,建议您在购买相关产品前务必确认供应商资质及产品质量!