产品简介
自动校准和人工校准功能;自动到手动的无扰动切换;可分别带有一路模拟量控制输出、一路开关量控制输出;继电器正转、反转控制及一路模
公司简介
公司座落在美丽富饶的高邮湖畔,有天下第一荷花美称的鱼米之乡——金湖境内,交通方便,东临京沪高速、西靠宁连高速、盐金线贯穿境内。成立于2004年,是一家集科研、生产、成套工程为一体的高新技术企业。企业拥有雄厚的技术力量、先进的生产设备,科学合理的生产工艺,健全的质保体系,为产品的高标准提供了有力的保障。生产的标准校验装置、电磁流量计、涡街流量计、孔板流量计、金属转子流量计、精密数字压力计、物位计、压力表、隔膜压力表、不锈钢压力表、热电阻、热电偶、双金属温度计、压力变送器、差压变送器、静高压变送器、无纸记录仪、电接点压力表、一体化温度变送器、导纳科位仪、智能压力效验仪、电线电缆等产品在石化、电力、冶金以及国防等行业的自动化控制中得到了广泛的应用。代理的罗斯蒙特、横河EJA等我厂产品也为国内各行业提供了大量技术先进、可靠实用的测量控制仪表,深受用户欢迎。我们本着质量第一,服务第一,诚信第一的宗旨,愿与客户携手,以全新的营销策略,走向更广阔的市场。公司成立以来凭借良好的信誉及优质的服务已经与各地区的生产厂商建立了长期稳定的商业贸易伙伴关系。
展开
产品说明
自动校准和人工校准功能;自动到手动的无扰动切换;可分别带有一路模拟量控制输出、一路开关量控制输出;继电器正转、反转控制及一路模拟量输出,适用于各种测量控制场合;多重保护、隔离设计、抗干扰能力强、可靠性高;良好的软件平台,具备二次能力,可以满足特殊的功能;先进的模块结构,配合功能强大的仪表芯片,功能组合、系统升级非常方便.
| TC-DFD系列手动操作器/光柱显示手动操作器主要特点: |
手操器有效的解决在自动问题上的执行输出问题;增加了事件输入、强制手动输入、远程控制等功能;功能集成度高(只用一种程序就能实现功能切换);增加了上电状态:手/自动状态选择功能。
能自动跟随输入值进行控制输出(模拟量控制输出或开关量控制输出)。可实现自动/手动无扰动切换。手动切换至自动时,采用逼近法积算,并带切换限幅功能,以实现手动/自动的平稳切换。
可两路同时输入并显示测量信号及反馈信号。
可随意改变仪表的输入信号类型。采用新无跳线技术,只需设定仪表内部参数,即可将仪表从一种输入信号改为另一种输入信号。进一步提高了仪表的多用性与可靠性。
可分别带有一路模拟量控制输出或一路开关量控制输出(继电器正转、反转控制)及一路模拟量变送输出,适用于各种测量控制场合。
可带串行通信输出,可与各种带串行输入/输出的设备进行双向通信,组成网络控制系统。采用标准MODBUS RTU通信协议;
采用双LED数码(可同时显示测量值+阀位反馈值--或输出量)+双光柱(可同时显示测量值+阀位反馈值--或输出量,光柱显示)显示,使显示更为直观迅速。 |
技术指标 |
| 商 标 |
型 号
|
| TC-DFD-X |
D/S 835、D735、D935、D/S435、TD/TS835系列
|
| 输入信号 |
热 电 偶:K、E、S、B、J、T;冷端温度自动补偿范围0~50℃,补偿准确度±1℃。
热 电 阻:Pt100、Pt100.1、Cu50;引线电阻补偿范围≤15Ω。
远传电阻:30~350Ω(远传压力表)
直流电压:0~5V、1~5V;
直流电流:0~10mA、4~20mA。
输入阻抗:电流信号Ri≥250Ω,电压信号Ri≥250KΩ。
|
| 输出信号 |
模拟量输出:DC 0~10mA输出(负载电阻≤750Ω) DC 4~20mA输出(负载电阻≤500Ω)
DC 0~5V输出(负载电阻≥250KΩ) DC 1~5V输出(负载电阻≥250KΩ)
开关量输出:继电器控制输出--继电器ON/OFF带回差。AC220V/1A,DC24V/3A (阻性负载)
可控硅控制输出─SCR(可控硅过零触发脉冲)输出,光电隔离,400V/0.5A
固态继电器控制输出─SSR(固态继电器控制信号)输出,光电隔离,6~24V/30mA
双向可控硅无触点开关输出─SOT输出,光电隔离,400V/7A
通讯输出:接口方式--标准串行双向通讯接口:光电隔离,RS-485,RS-232等
波特率─1200~9600bps 内部自由设定
通讯协议─采有标准MODBUS RTU通讯协议
馈电输出:DC24±1V,负载电流≤30mA
|
| 特 性 |
测量精度:±0.5%FS或0.2%FS
分 辨 率:±1字
测量范围:-1999~9999字
显示方式:-1999~9999字测量值显示 -1999~9999字设定值显示
-1999~9999字控制目标值显示 0~100%输出量显示
双LED+双光柱显示 发光二极管工作状态显示
温度补偿:0~50℃数字式温度自动补偿
参数设定:·面板轻触式按键数字设定
·参数设定值断电后保存 ·参数设定值密码锁定
保护方式:·输入回路断线报警(热电偶或电阻输入时),继电器输出状态LED指示
·输入超/欠量程报警
·电源欠压自动复位
·工作异常自动复位(Watch Dog)
|
| 使用环境 |
环境温度:0~50℃
相对湿度:≤85%RH ·避免强腐蚀性气体
供电电压:常规型 AC220V %(50Hz±2Hz线性电源)
特殊型 AC90V~265V-开关电源
DC24V±2V-开关电源
功 耗:≤5W(AC220V线性电源供电)
≤4W(AC90~265V开关电源供电)
≤4W(DC24V开关电源供电) |
| TC-DFD-X |
D/TD835系列(横式) |
S/TS835系列(竖式) |
| 仪表外形 |

|

|
| 外形尺寸 |
宽×高×深:160×80×140mm |
宽×高×深:80×160×140mm |
| 开孔尺寸 |
单位:mm
|
单位:mm
|
| 重量 |
·常规型:850g ·特殊型:550g |
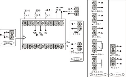
| 接线图 |
横式

注:特殊订货与本接线图不同之处,以随机接线图为准。(竖式与上接线图一致,但方向不一样,竖式仪表向左逆时针旋转90℃,竖式光柱向右顺时针旋转90℃。)不同功能在同一端子的,只能选其中一种功能。
|
| TC-DFD-X |
D435(横式) |
S435(竖式) |
| 仪表外形 |
 |
 |
| 外形尺寸 |
宽×高×深:96×48×105mm |
宽×高×深:48×96×105mm |
| 开孔尺寸 |
单位:mm |
单位:mm |
| 重量 |
·常规型:350g |
·特殊型:240g |
| 接线图 |
横式

注:特殊订货与本接线图不同之处,以随机接线图为准。(竖式与上接线图一致,但方向不一样,
竖式仪表向左逆时针旋转90℃。)不同功能在同一端子的,只能选其中一种功能。
|
| TC-DFD-X |
D935系列 |
D735系列 |
| 仪表外形 |
 |
 |
| 外形尺寸 |
宽×高×深:96×96×105mm |
宽×高×深:72×72×112mm |
| 开孔尺寸 |
单位:mm |
单位:mm |
| 重量 |
·常规型:500g |
·特殊型:350g |
| 接线图 |
D935系列

备注:特殊订货与本接线图不同之处,以随机接线图为准。不同功能在同一端子的,只能选其中一种功能。
D735系列

备注:特殊订货与本接线图不同之处,以随机接线图为准。不同功能在同一端子的,只能选其中一种功能。
|
|
本页产品地址:http://www.geilan.com/sell/show-145851.html

免责声明:以上所展示的[
TC-DFD 手操器]信息由会员[
江苏天辰仪表有限公司]自行提供,内容的真实性、准确性和合法性由发布会员负责。
[给览网]对此不承担任何责任。
友情提醒:为规避购买风险,建议您在购买相关产品前务必确认供应商资质及产品质量!