公司简介
东方化玻(北京)科技有限公司成立于 2014 年,是实验设备、平台综合解决方案提供商。公司为国内企事业单位 提供高品质仪器仪表,实验设备以及整体解决方案。 公司与国内外多家世界生产商已建立长期合作关系。公司经营产品广泛,灵活满足不同事业单位和企业客户的差异化需求 以及快速创新的追求,产品故障率低,维护成本小,性能优异,售后服务完善。公司产品在行业内均拥有持续的应用历史并 经过市场实际应用检验。 坚持以持续技术创新为客户不断创造价值为经营理念,公司在产品研发方面投入比例逐年递增,目前自主研发并投入市场 的产品已达十余种,长期以来,公司一直按照标准,搭建实验室平台,构建高品质、高标准、持续创新的发展体系。 坚持稳步发展的管理理念,不断刷新自己在业内的记录。
展开
产品说明
光电编码器 库号:D181297
光电编码器 库号:D181297
光电编码器 库号:D181297
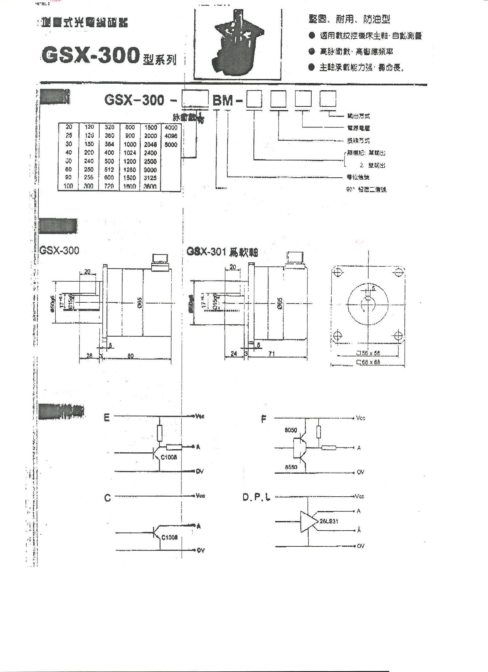
GSX-300-100BM-C15C
参考参数 参考图片
GSX-101系列 ●外径Φ65,止口Φ30,轴径Φ10。 ●适用于冶金自动化控制、自动测
量、机器人等行业。 ●体积小,重量轻,安装方便。 ●高脉冲,高响应频率
●可选脉冲:20. 30. 40. 50. 60. 90. 100. 120. 125. 150. 180. 200. 240. 250. 256. 300. 320. 360. 400. 500. 512 . 600. 720. 800. 900. 1000. 1024. 1080. 1200. 1500.1600. 1800. 2000. 2048. 2160. 2400. 2500. 3000. 3600. 4000. 4096. 5000. 5400。
●机械参数:
●输出电路:
A、D、L、P
大机械转速
抗震力
抗冲击
启动力矩
大径向负荷
大轴向负荷
6000rpm
50m/s2,10~200HZ,XYZ方向各2h
980m/s2,6ms,XYZ方向各2次
5×10ˉ4Nm(+25℃)
20N
10N
防护
工作寿命
工作温度
工作湿度
储存温度
重量
防尘 IP50
MTBF≥10000h(+25℃,2000rpm) -10℃~+70℃
30~85%℃ -30℃~+85℃
约0.35㎏
●电气参数: 接线方式 输出方式 记号 电源电压
DC(V)
消耗电流
(mA)
输出电压
VH VL
上升、下降时间
(μs)
响应频率
(KHz)
G:电缆侧出
E:电缆后出
C:插座侧出
H:插座后出
电压
集电极开路
75113驱动
26LS31驱动
75183驱动
电压
集电极开路
互补
电压
集电极开路
互补
电压
集电极开路
互补
ET7272驱动
05E
05C
05D
05L
05P
12E
12C
12F
15E
15C
15F
24E
24C
24F
24A
4.75~5.25
10.8~13.2
13.5~16.5
22~26.4
100
150
3.5 0.5 —— —— 2.5 0.5
8.5 0.5 —— —— 8.5 0.5
10.5 0.5 —— —— 10.5 0.5
20 0.5 —— —— 20 0.5
20 0.5

本页产品地址:http://www.geilan.com/sell/show-9520248.html