产品简介
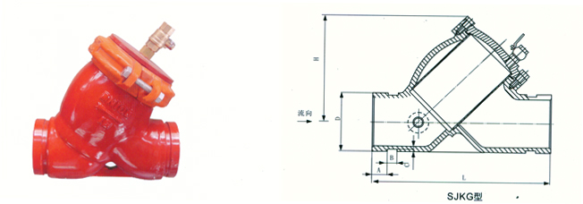
一、结构特点及用途 1、沟槽式过滤器、过滤面积大、流阻系数小、下端部装有自
公司简介
上海奥托阀门集团水工业中国事业部(总部设在上海)奥托水工业集团在国内地区的管理机构,下设奥托运营总部、奥托营销总部、奥托研发中心。我公司产品在中国广泛应用于给排水工程;电力工程;建筑工程;水处理工程;化工工程;石化工程;冶金工程;制药工程;以及化肥工程等水工业系统,强化引进装置中的阀门配套,产品畅销全国各地,并远销中东、东南亚、欧美等十多个国家和地区,在众多国家大型重点项目中得到广泛应用。依据奥托阀门集团总部的战略规划,未来 3至 5年的时间里,奥托集团将在中国建立起世界领先的水工业产品制造与物流中心,通过向客户持续并盈利地提供优质水工业产品,我公司坚持将“诚信为本,勇于创新,锐意进取,稳健发展”的经营方针,大力推进技术创新,资本运营,国际化拓展四大战略。成为中国建筑和水务行业最卓越的水工业解决方案的供应商。我们的目标是满足并领先于应用领域的需求、行业标准及顾客的预期。先进的制造设备、高素质的设计团队、完善的产品系列为满足顾客的各类需求提供了可靠的保证,始终将“全方位满足客户的需求”作为生存的基础。我们将提供适用于不同应用领域的水工业产品,并将持续的改进作为从事每一项工作的原动力,通过持续的新产品研发与产品改进,为顾客提供优良的适用产品。
上海奥托阀门有限公司主要生产制造闸阀、球阀、蝶阀、截止阀、止回阀、针型阀、阻火器、排气阀、排泥阀、过滤器、放料阀、隔膜阀、旋塞阀、柱塞阀、平衡阀、调节阀、疏水阀、电磁阀、呼吸阀、管夹阀、气动阀门、电动阀门、高压阀门、中压阀门、低压阀门、高温阀门、高温高压阀门、保温阀门、给排水阀门、真空阀门、不锈钢阀门、衬胶阀门、衬氟阀门、塑料阀门、波纹管阀门、蒸汽阀门、气体阀门、燃气阀门、氨用阀门、美标阀门、日标阀门、德标阀门、进口阀门等。等优秀供应商之一。我公司自创办以来不断以科技创新,主要按中国 GB、JB、美标 API、ANSI、英国 BS、德标 DIN、法国 NF、日本 JIS、JPI 标准生产,并可根据用户特殊要求冶炼和制造。
代理销售进口阀门:德国福林 FRING 进口阀门、日本北泽 KITZ 进口阀门、英国 UK 阀门进口阀门、日本 VENN 阀天进口阀门、日本日立 HITACHI 进口阀门进口阀门主要产品有进口针型阀、进口球阀、进口高压小型球阀、进口截止阀、进口闸阀、进口止回阀、进口旋塞阀、进口过滤器、进口柱塞阀、进口蝶阀、进口平衡阀、进口水力控制阀、进口调节阀,欢迎订购。
上海奥托阀门有限公司始终以质量为本,一切为满足用户的经营理念,不断应用新技术,新工艺、新材料,竭诚为用户提供优质的阀门产品和更加完善的售后服务。奥托阀门科学的管理,成熟的设计,精湛的工艺,精良的设备,精心的加工,精确的检测,以求更加完美。销售以来深受广大用户的良好评价。奥托不求最大,但求最好。您的需要,我们的目标!上海奥托阀门有限公司拥有全球最顶尖的生产设备和技术工程师,有能力按照各国标准以及各种行业标准生产制造优质阀门。欢迎来电咨询、订购。电话:
传真:
手机:
QQ:627811707
联系人:陈杰
展开
产品说明
|
一、结构特点及用途
1、沟槽式过滤器、过滤面积大、流阻系数小、下端部装有自动冲洗装置,冲洗时间快比一般Y型过滤器快8-10倍。
2、产品应用于石油、化工、水蒸气、冶金、供热、消防非排水等作为过滤管路中杂质作用,并可以根据拥护对过滤介质的要求可用不同的过滤网。
3、阀体内外采用性的粉体环氧树脂喷涂,使水质不至于出现缺水及阀体的腐蚀。
4过滤网采用不锈钢,在使用过程中不会出现滤网结锈而减少过滤面积。
二、主要技术参数
| 公称压力(MPa) |
壳体实验压力(MPa)
|
工作压力(MPa)
|
阀体材料 |
滤网材料 |
使用介质
|
| 1.0 |
1.5 |
1.0 |
灰铸铁 |
不锈钢 |
水
气 油品 |
| 1.6 |
2.4 |
1.6 |
球墨铸
铁碳钢 |
| 2.5 |
3.75 |
2.5 |
碳钢 |

三、主要外形及连接尺寸
| 公称通径 DN(mm) |
L |
D |
A |
B |
C |
H |
| 50 |
185 |
57 |
14.5 |
9.5 |
2.2 |
190 |
| 60 |
| 65 |
200 |
76 |
14.5 |
9.5 |
2.2 |
205 |
| 80 |
225 |
89 |
14.5 |
9.5 |
2.2 |
225 |
| 100 |
305 |
108 |
16 |
9.5 |
2.2 |
275 |
| 114 |
| 150 |
350 |
159 |
16 |
9.5 |
2.2 |
335 |
| 165 |
| 168 |
| 200 |
445 |
219 |
19 |
13 |
2.5 |
415 |
| 250 |
540 |
273 |
19 |
13 |
2.5 |
485 |
| 300 |
600 |
325 |
19 |
13 |
3.3 |
555 |
| 350 |
650 |
377 |
25 |
13 |
3.3 |
625 |
| 400 |
700 |
426 |
25 |
13 |
5.5 |
670 |
| 450 |
750 |
480 |
25 |
13 |
5.5 |
720 |
| 500 |
800 |
530 |
25 |
13 |
5.5 |
775 |
| 600 |
900 |
630 |
25 |
13 |
5.5 |
900 |
|
本页产品地址:http://www.geilan.com/sell/show-943283.html

免责声明:以上所展示的[
SJKG 沟槽式Y型过滤器]信息由会员[
奥托阀门(中国上海)有限公司]自行提供,内容的真实性、准确性和合法性由发布会员负责。
[给览网]对此不承担任何责任。
友情提醒:为规避购买风险,建议您在购买相关产品前务必确认供应商资质及产品质量!