| 提交询价信息 |
| 发布紧急求购 |
价格:电议
所在地:上海
型号:ZDRV
更新时间:2014-03-02
浏览次数:948
公司地址:上海市奉贤工业开发区南奉路500号
![]()
陈杰(先生) 经理
该系列阀是一种芯阀座采用金属,或金属对聚四氟乙烯密封配合的旋转球阀,它将球阀和蝶阀的控制特性结合成一体,既可用作控制调节阀,又可作关断切断阀。
其主要特点是:
(1)不带任何管接头的整体式阀体,因此不受管道或螺栓应力影响,并且由于阀体无任何管接头,故耐压壳体不会受压力“突变”的影响;
(2)具有一个V型阀体,即使在小流量或高粘度介质的情况下,也可在整个量程范围内,保证控制的性;
(3)防漏耐用的阀座在其外径处衬有带不锈钢内芯PTFE杯形或是O型密封圈,阀座用截面较大的钨钴硬质合金制成,通过一个合金的波纹弹簧进一步增强了阀座的结构;
(4)当阀门关闭时,V型缺口与阀座之间产生楔形剪切作用,并既具有自洁功能又可防止球芯卡死,特别适用于管线结垢冻结或含有纤维和颗粒固体场合。 适用于高粘度、悬浮液、纸浆等不干净、含纤维介质场合。采用直连方式与执行机构连接,具有结构紧凑、尺寸小、重量轻、阻力小、动作稳定可靠等优点。执行机构根据用户要求配置UNIC、PSQ、HQ、DHL等型号电子式电动执行机构或GTX、AL等气动活塞式执行机构。
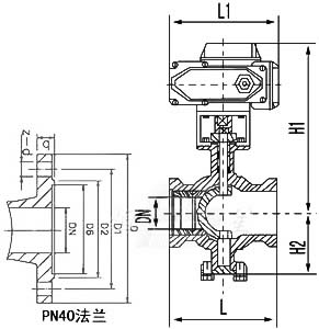
技术参数
|
公称通径DN(mm)
|
25~400
|
|||
|
公称压力PN(MPa)
|
1.6~6.4
|
|||
|
公称压力Ps(MPa)
|
强度试验
|
2.4~9.6
|
||
|
密封试验
|
1.76~7.0
|
|||
|
材料\代号
|
C
|
P
|
R
|
|
|
主要
零件 |
阀体
|
WCB
|
ZG1Cr18Ni9Ti
|
ZGOCr18Ni12Mo2Ti
|
|
球杆
|
2Cr13
|
ZG1Cr18Ni9Ti
|
ZG0Cr18Ni12Mo2Ti
|
|
|
阀杆
|
2Cr13
|
1Cr18Ni9Ti
|
0Cr18Ni12Mo2Ti
|
|
|
密封圈
|
聚四氟乙烯、不锈钢、硬质合金
|
|||
|
填料
|
聚四氟乙烯、柔性石墨
|
|||
|
适用
工况 |
适用介质
|
水,蒸汽,油品
|
硝酸类
|
醋酸类
|
|
适用温度
|
-28~400℃
|
-28~500℃
|
||
|
执行器
|
型 号
|
CH、3410R、UNIC、PSQ、HQ、DHL等系列电子式电动执行机构
|
||
|
连接形式
|
对夹式、法兰式,法兰按JB79-59标准
|
|||
|
基本误差
|
回差
|
死区
|
输入信号
|
输出信号
|
|
全行程的
≤±2% |
全行程的
≤±2% |
全行程的
≤0.8% |
4~20mADC
|
4~20mADC
|
|
公称通径D(mm)
|
25
|
32
|
40
|
50
|
65
|
80
|
100
|
125
|
150
|
200
|
250
|
300
|
350
|
400
|
|
额定流量系数Cv
|
32
|
43
|
78
|
90
|
160
|
250
|
360
|
610
|
1120
|
1850
|
2950
|
3700
|
7195
|
11466
|
|
公称压力PN(MPa)
|
1.6、2.5、4.0、6.4
|
|||||||||||||
|
流量特性
|
近似等百分比(参见典型曲线图)、直线特性
|
|||||||||||||
|
阀板转角(度)
|
0°~至90°(可调)
|
|||||||||||||
|
允许泄漏量等级
|
软密封:零泄露
硬密封:≤额定Cv×0.001% |
软密封:VI微气泡级,金属密封:≤额定CV×0.065%
|
||||||||||||
|
动作时间(S/90度)
|
8.5~30
|
36~60
|
||||||||||||
|
可调节比
|
250:1
|
300:1
|
||||||||||||

|
![]() |
|||||||||||||||||||||||||||||||||||||||||||||||||||||||||||||||||||||||||||||||||||||||||||||||||||||||||||||||||||||||||||||||||||||||||||||||||||||||||||
免责声明:以上所展示的[ZDRV 电动V型调节球阀]信息由会员[奥托阀门(中国上海)有限公司]自行提供,内容的真实性、准确性和合法性由发布会员负责。