产品简介
变压器油面温控器 是采用复合温升原理而设计的变压器专用仪表。适用于变压器及其它设备的温度检测和控制。该仪表具有良好的防护性能,能在户外条件下正常工作,仪表内装有四至六组可调控制开关,可分别用于变压器的冷却系统控制与信号报警、超温跳闸等。
公司简介
北京百思佳公司是高科技分析系统集成商。公司大量生产和引进国内外各种*的在线仪器仪表及系统、设备与材料,为各行业用户提供了大量的产品和服务,尤其在石油、化工、环保、电子、冶金、机械、光学、通讯、科技教学、医疗卫生等领域,与世界众多厂家有密切合作关系。欢迎国内外的朋友们前来考察、咨询、洽谈合作,您将享受到*、、高效的服务,让我们通力合作、共筑美好未来。
展开
产品说明
变压器油面温控器 是采用复合温升原理而设计的变压器专用仪表。适用于变压器及其它设备的温度检测和控制。该仪表具有良好的防护性能,能在户外条件下正常工作,仪表内装有四至六组可调控制开关,可分别用于变压器的冷却系统控制与信号报警、超温跳闸等。通过嵌装在一次表内的温度变送器或Pt100铂电阻,能输出与温度值对应的DC(4-20)mA电流信号或Pt100铂电阻信号,供计算机系统和二次仪表使用,实现无人电站管理。
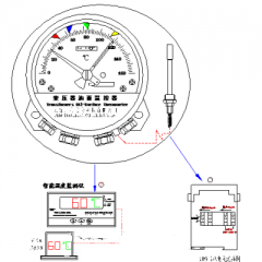
变压器油面温控器主要由弹性元件、传感导管、感温部件、温度变送器和数显仪组成。由弹性元件、传感导管和感温部件构成的密封系统内充满感温介质,当被测温度变化时,感温部件内的感温介质的体积随之变化,这个体积增量通过传感导管传递到仪表内弹性元件,使之产生一个相对应的位移,这个位移经机构放大后便可指示被测温度,并驱动微动开关,输出开、关控制信号以驱动冷却系统和超温报警、超温跳闸,达到控制变压器温升的目的。
变压器油面温控器主要技术指标
工作条件:环境温度(-40~+55)℃ 相对湿度:≤95%RH
准确度:1.5级(依据标准JB/T8450-2005)
测量范围:(0~160)℃
开关性能:四组可调开关,开关均能在全量程内任意设定(按用户要求最多可达6组开关)
开关动作点:K1=55℃,K2=65℃,K3=100℃, K4=120℃
开关额定功率:AC220V / 5A,DC220V/3A
温包尺寸:Φ15,插入深度不小于150 mm
安装螺纹:(M27×2)mm或(M33×2)mm
毛细管长度:6m,按用户要求最长可制作18 m
防护等级:IP55
保护功能:短路保护(自恢复);过热保护(自恢复)

本页产品地址:http://www.geilan.com/sell/show-9356898.html