产品简介
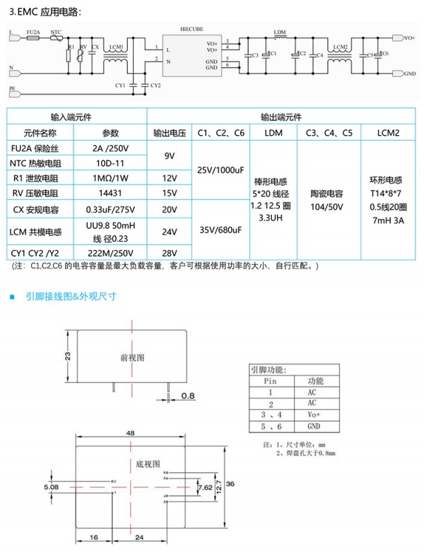
小型ACDC电源模块HS24P36SR,广泛适用于通讯与传感器,工控和电力仪器仪表、智能家居等对体积要求苛刻,并对EMC要求不高的场合。如果需要应用于电磁兼容恶劣的环境下必须外加EMC外围电路。
公司简介
广州高雅信息科技有限公司,座落于广州市天河区,毗邻广州科学城,是一家集研发、生产、销售及服务于一体的电源模块、模块电源、ACDC电源模块厂家。公司拥有专业的研发团队,产品研发经过立项评审、方案评审、样品测试、小批量试验、批量定型等设计论证和工程制造验证,及各种可靠性试验,保证电源设计质量。
我司生产的AC-DC电源模块关键元器件采用物料,如TDK,YAGEO,RUBYCON ,EVERLIGHT。使用自动化生产设备和工艺,使得产品一致性非常好。公司拥有测试设备,所有产品通过初测、老化和终测三次测试,从而保证了 “HIECUBE” 电源产品的高可靠性。提供3W-36W中小功率模块电源产品,致力于在中小功率领域提供专业化的产品及服务。常规产品采用备库存生产的模式,以满足你快速交期的要求。服务网络遍及全国30多个城市,可满足各地不同客户的供货需求。所生产的电源模块已广泛应用于电力、工业控制、仪器仪表、医疗电子、轨道交通、通讯通信、安防、智能化体系等领域。
展开
产品说明
小型ACDC电源模块HS24P36SR,具有交直流两用、输入电压范围宽、高可靠性、低功耗、安全隔离等优点。电源的效率高达90%和低于0.1W的低空载功耗。可以提供基本的防尘和防水功能。
产品应用:
广泛适用于通讯与传感器,工控和电力仪器仪表、智能家居等对体积要求苛刻,并对EMC要求不高的场合。如果需要应用于电磁兼容恶劣的环境下必须外加 EMC 外围电路。

本页产品地址:http://www.geilan.com/sell/show-9291059.html