提交询价信息
发布紧急求购
您好,欢迎来到给览网!手机版|本站服务|添加收藏|帮助中心
您所在的位置: 给览网 » 供应 » 行业专用仪器 » 煤炭行业 » KZB-PC 矿山设备轴承温度及振动监测装置(标配一对一、定制一控多)

KZB-PC 矿山设备轴承温度及振动监测装置(标配一对一、定制一控多)

郑州广众科技发展股份有限公司
会员指数: 企业认证:

价格:电议

所在地:河南 郑州市

型号:KZB-PC

更新时间:2024-07-13

浏览次数:763

公司地址:郑州高新开发区翠竹街6号02幢东3单元2层19号

王艳艳(女士)  

产品简介

气温的不断下降,我们对电的需求在不断地增加煤炭作为当今社会发点的主要能源之一,发电厂对煤炭的需求在不断的增加,这就需要煤矿的不断开采来达到对煤的需求。我们都知道煤矿中存在很多的安全隐患比如:矿井内易燃易爆气体、设备运行、井道内的防护等。所以我们对矿山安全的防护同样不能松懈。

公司简介

郑州广众科技发展股份有限公司位于河南郑州高新技术产业开发区,863中部软件园区内。公司成立于2007年,前身为某国营科研机构,注册资本1056万元,是一家专业从事工矿领域自动化、数字化、智能化产品的研发、生产、销售、服务为一体的高新技术企业。   公司以省煤科院、郑州大学、国防第二十七所等科研院校等雄厚的科研力量为依托,与中国神华、紫金矿业集团及山西省多家矿业集团建立了紧密型战略合作伙伴关系。   公司拥有一支由博士、硕士、技工组成的专业的专兼职科研队伍,具有整体工矿类产品的设计、研发、生产、集成、施工和和校验投产能力。   公司产品分为:自动化控制技术、新传动(矢量变频)工程技术、在线监测监控系统,空压机余热回收、空气能五大系列30余个产品。拥有17项、自主著作权15项,取得了国家ISO9001质量管理体系认证及山西省矿用产品定点生产厂家等相关资质认证。 公司以科学的市场定位、共赢的经营理念、过硬的产品质量、完善的售前、售中、售后服务体系,十余年来,公司的产品赢得了全国四千多家用户的喜爱和好评。
展开

产品说明

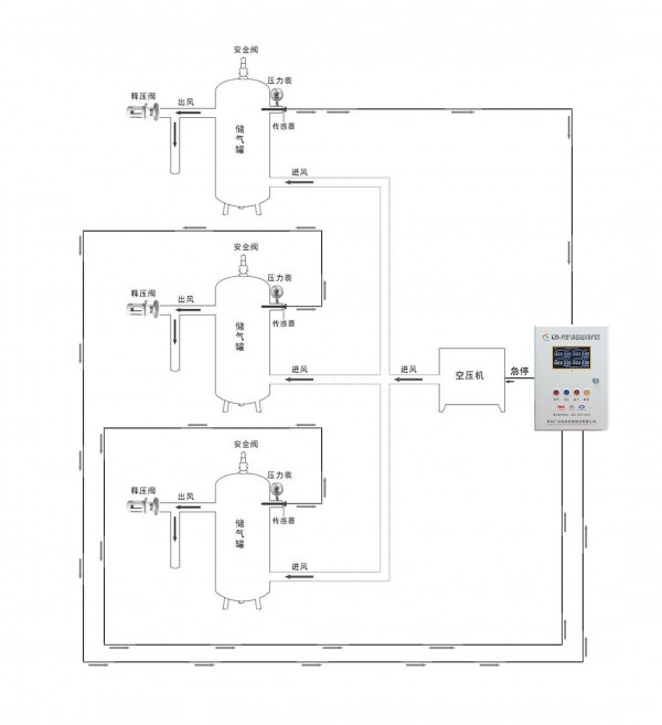
矿山设备轴承温度及振动监测装置(标配一对一、定制一控多)

气温的不断下降,我们对电的需求在不断地增加煤炭作为当今社会发点的主要能源之一,发电厂对煤炭的需求在不断的增加,这就需要煤矿的不断开采来达到对煤的需求。我们都知道煤矿中存在很多的安全隐患比如:矿井内易燃易爆气体、设备运行、井道内的防护等。所以我们对矿山安全的防护同样不能松懈。199*0383*2913

电机轴承温度及振动监测装置

1. 设备正常运行过程中电机振动的监测。

2. 设备正常运行过程中电机前后轴承(电阻)温度监测。

3. 对温度测量数据的算法进行优化,使温度的计算变得快捷。

  4. 所测量的温度超过设定温度值时设备会自动报警。

  5. 具备声光报警功能及远程声光报警功能

  6. 可以设置RS485远程数据传输接口,可与控制室内上位机电脑系统集群监测多台电机进行数据互通。

设计依据

(一)2016版《煤矿安全规程》

(二)2020版《煤矿安全生产标准化管理体系基本要求及评分办法(试行)》

(三)AQ1013-2005《煤矿在用空气压缩机安全检测检验规范》

(四)AQ6201《煤矿安全监控系统通用技术要求》

(五)AQ2055-2016《金属非金属矿山在用空气压缩机安全检验规范》


本页产品地址:http://www.geilan.com/sell/show-9197279.html
免责声明:以上所展示的[KZB-PC 矿山设备轴承温度及振动监测装置(标配一对一、定制一控多)]信息由会员[郑州广众科技发展股份有限公司]自行提供,内容的真实性、准确性和合法性由发布会员负责。
[给览网]对此不承担任何责任。
友情提醒:为规避购买风险,建议您在购买相关产品前务必确认供应商资质及产品质量!

发布询价单

没有合适的产品?是否在线询价?
询价标题
联系人
电话
主要内容
验证码