厂家特惠VSL6-KR
双线分配器 厂家质保,无锡海万双线分配器,单线递进式分配器分配器生产厂家。本公司产品质量保证,价格优惠,品种齐全,销往全国各地。
双线分配器 厂家质保
双线分配器 厂家质保
双线分配器 厂家质保
一、使用条件
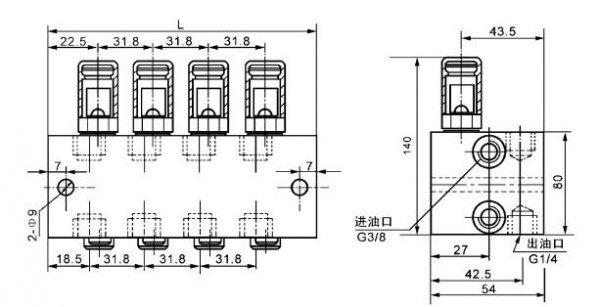
VSKV-KR型双线分配器正面设上下二排出油口,分配器活塞正反向动作时分别从上排和下排的出油口排出润滑脂。还可以从指示杆的动作直接观察分配器的工作情况,并可通过调整螺钉在规定范围内调整出油口的给油量。VSL-KR型双线分配器上下面均有给油口,分配器活塞正反向动作时分别从上面和下面的给油口排出润滑脂;在相应上、下给油口内设有合二为一的排油结构,要改变奇数出油,只需将孔内的螺钉拧出即可。还可以从指示杆的动作直接观察分配器的工作情况,同时还可以通过调整螺钉在规定范围内调整各出油口的给油量。
该型分配器适用于公称压力为40MPa的双线式干油集中润滑系统中,在两条供油主管交替的供油压力作用下,直接由供油压力控制活塞动作给油,完成向润滑点定量分配润滑脂的功能。 该型分配器适用于公称压力为40MPa 的双线式干油集中润滑系统中,它在两条供油主管交替的供油压力作用下,直接由供油压力控制活塞动作给油,完成向润滑点定量分配润滑脂的功能。
|
二、技术参数
|
|
|
型 号
|
公称压力MPa
|
动作压力Mpa
|
额定给油mL/循环
|
调整螺钉每转一圈调整量ml
|
|
VSL※-KR
|
40
|
≤1.0
|
0-5
|
0.15
|
|
|
使用介质为锥入度不低于265(25℃,150g)1/10mm的润滑脂(NLGI0#~2#)或粘度等级大于N68的润滑油;使用环境温度为-10~80℃;使用介质为润滑油时,请在20MPa压力下使用。
|
|
|
|
|
三、型号说明

|
型号
|
VSL-KR
|
VSL4-KR
|
VSL6-KR
|
VSL8-KR
|
|
出油口数
|
2
|
4
|
6
|
8
|
|
L(mm)
|
44.5
|
76
|
108
|
140
|
|
|
|
|
五、使用说明
|
|
若需相应上下出口合并时,只需将上出油孔内的压紧螺塞用6mm内六角扳手拧出,取出分油套通孔向下装入,再拧紧压紧螺塞,此时上出口用G1/4螺塞封堵以防灰尘侵入。
|
|
|
六、订货须知
分配器安装使用环境温度在-10~80℃以外的必须在订货合同中注明,以便供货时提供耐低、高温油封。
|
|
换向阀,单向阀,节流阀,顺序阀,溢流阀,叠加阀,卸荷阀,液控单向阀,电磁溢流阀,单向节流阀,直动式溢流阀,电磁换向阀,电液换向阀,隔爆电磁换向阀,高压球阀,高压球芯截止阀,蓄能器阀组,比例控制阀,分流阀,调速阀,手动换向阀,平衡阀,多路阀,液压锁,双向液压锁厂家无锡海万;
叶片泵,齿轮泵,柱塞泵,双联叶片泵,定量叶片泵,双联变量叶片泵,双联齿轮泵,油泵,齿轮油泵,齿轮马达,液压马达,高压齿轮泵,高压齿轮马达,油泵电机组厂家无锡海万;
电磁阀,脉冲阀,脉冲控制仪,膜片,气控阀,截止阀,截止式换向阀,人控阀,机械阀,手转阀,角座阀,制冷电磁阀,膜片电磁阀,法兰电磁阀,减压阀,调压阀,油雾器,过滤器,空气过滤器,二联件,三联件,气源处理组合,除油器厂家无锡海万;
液压附件,蓄能器,蓄能器安全阀组,截止阀安全阀组,过滤器,过过器滤芯,冷却器,风冷机,液位计,温度计,滤清器厂家无锡海万;
电磁制动器,电磁失电制动器,电磁离合器,多片电磁离合器,牙嵌式电磁离合器,多片多片电磁离合器,干片电磁离合器,快速电磁离合器,单片电磁离合器器,整流器,整流装置,碳刷,电刷,制动器厂家无锡海万。本公司产品质量保证,价格优惠,品种齐全,销往全国各地。
可订货型号:
VSKV2-KR,VSKV4-KR,VSKV6-KR,VSKV8-KR
VSKH2-KR,VSKH4-KR,VSKH6-KR,VSKH8-KR
VSL-KR,VSL4-KR,VSL6-KR,VSL8-KR
VS-30,VS-40,VS-50,VS-60,VS-60-1
VSG2-KR,VSG4-KR,VSG6-KR,VSG8-KR
VS-30,VS-40,VS-50,VS-60,VS-60-1
VSKV2-KR,VSKV4-KR,VSKV6-KR,VSKV8-KR
VSKH2-KR,VSKH4-KR,VSKH6-KR,VSKH8-KR
VSL-KR,VSL4-KR,VSL6-KR,VSL8-KR
SGQ-82S,SGQ-83S
SGQ-21S,SGQ-22S,SGQ-23S,SGQ-24S
SGQ-11,SGQ-12,SGQ-13,SGQ-14,SGQ-21
SGQ-61S,SGQ-62S,SGQ-63S,SGQ-81S
SGQ-33,SGQ-41,SGQ-42,SGQ-43,SGQ-15
SGQ-41S,SGQ-42S,SGQ-43S,SGQ-44S
SGQ-22,SGQ-23,SGQ-24,SGQ-31,SGQ-32
KW-56,KW-58
KW-34,KW-36,KW-38,KW-310,KW-42
KW-44,KW-46,KW-48,KW-52,KW-54
KW-22,KW-24,KW-26,KW-28,KW-32
KJ-7,KJ-8,KM-3,KM-4,KM-5
KJ-3,KJ-4,KJ-5,KJ-6
KM-6,KM-7,KM-8,KL-3,KL-4
KL-5,KL-6,KL-7,KL-8
TLR2-8/6,TLR2-8/8,TLR2-10/4
TLR5-8/6,TLR5-8/8,TLR5-10/4
TLR6-10/6,TLR6-10/8,TLR6-12/4
TLR3-10/6,TLR3-10/8,TLR3-12/4
TLR2,TLR3,TLR4,TLR5,TLR6
TLR5-6/6,TLR5-6/8,TLR5-8/4
TLR4-12/6,TLR4-12/8,TLR5-6/4
TLR6-6/6,TLR6-6/8,TLR6-8/4
TLR3-12/6,TLR3-12/8,TLR4-6/4
TLR6-12/6,TLR6-12/8,TLR2-6/4
TLR5-10/6,TLR5-10/8,TLR5-12/4
TLR6-8/6,TLR6-8/8,TLR6-10/4
TLR4-8/6,TLR4-8/8,TLR4-10/4
TLR4-6/6,TLR4-6/8,TLR4-8/4
TLR4-10/6,TLR4-10/8,TLR4-12/4
TLR2-6/6,TLR2-6/8,TLR2-8/4
FVTLG3-12/6,FVTLG6-22/12
FVTLG3-12/8,FVTLG3-12/10,FVTLG3-12/12
FVTLG3-22/8,FVTLG3-22/10,FVTLG3-22/12
FVTLG3-14/6,FVTLG3-14/8,FVTLG3-14/10
FVTLG3-14/12,FVTLG3-18/6,FVTLG3-18/8
FVTLG3-18/10,FVTLG3-18/12,FVTLG3-22/6
FVTLG3,FVTLG4,FVTLG5,FVTLG6
本页产品地址:http://www.geilan.com/sell/show-9117919.html