| 提交询价信息 |
| 发布紧急求购 |
价格:电议
所在地:广东 深圳市
型号:
更新时间:2023-10-25
浏览次数:798
公司地址:深圳市宝安西乡固戍航城大道福森科技园5栋206
![]()
盛丽(女士)
产品型号:QLC-L01
产品量程:0~2,3,5,10,20,30t
产品介绍
产品特点:
QLC系列测力显示器使用高速、的24位专用A/D转换器采集型号,使用高速单片机对信号进行运算处理,小巧的铝合金外壳,能有效的防止撞击和外界干扰。测力显示器配有RS-232通讯接口;具有捕捉瞬间的zui大值,设定上下限报警等功能,并且可以和各种量程的力传感器配套,用户可根据需要灵活选择,另外,产品内置镍氢可充电池,可以用于无外接电源场合,它是各种测力实验机理想的配套仪表。
传感器安装方式:外置
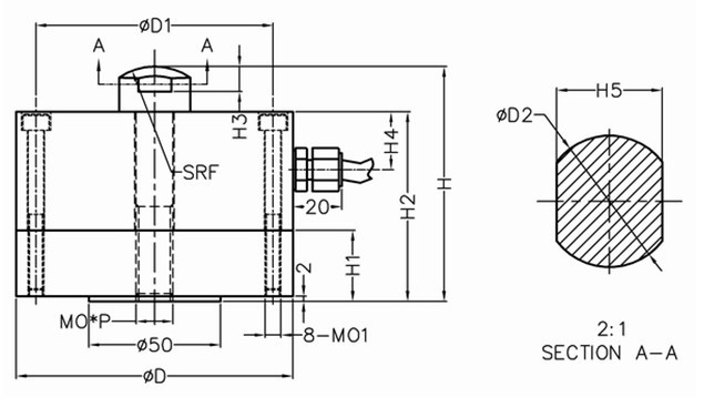
传感器外形尺寸:

对应尺寸:
|
额定载荷(t) Rated Load |
尺寸(mm)Size |
||||||||||
|
D |
MO*P |
H1 |
H2 |
H |
H3 |
H4 |
H5 |
D2 |
D1 |
MO1 |
|
|
2,3 |
Φ105 |
M14*2 |
25 |
70 |
85 |
10 |
22.5 |
20 |
Φ25 |
90 |
M6*55 |
|
5 |
Φ120 |
M20*1.5 |
30 |
80 |
95 |
10 |
25 |
25 |
Φ30 |
104.5 |
M8*65 |
|
10,20 |
Φ155 |
M32*2 |
35 |
90 |
115 |
15 |
27.5 |
35 |
Φ45 |
133 |
M10*75 |
技术参数:
|
额定载荷 Rated capacities(Emax) |
1,2,3,5,10,20,30t |
|
灵敏度Sensitivity |
2.00±0.006mV/V |
|
综合误差 Total error |
±0.05 %F.S |
|
蠕变(30分钟)Creep error(30min) |
±0.05 %F.S |
|
零点平衡 Zero balance |
±1 %F.S |
|
零点温度影响 TCO |
±0.02 %F.S/10℃ |
|
输出温度影响 TC SPAN |
±0.02 %F.S/10℃ |
|
输入阻抗 Input impedance |
400±20Ω |
|
输出阻抗 Output impedance |
352±3Ω |
|
缘电阻Insulation impedance |
≥5000MΩ |
|
温度补偿范围Temperature range,compensated |
-10℃~+40℃ |
|
工作温度范围Temperature range,operating |
-30~+70℃ |
|
安全过载Maximum safe overload |
150%F.S |
|
限过载Ultimate overload |
200%F.S |
|
推荐激励电压Excitation,recommend |
10~12V DC |
|
zui大激励电压Excitation maximum |
15V DC |
|
密封等级 Protection Class |
IP67 |
|
材质 Construction |
合金钢Alloy Steel |
|
电缆 Cable |
Length:12m Diameter: Ф6mm |
免责声明:以上所展示的[ 标准测力仪QLC-L01]信息由会员[深圳市金诺盛科技有限公司]自行提供,内容的真实性、准确性和合法性由发布会员负责。