| 提交询价信息 | 
| 发布紧急求购 | 
 
        
                       
                       
                  价格:电议
所在地:广东 深圳市
型号:YN600B
更新时间:2018-05-29
浏览次数:1025
公司地址:深圳市南山区西丽街道百旺信高科技工业园二区5栋4楼南侧

小韦(先生) 运营专员
	 深圳市粤能电气有限公司成立于2011年,坐落在深圳市南山区西丽街道百旺信高科技工业园二区5栋4楼,注册资金5018万元,是一家专注于为智能电网用户端提供电力监控、电能质量改善、电气安全等系统性解决方案的高新技术企业。公司拥有强大的研发团队,历经几余载不断努力,成功研制出不少高新技术产品,技术上领先同行,产品质量上也优于同行。我司一直秉持“自主创新、自主研发”的发展理念,科技成果丰硕,目前拥有9项,软件著作权25项,我司的诚信、实力和产品质量获得业界的认可。现已与行业内各电力公司建立长期合作关系,在智能电网用户端享有极高的声誉及市场地位。我司时刻关注市场的动态和信息,不断加强技术的研制开发力度,为用户提供坚强的高效率高性价比电网技术产品,努力成为中国智能化电网建设进程的推动者,让深圳粤能产品成为电网客户的一选择和信赖者!欢迎各界朋友莅临参观、指导和业务洽谈。
 
1.1、装置适用范围
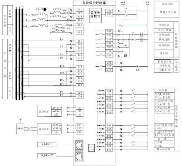
YN600B智能保护控制器型FTU智能控制器, 选用的高质量元器件,电磁兼容性能和抗干扰能力突出。综合考虑了各种环网柜、柱上开关的监控需求。适用于10kV /20kV电压等级的线路保护、馈线保护、智能分界开关控制器等多种配电设备的保护测控功能。具有多种通讯接口和多种通讯规约,支持电力综合自动化系统及变配电系统自动化管理。
1.2、主要保护功能
(1) 三段式过流保护功能
(2) 过负荷告警/保护功能
(3) 零序告警/保护功能
(4) 非电量告警/保护功能
(5) 过压、欠压、失压等保护;
(6) 三相二次重合闸(后加速可投);
1.3、主要配电自动化控制逻辑功能
(1) 失电后延时分闸功能
(2) 得电延时后合闸功能
(3) 单侧失压延时后合闸功能
(4) 正向、反向闭锁合闸功能
(5) 两侧有压闭锁合闸功能
(6) 过流后无压无流延时分闸
(7) 联络开关功能
1.4、 通讯接口及规约
(1) 通讯接口配置:2路RS485、1路CAN通讯接口、1路远距离LORA通讯接口、1路蓝牙智能APP通讯接口,2路RJ45以太网口、1路USB本地升级接口;
(2) 通讯协议支持南方电网DL634.5.101-2012远动协议实施细则、南方电网DL634.5.104-2012远动协议实施细则的通信协议实现一对一与配网主站通讯;
(3) 通讯协议支持电网公司《配电自动化系统应用DL/T634.5101-2002实施细则》和《配电自动化系统应用DL/T634.5104-2009实施细则》
1.5、 全电量参数测量功能
智能保护控制器具备全电量参数测量功能,主要包括各类电压参数,电流参数、频率、各单相功率、三相功率、电度等等;
1.6、 点对点通讯组网
智能保护控制器具备点对点有线或者无线和配网自动化主站链接通讯功能,也具有点对多组网方式和配网自动化系统链接的功能。
(1) 点对点组网方式
每台智能保护控制器和配网自动化主站进行数据交互。

	                                                                  无线点对点通讯模式
	

			
			 
				                                                       有线点对点通讯模式
			
2、装置主要技术参数
		
(1)工作电源及功耗
交流输入电压:AC70V~270V,50Hz
直流输入电压:DC220V、110V、DC48V、
DC24V,订货须知
整 机 功 耗:≤10W
(2)额定交流输入参数
交流电流:或1A
交流电压:100/√3V、
100V、400V
频 率:50Hz
电压电流测量精度:0.5级,有功1.0级
(3)装置工作环境
环境温度:-30℃~+70℃
相对湿度:≤95%PB
大气压力:80kPa~110kPa
(3)整机电磁兼容
快速顺变
浪涌
电磁辐射抗扰度
2.4、装置外形安装开孔尺寸图
 
	2.5装置接线原理图

 免责声明:以上所展示的[YN600B 智能保护控制器]信息由会员[深圳市粤能电气有限公司]自行提供,内容的真实性、准确性和合法性由发布会员负责。
免责声明:以上所展示的[YN600B 智能保护控制器]信息由会员[深圳市粤能电气有限公司]自行提供,内容的真实性、准确性和合法性由发布会员负责。