FESTO比例压力阀VPPM,费斯托()有限公司
新尺寸:快速、通用、
3 种预设模式!
同类比例压力阀的新维度 …… 即 VPPM。每种应用场合都有合适的参数 – 只需通过按钮从三种
预设模式中选择想要的调节特性。无需:通过多传感器控制的二级调节作用就能完成可靠调节。
总体特性
VPPM 模块化系统能满足您的需求,在电子、气动和机械元件方面具有zui大的灵活性。
灵活性
管式安装或法兰式安装、电流驱动或电压驱动、通过 CPX 终端连接现场总线/以太网。从基础
性能到高科技产品,满足所有需求。的产品!
多传感器控制
集成传感器,确保的调节质量和稳定的调节特性。主要特性:温度补偿- 温度变化时不会
发生压力偏移!
诊断功能
VPPM 会提供一个与达到的压力相适应的电气信号。设定点数值没有达到时也能进行诊断。CPX终端可对所有数值进行远程控制和监控。
主要应用场合:通过按钮可通用于或高速应用场合。或者用于过程要求、灵活、本地调节力和压力的应用场合。稳定的调节特性保证优的结果。
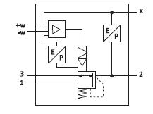
针脚分配,用于 M12 8 针插头
1 数字量输入 1
2 24 VDC
3 设定点 -(-w)
4 设定点 +(+w)
5 数字量输入 2
6 实际值输出(x)
7 0 VDC (GND)
8 数字量输出(24 VDC)
9 金属壳体

工作原理:串联控制
FESTO比例压力阀VPPM,费斯托()有限公司
542233 VPPM-6L-L-1-G18-0L2H-V1N
542234 VPPM-6L-L-1-G18-0L6H-V1N
554043 VPPM-6L-L-1-G18-0L6H-V1P
558337 VPPM-6L-L-1-G18-0L6H-V1P-C1
575125 VPPM-6L-L-1-G18-0L10H-V1P-C1
542235 VPPM-6L-L-1-G18-0L10H-V1N
554044 VPPM-6L-L-1-G18-0L10H-V1P
542245 VPPM-6F-L-1-F-0L2H-V1N
542246 VPPM-6F-L-1-F-0L6H-V1N
558339 VPPM-6F-L-1-F-0L6H-V1P-C1
558347 VPPM-6F-L-1-F-0L6H-V1N-C1
571285 VPPM-8F-L-1-F-0L6H-V1P
542247 VPPM-6F-L-1-F-0L10H-V1N
571296 VPPM-8L-L-1-G14-0L6H-V1P
542227 VPPM-6L-L-1-G18-0L2H-V1N-S1
542228 VPPM-6L-L-1-G18-0L6H-V1N-S1
554039 VPPM-6L-L-1-G18-0L6H-V1P-S1
571448 VPPM-6L-L-1-G18-0L6H-V1N-S1C1
575121 VPPM-6L-L-1-G18-0L6H-V1P-S1C1
542229 VPPM-6L-L-1-G18-0L10H-V1N-S1
554040 VPPM-6L-L-1-G18-0L10H-V1P-S1
558335 VPPM-6L-L-1-G18-0L10H-V1P-S1C1
558345 VPPM-6L-L-1-G18-0L10H-V1N-S1C1
542239 VPPM-6F-L-1-F-0L2H-V1N-S1
542240 VPPM-6F-L-1-F-0L6H-V1N-S1
571286 VPPM-8F-L-1-F-0L6H-V1P-S1
571287 VPPM-8F-L-1-F-0L6H-V1P-S1C1
542241 VPPM-6F-L-1-F-0L10H-V1N-S1
571291 VPPM-8L-L-1-G14-0L10H-V1N-S1
571292 VPPM-8L-L-1-G14-0L10H-V1P-S1
571293 VPPM-8L-L-1-G14-0L10H-V1P-S1C1
571294 VPPM-8L-L-1-G14-0L6H-V1N-S1
571295 VPPM-8L-L-1-G14-0L6H-V1N-S1C1
FESTO比例压力阀VPPM,费斯托()有限公司
571297 VPPM-8L-L-1-G14-0L6H-V1P-S1
571298 VPPM-8L-L-1-G14-0L6H-V1P-S1C
575235 VPPM-12L-L-1-G12-0L10H-V1N-S1
575236 VPPM-12L-L-1-G12-0L10H-V1P-S1
575237 VPPM-12L-L-1-G12-0L10H-V1P-S1C1
575238 VPPM-12L-L-1-G12-0L6H-V1N-S1
575239 VPPM-12L-L-1-G12-0L6H-V1N-S1C1
575240 VPPM-12L-L-1-G12-0L6H-V1P-S1
575241 VPPM-12L-L-1-G12-0L6H-V1P-S1C1 -V
542236 VPPM-6L-L-1-G18-0L2H-A4N
542237 VPPM-6L-L-1-G18-0L6H-A4N
554045 VPPM-6L-L-1-G18-0L6H-A4P
558338 VPPM-6L-L-1-G18-0L6H-A4P-C1
542238 VPPM-6L-L-1-G18-0L10H-A4N
554046 VPPM-6L-L-1-G18-0L10H-A4P
542248 VPPM-6F-L-1-F-0L2H-A4N
542249 VPPM-6F-L-1-F-0L6H-A4N
558340 VPPM-6F-L-1-F-0L6H-A4P-C1
571282 VPPM-8F-L-1-F-0L6H-A4P
542250 VPPM-6F-L-1-F-0L10H-A4N
571299 VPPM-8L-L-1-G14-0L6H-A4P
542230 VPPM-6L-L-1-G18-0L2H-A4N-S1
542231 VPPM-6L-L-1-G18-0L6H-A4N-S1
554041 VPPM-6L-L-1-G18-0L6H-A4P-S1
575128 VPPM-6L-L-1-G18-0L6H-A4P-S1C1
542232 VPPM-6L-L-1-G18-0L10H-A4N-S1
554042 VPPM-6L-L-1-G18-0L10H-A4P-S1
558336 VPPM-6L-L-1-G18-0L10H-A4P-S1C1
542242 VPPM-6F-L-1-F-0L2H-A4N-S1
542243 VPPM-6F-L-1-F-0L6H-A4N-S1
571283 VPPM-8F-L-1-F-0L6H-A4P-S1
571284 VPPM-8F-L-1-F-0L6H-A4P-S1C1
542244 VPPM-6F-L-1-F-0L10H-A4N-S1
571288 VPPM-8L-L-1-G14-0L10H-A4N-S1
571289 VPPM-8L-L-1-G14-0L10H-A4P-S1
571290 VPPM-8L-L-1-G14-0L10H-A4P-S1C1
571302 VPPM-8L-L-1-G14-0L6H-A4N-S1
571303 VPPM-8L-L-1-G14-0L6H-A4N-S1C1
571300 VPPM-8L-L-1-G14-0L6H-A4P-S1
571301 VPPM-8L-L-1-G14-0L6H-A4P-S1C1
575232 VPPM-12L-L-1-G12-0L10H-A4N-S1
575233 VPPM-12L-L-1-G12-0L10H-A4P-S1
575234 VPPM-12L-L-1-G12-0L10H-A4P-S1C1
575242 VPPM-12L-L-1-G12-0L6H-A4P-S1
575243 VPPM-12L-L-1-G12-0L6H-A4P-S1C1
575244 VPPM-12L-L-1-G12-0L6H-A4N-S1
575245 VPPM-12L-L-1-G12-0L6H-A4N-S1C1
542220 VPPM-6TA-L-1-F-0L2H
572410 VPPM-8TA-L-1-F-0L2H-C1
542221 VPPM-6TA-L-1-F-0L6H
572411 VPPM-8TA-L-1-F-0L6H-C1
542222 VPPM-6TA-L-1-F-0L10H
572412 VPPM-8TA-L-1-F-0L10H-C1
542217 VPPM-6TA-L-1-F-0L2H-S1
572407 VPPM-8TA-L-1-F-0L2H-S1C1
542218 VPPM-6TA-L-1-F-0L6H-S1
572408 VPPM-8TA-L-1-F-0L6H-S1C1
542219 VPPM-6TA-L-1-F-0L10H-S1
572409 VPPM-8TA-L-1-F-0L10H-S1C1
我司主营品牌:
一、气动元件:
德国品牌:德国宝德burkert电磁阀,德国festo费斯托气动元件,英国海隆诺冠
日本品牌:日本SMC气动元件,日本CKD喜开理气动元件,日本小金井气动元件
意大利品牌:意大利UNIVER意大利康茂盛
美国品牌:美国ROSS美国ASCO电磁阀,美国MAC电磁阀
台湾:台湾MINDMAN金器,台湾AIRTAC亚德客
二、工控产品
德国品牌:德国PILZ皮尔兹继电器,德国IFM易福门传感器,德国海德汉HEIDENHAIN德国P+F倍加福传感器,德国RENCON编码器,德国施克SICK德国TURCK图尔克,德国HIRSCHMANN赫斯曼工业交换机。德国亨士乐,德国MURR穆尔,德国金钟默勒
日本品牌:日本欧姆龙OMRON传感器,日本神视SUNX基恩士,日本奥普士,日本SUMTAK盛太克编码器,日本内密控编码器
美国品牌:巴士德BARKSDALE
三、液压元件
美国品牌:美国NUMATICS纽曼蒂克,美国PARKER派克气动液压,美国VICKERS威格士,美MOOG穆格,美国FAIRCHILD美国POSEMOUNT罗斯蒙特,美国艾默生EMERSON美国哈希HACH美国丹尼逊液压元件,美国克力帕
德国品牌:德国HAWE哈威,德国REXROTH力士乐,德国HYDAC贺德克,德国E+H,德国博力谋BELIMO
日本品牌:日本油研YUKEN,日本不二越NACHI,日本黑田精工,日本丰兴TOYOOKI,日本大金液压DAIKIN,日本东机美
意大利:意大利ATOS阿托斯
更多品牌欢迎来电咨询,我们将竭诚为您服务。
:叶小姐
手 机:
电 话:0
传 真:0
Q Q: 3271352537
邮 箱:3271352537@qq.com
地址:东莞市南城区莞太路12号中兴大厦510室
FESTO比例压力阀VPPM,费斯托()有限公司本页产品地址:http://www.geilan.com/sell/show-6768566.html