产品简介
本产品可显示各种字符及图形,具有与80系列或68系列相适配的8位标准数据总线、6条控制线MPU接口功能,并有专用的指令集,可完成文本显示或图形显示的功能设置。
公司简介
深圳市金马鼎电子有限公司在2011年成立,是一家集研发、设计、生产、销售和服务为一体的液晶模块(LCM)生产企业。公司凭借多年的丰富行业经验和强大的实力,为广大客户提供标准品和非标准品(客户定制品),产品涉及图形点阵、字符点阵、段码三大类型,涵盖HTN、STN、FSTN三种模式,融合SMT、TAB(TCP)、COG、COF、COB等结构形式。 公司拥有强大的研发和管理队伍,完善的质量管理体系。确保能够满足客户从咨询、设计、制造、销售等全方位的服务和专业的技术支持。产品具有抗干扰能力强、温度范围宽、对比度强、亮度高等特点,广泛应用于电力、医疗、金融、安防、仪器仪表、数控设备等工业控制终端显示领域和国防、航天等恶劣环境的特殊显示。
金马鼎经过多年不懈的探索和创新,公司在液晶模组LCM设备及触摸屏TP设备行业已达领先水平,同时为客户提供一整套适用的生产工艺流程和生产设备方案,并且提供完善的售后服务,不断提高每位生产商的生产技术和降低厂商的生产成本!
本公司主要产品:320240液晶屏、240128液晶屏、24064液晶屏、160128液晶屏、19264液晶屏等屏种繁多
金马鼎将一如既往,以优质的产品、合理的价格、竭诚的服务,热情忠实地与新老客户合作,分享发展机遇,共创美好明天!
展开
产品说明
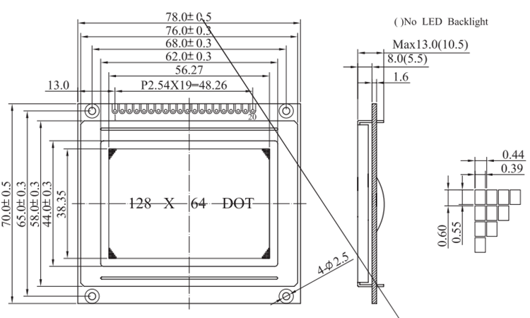
点阵数: 128列×64行点数
型 号:JMD12864D
外型尺寸:78.0×70.0×12.5mm
视域尺寸:62.0×44.0mm
点阵大小:0.39×0.55
显示模式: 蓝屏/STN/正显/半透
背 光:白光
接 口:并口
工作温度:-20~+70℃
储存温度:-30~+80℃
控制驱动器:NT7108
IC封装方式: COB
驱动电压:5V/3.3V
产品特点:
本产品可显示各种字符及图形,具有与80系列或68系列相适配的8位标准数据总线、6条控制线MPU接口功能,并有专用的指令集,可完成文本显示或图形显示的功能设置。
产品具有抗干扰能力强、温度范围宽、对比度强、亮度高等特点,广泛应用于电力、医疗、金融、安防、仪器仪表、数控设备等工业控制终端显示领域和国防、航天等恶劣环境的特殊显示。
产品图片:


本页产品地址:http://www.geilan.com/sell/show-6422870.html