| 提交询价信息 |
| 发布紧急求购 |
价格:电议
所在地:江苏 淮安市
型号:TD-LDE
更新时间:2023-12-09
浏览次数:891
公司地址:江苏 - 淮安
![]()
王学康(先生) 经理
江苏通达仪表有限公司
是一家专业生产玻璃钢、不锈钢巴氏计量槽、超声波明渠流量计、流速仪、多普勒流速仪、电磁流速仪、雷达电波流速仪、超声波测深仪、超声波流量计、电磁流量计、涡街流量计、涡轮流量计、超声波液位计、磁翻板液位计、投入式液位计等厂家。
欢迎广大客户来电咨询,来公司考察!!!
流量计哪里有专业加工生产厂家? 淮安通达仪表科技有限公司销售的流量计质量好、信誉高,价格很优惠!
网址:http://www.tongdayb.com
Q Q:2039668204
商务热线:0
概述
LD型电磁流量计是基于法拉第电磁感应定律 ,采用技术研制开发的智能仪表,其中文电磁转换器内核采用高速中央处理器,计算机速度快、度高、测量性能。磁场稳定,特殊的磁路结构,使其具有很强的抗外来干扰性能,广泛用于化工、电力、冶矿、石油、排污、医疗、食品等行业的导电液体的测量与控制。
产品特点
◆测量不受流体密度、粘度、温度、压力和电导率变化的影响;
◆测量管内无阻碍流动部件,无压损,直管段要求较低;
◆系列公称通径DN10~DN600。传感器衬里和电材料有多种选择;
◆转换器采用新颖励磁方式,功耗低、零点稳定、度高。流量范围度可达150:1;
◆转换器可与传感器组成一体型或分体型;
◆转换器采用1 6位高性能微处理器,2X16LCD显示,参数设定方便,编程;
◆流量计为双向测量系统,内装三个积算器:正向总量、反向总量及差值总量;可显示正、反向流量 ,并具有多种输出:电流、脉冲、数字通讯、HART;
◆转换器采用表面安装技术(SMT),具有自检和自诊断功能;
◆橡胶和聚氨酯衬里传感器为本质沉浸结构;
◆防爆型仪表可用于相应的防爆场所;
技术指标
◆口径
四氟衬里口径: DN10(F46) DN15(F46) DN15~DN600
橡胶衬里口径: 40 50 65 80 100 125 150 200 250
300 350 400 500 600
◆公称压力 DN10~50 ≤PN4.0MPa
DN65~150 ≤PN1.6MPa
DN200~600 ≤PN1.0MPa
◆环境温度
传感器:-25℃~+60℃
转换器及一体型:-10℃~+60℃
流体的zui高温度 分离型 一体型
聚四氟乙烯
橡胶
F46
PFA
◆流动方向:正向、反向及差值总量
◆流量测量范围:对应流速 0.3~1.5m/s的流量为0.0283~15200m³/h
◆量程比:150:1
◆度等级:1.0级 0.5级
◆电导率范围:≥5μs/cm(一般200~800ms/cm)
◆电材料:316L、Ti、钽(Ta)、哈氏合金、铂、涂覆碳化钨
◆电源:85~265V,45~63Hz
◆脉冲频率:0~1KHz,光电隔离OCT,外接电源≤35V,导电时,及电zui大电流为25mA
◆防护等级:IP65,潜水型IP68
◆连接方式:法兰连接,采用HG20592~2009标准(碳钢、不锈钢)
◆直管段:前直管段≥10D
后直管段≥5D ◆消耗总功率:<20W
流量范围
|
通径(mm) |
10 |
15 |
20 |
25 |
32 |
40 |
50 |
|
Qmin(m³/h) |
0.028 |
0.064 |
0.120 |
0.176 |
0.290 |
0.452 |
0.700 |
|
Qmax(m³/h) |
4.240 |
9.540 |
16.960 |
26.500 |
43.420 |
67.850 |
106.000 |
|
通径(mm) |
65 |
80 |
100 |
125 |
150 |
200 |
250 |
|
Qmin(m³/h) |
1.190 |
1.800 |
2.280 |
4.41 |
6.360 |
11.300 |
17.600 |
|
Qmax(m³/h) |
179 |
271.000 |
424 |
662.000 |
954.000 |
2650 |
2650 |
|
通径(mm) |
300 |
350 |
400 |
450 |
500 |
550 |
600 |
|
Qmin(m³/h) |
25.400 |
34.600 |
45.200 |
57.200 |
77.600 |
85.800 |
101.000 |
|
Qmax(m³/h) |
3810 |
5190 |
6780 |
8570 |
10600 |
12800 |
15200 |
注:流量计使用流速在0.3~15m/s范围内,此时流量计口径选择与用户口径一致,使用流速低于0.3m/s时,
在仪表前部提高流速再使用。
|
流速-流量对照表 |
|||||||
|
流量 |
0.01 |
1 |
2 |
3 |
4 |
5 |
15(zui大) |
|
15 |
0.064 |
0.6362 |
1.2723 |
1.9085 |
2.5447 |
3.1809 |
95426 |
|
20 |
0.0113 |
1.1310 |
2.2619 |
3.3929 |
4.5239 |
5.6549 |
169646 |
|
25 |
0.0177 |
1.7671 |
3.5343 |
5.3014 |
7.0686 |
8.8357 |
265072 |
|
40 |
0.0452 |
4.5239 |
9.0478 |
13.5717 |
18.0956 |
22.6195 |
67.8584 |
|
50 |
0.0707 |
7.0686 |
14.1372 |
21.2058 |
28.2743 |
35.3429 |
106.0288 |
|
65 |
0.1195 |
11.9459 |
23.8918 |
35.8377 |
47.7836 |
59.7295 |
179.1886 |
|
80 |
0.1810 |
18.0956 |
36.1911 |
54.2867 |
72.3823 |
90.4779 |
271.4336 |
|
100 |
0.2827 |
28.2743 |
56.5487 |
84.8230 |
113.0973 |
141.3717 |
424.1150 |
|
150 |
0.6362 |
63.6173 |
127.2345 |
190.8518 |
254.4690 |
318.0863 |
954.2588 |
|
200 |
1.1310 |
113.0973 |
226.1947 |
339.2920 |
452.3893 |
565.4867 |
1696.4600 |
|
250 |
1.7671 |
176.7146 |
363.4292 |
530.1438 |
706.8583 |
883.5729 |
2650.7188 |
|
300 |
2.5447 |
254.4690 |
508.9380 |
763.4070 |
1017.8760 |
1272.3450 |
3817.0351 |
|
350 |
3.4636 |
346.3606 |
692.7212 |
1039.0818 |
1385.4424 |
1731.8030 |
5195.4089 |
|
400 |
4.5239 |
452.3893 |
904.7787 |
1357.1680 |
1809.5574 |
2261.9467 |
6785.8401 |
|
450 |
5.7256 |
572.5553 |
1145.1105 |
1717.6658 |
2290.2210 |
2862.7763 |
8588.3289 |
|
500 |
7.0686 |
706.8583 |
1413.7167 |
2120.5750 |
2827.4334 |
3534.2917 |
10602.8752 |
|
600 |
10.1788 |
1017.8760 |
2035.7520 |
3053.6281 |
4071.5041 |
5089.3810 |
15268.1403 |
|
700 |
13.8544 |
1385.4424 |
2770.8847 |
4156.3271 |
5541.7694 |
6927.2118 |
20781.6354 |
|
800 |
18.0956 |
1809.5574 |
3619.1147 |
5428.6721 |
7238.2295 |
9047.7868 |
27143.3605 |
|
900 |
22.9022 |
2290.2210 |
4580.4421 |
6870.6631 |
9160.8842 |
11451.1052 |
34353.3157 |
|
1000 |
28.2743 |
2827.4334 |
5654.8668 |
8482.3002 |
11309.7336 |
14137.1669 |
42411.5008 |
|
1200 |
40.7150 |
4071.5041 |
8143.0082 |
12214.5122 |
16286.0163 |
20357.5204 |
61072.5612 |
|
1400 |
55.4177 |
5541.7694 |
11083.5389 |
16625.3083 |
22167.0778 |
27708.8472 |
83126.5416 |
|
1600 |
72.3823 |
7238.2295 |
14476.4589 |
21714.6884 |
28952.9179 |
36191.1474 |
108573.4421 |
|
1800 |
91.6088 |
9160.8842 |
18321.7684 |
27482.6525 |
36643.5367 |
45804.4209 |
137413.2627 |
|
2000 |
113.0973 |
11309.7336 |
22619.4671 |
33929.2007 |
45238.9342 |
56548.6678 |
169646.0033 |
|
2200 |
136.8478 |
13684.7776 |
27369.5552 |
41054.3328 |
54739.1104 |
68423.8880 |
205217.6640 |
|
2400 |
162.8602 |
16286.0163 |
32572.0326 |
48858.0490 |
65144.0653 |
81430.0816 |
244290.2448 |
|
2600 |
191.1343 |
19113.4268 |
38226.8536 |
57340.2804 |
76453.7072 |
95567.1340 |
286701.4020 |
产品选型

选型原则
被测流体必须是导电性的液体或浆液,其电导率不小于5 μs/cm,被测流体不应含较多的铁磁性物质或气泡,应根据被测流体的特性选择合适的压力等级、衬里材料、电材料及仪表结构形式。
通径的选择
1.因LD电磁流量计具备150:1高范围度,通常选择仪表口径与工艺管道相同。
2.若被测介质含固体颗粒,推荐的流速范围为1~3m/s,如实际流速过大,又不便改的,可选仪表通径大于工艺管道通径,以适当减小流量计测量管段的流体流速,减轻颗粒对电和衬里的磨损。
3.若工艺管道中可能有沉积物,推荐流速为2~5m/s,如实际流速过小,又不便改工艺管道的,可选仪表通径小于工艺管道通径,以适当增大流量计的流体流速,避免沉积物对仪表度的影响。
4.在流速太小而又要求高度计量的,可选小于工艺管道通径的传感器,使流速变大,较高度。
上述2、3、4项情况,流量计上、下游须装异径管。异径管中心锥角应不大于15°,且异径管上游至少有5倍工艺管道直径的直管段。
为帮助选型,下表列出了几个具有代表性流速对应的流量。任何流量对应流速也可快捷地利用本表算出:若已知流量值Q(m³/h),再由表中查出相应通径下1m/s流速对应流量值Q1,则:对应流速V=Q/Q1(m/s)。
衬里材料的选择
|
衬里材料 |
主要性能 |
适用范围 |
|
聚四氟乙烯 |
1. 它是塑料中化学性能稳定的一种材料;能耐 2. 沸腾的盐酸、硫酸、硝酸和王水,也能耐浓 3. 碱和各种有机溶剂,不耐三氧化氯、高温三 4. 氟化氧、高流速液氟、液氧、臭氧的腐蚀。 |
1.100℃、150℃(特殊订货) |
|
聚氯丁橡胶 |
1.有的弹性,高度的扯断力,耐磨性能好。 |
1.80℃、120℃(特殊订货) |
|
聚氨酯橡胶 |
1.有的耐磨性(相对于天然橡胶的十倍) |
1.<80℃ |
电材料的选择
|
电材料 |
耐蚀性能 |
|
含钼不锈钢 |
用于工业用水、生活用水、污水,具有弱腐蚀性的介质,可广泛用于石油、化工、尿素、维尼纶等工业。 |
|
不锈钢涂覆碳化钨 |
用于无腐蚀性,强磨损性介质。 |
|
哈氏合金B(HB) |
对沸点以下一切浓度的盐酸有良好的耐蚀性,也耐硫酸、磷酸、氢氟酸、有机酸等非氧化性酸、碱、非氧化盐液的腐蚀。 |
|
哈氏合金C(HC) |
能耐氧化性酸,如硝酸、混酸或铬酸与硫酸的混合介质的腐蚀,也耐氧化性的盐类如Fe+++、Cu++或含其他氧化剂的腐蚀.如高于常温的次酸盐溶液、海水的腐蚀。 |
|
钛(Ti) |
能耐海水、各种氯化物和次氯酸盐、氧化性酸(包括发烟硝酸)、有机酸、碱等的腐蚀、不耐较纯的还原性酸(如硫酸、盐酸)的腐蚀。但如果酸中含有氧化剂 |
|
钽(Ta) |
具有优良的耐腐蚀性,和玻璃很相似。除了氢氟酸、发烟硝酸、碱外,几乎能耐一切化学介质(包括盐酸、硝酸、硫酸和王水)的腐蚀。 |
|
铂铱合金 |
几乎适用于所有化学物质,但不适用于王水和铵盐。 |
由于介质种类繁多,其腐蚀性又受温度、浓度、流速等复杂因素影响而变化,故以上两表仅供参考。
用户应根据实际情况自己做出选择,必要时应作模拟材料的耐腐试验,如挂片实验。
衬里保护法兰和接地法兰的选用
|
法兰种类 |
适用范围 |
|
接地法兰(接地环) |
适用于非导电管道,如塑料管道。但衬里聚四氟乙烯的传感器不需要。 |
|
进口保护法兰 |
当介质有强磨损性时选用,常与聚氨酯衬里配合使用,但衬里为聚四氟乙烯的传感器 |
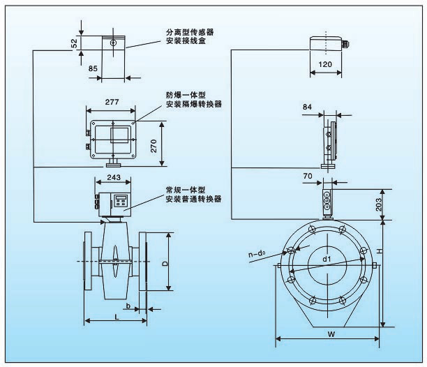
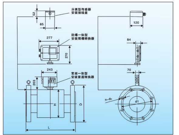
外形尺寸
DN15~150 1.6MPa、4.0MPa传感器和一体式外形图

|
公称/ 通径/ DN |
L |
W |
H |
参考重量(kg) |
|
|
一体型 |
传感器 |
||||
|
15 |
200 |
140 |
174 |
10 |
7 |
|
20 |
200 |
140 |
174 |
12 |
9 |
|
25 |
200 |
140 |
174 |
14 |
11 |
|
32 |
200 |
168 |
210 |
15 |
12 |
|
40 |
200 |
176 |
210 |
16 |
13 |
|
50 |
200 |
176 |
210 |
17 |
14 |
|
65 |
200 |
214 |
250 |
25 |
22 |
|
80 |
200 |
214 |
250 |
29 |
26 |
|
100 |
250 |
230 |
312 |
31 |
28 |
|
125 |
250 |
281 |
370 |
36 |
33 |
|
150 |
300 |
281 |
370 |
41 |
38 |
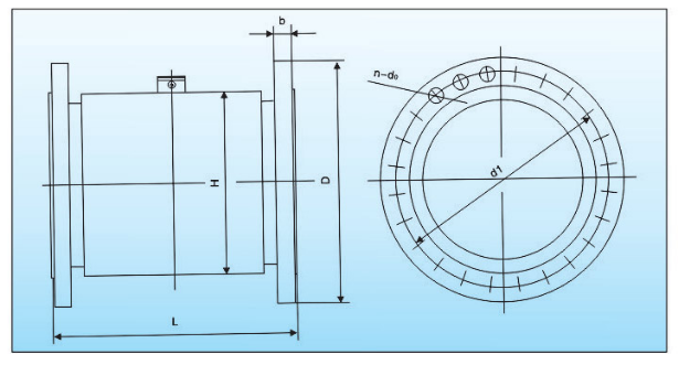
法兰尺寸(标准:GB/T9119)
|
公称 |
压力1.6MPa |
压力4.0MPa |
||||||||
|
D |
d1 |
d0 |
n |
b |
D |
d1 |
d0 |
n |
b |
|
|
15 |
95 |
65 |
14 |
4 |
16 |
95 |
65 |
14 |
4 |
16 |
|
20 |
105 |
75 |
14 |
4 |
18 |
105 |
75 |
14 |
4 |
18 |
|
25 |
115 |
85 |
14 |
4 |
18 |
115 |
85 |
14 |
4 |
18 |
|
32 |
140 |
100 |
18 |
4 |
18 |
140 |
100 |
18 |
4 |
18 |
|
40 |
150 |
110 |
18 |
4 |
20 |
150 |
110 |
18 |
4 |
20 |
|
50 |
165 |
125 |
18 |
4 |
20 |
165 |
125 |
18 |
4 |
20 |
|
65 |
185 |
145 |
18 |
4 |
20 |
185 |
145 |
18 |
4 |
22 |
|
80 |
200 |
160 |
18 |
8 |
22 |
200 |
160 |
18 |
8 |
22 |
|
100 |
220 |
180 |
18 |
8 |
22 |
235 |
190 |
22 |
8 |
26 |
|
125 |
250 |
210 |
18 |
8 |
22 |
170 |
220 |
26 |
8 |
26 |
|
150 |
285 |
240 |
22 |
8 |
24 |
300 |
250 |
26 |
8 |
28 |
DN200~DN600,1.0\1.6M pa传感器和一体型外形图
外形尺寸和重量
|
公称/ 通径/ DN |
L |
Hφ~ |
参考重量Kg |
|
200 |
300 |
310 |
45 |
|
250 |
450 |
358 |
50 |
|
300 |
450 |
410 |
60 |
|
350 |
500 |
465 |
145 |
|
400 |
500 |
515 |
180 |
|
450 |
550 |
564 |
215 |
|
500 |
550 |
614 |
245 |
|
600 |
600 |
722 |
335 |
法兰尺寸
|
公称/ 通径/DN |
压力1.6MPa |
压力4.0MPa |
||||||||
|
D |
d1 |
d0 |
n |
b |
D |
d1 |
D0 |
n |
b |
|
|
200 |
340 |
295 |
22 |
12 |
26 |
340 |
295 |
22 |
8 |
24 |
|
250 |
405 |
355 |
26 |
12 |
28 |
395 |
350 |
22 |
12 |
26 |
|
300 |
460 |
410 |
26 |
12 |
32 |
445 |
400 |
22 |
12 |
28 |
|
350 |
520 |
470 |
26 |
16 |
35 |
505 |
460 |
22 |
16 |
30 |
|
400 |
580 |
525 |
30 |
16 |
38 |
565 |
515 |
26 |
16 |
32 |
|
450 |
640 |
585 |
30 |
20 |
42 |
615 |
565 |
26 |
20 |
35 |
|
500 |
715 |
650 |
33 |
20 |
46 |
670 |
620 |
26 |
20 |
38 |
|
600 |
840 |
770 |
36 |
20 |
52 |
780 |
725 |
30 |
20 |
42 |
DN700~DN3000,0.6、1.0MPa传感器外形
注:1.DN700~DN3000无一体型; 2.DN700~DN1600分离防爆型传感器外形和常规仪表相同。
外形尺寸和重量
|
公称/ 通径/DN |
L |
Hφ~ |
参考重量Kg |
|
700 |
700 |
836 |
435 |
|
800 |
800 |
936 |
545 |
|
900 |
900 |
1036 |
655 |
|
1000 |
1000 |
1136 |
810 |
|
1200 |
1200 |
1336 |
875 |
|
1400 |
1400 |
1536 |
1235 |
|
1600 |
1600 |
1736 |
1555 |
|
1800 |
1800 |
1960 |
2085 |
|
2000 |
2000 |
2160 |
2610 |
|
2200 |
2200 |
2364 |
免责声明:以上所展示的[TD-LDE TD-LD氟硅酸电磁流量计厂家直销]信息由会员[江苏通达仪表有限公司]自行提供,内容的真实性、准确性和合法性由发布会员负责。