| 提交询价信息 |
| 发布紧急求购 |
价格:电议
所在地:江苏 淮安市
型号:TDCSB-1500
更新时间:2023-12-09
浏览次数:1555
公司地址:江苏 - 淮安
![]()
王学康(先生) 经理
江苏通达仪表有限公司
是一家专业生产玻璃钢、不锈钢巴氏计量槽、超声波明渠流量计、流速仪、多普勒流速仪、电磁流速仪、雷达电波流速仪、超声波测深仪、超声波流量计、电磁流量计、涡街流量计、涡轮流量计、超声波液位计、磁翻板液位计、投入式液位计等厂家。
欢迎广大客户来电咨询,来公司考察!!!


淮安通达仪表科技有限公司
是一家专业生产玻璃钢、不锈钢巴歇尔槽、超声波明渠流量计、流速仪、流速流量仪、流速测算仪、流速测量仪、流速流量测算仪、流速流量测量仪、多普勒流速仪、电磁流速仪、雷达电波流速仪、超声波流量计、超声波测深仪、流量计等厂家。
欢迎广大客户来电咨询,来公司考察!!!
:李 阳
电 话:0
传 真:0
手 机:
Q Q: 1208117607
网 址:http://www.tongdayb.com
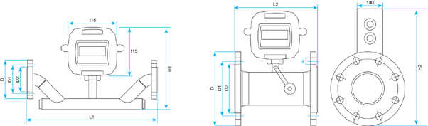
一体式超声波流量计避免了外缚式和插入式传感器在安装过程中由于人为和管道因素产生的误差。具有度高、量程比宽、无压力损失、安装简单等优点。
·技术参数
*测量度:优于1%,重复性:优于0.2%
* 测量周期:500ms (每秒2次,每个周期采集128组数据)
* 工作电源:隔离DC8~36V或AC85~264V可选
* zui大流速:64m/s(流速分辨率0.001m/s)
* 显 示:2×10汉字背光显示器(中英文双语可选择)
* 操 作:磁性4按键窗口化操作
* 信号输入:◇3路4-20mA模拟输入,度0.1%,可输入压力、液位、温度等信号
◇2路三线制PT100铂电阻
* 信号输出:◇1路隔离RS485输出
◇1路隔离OCT (脉冲宽度6~1000ms之间可编程,默认200ms)
◇1路继电器输出 (脉冲宽度200ms )
◇1路4-20mA输出 (有源/无源输出可选)
◇1路双向串行外设通用接口,可直接通过串联的形式连接多个外部设备(如海量数据存贮模块等)
* 通讯协议:MODBUS协议,M-BUS协议,海峰FUJI扩展协议,并兼容其它厂家同类产品的通讯协议
* 连接方式:法兰式/活接式(卫生型)可选
* 其它功能:◇自动记忆前512天,前128个月,前10年正/负/净累积流量
◇自动记忆前30次上、断电时间和流量并可实现自动或手动补加可通过MODBUS协议读出
◇可通过E-mail传送来的代码文件实现软件升级
* 断电保护:断电10万小时数据不丢失
* 防护等级:IP68
* 电气接口:M16×1.5
传感器参数
|
|
|||||||||||||||||||||||||||||||||||||||||||||||||||||||||||||||||||||||||||||||||||||||||||||||||||||||||||||||||||||||||||||||||||||||||||||||||||||||||||||||||||||||||||||||||||||||||||||||||||||||||||||||||||||||||||||||||||||||||
·选型编码
A B C D E F G H I J K L
JN-100Y — □ — □ — □ — □ — □ — □ — □ — □ — □ — □ — □
|
字 母 |
参数 |
选 项 |
|
A |
主机类型 |
F1 分体壁挂型 F2 分体防爆式 F3 分体盘装型 F4 分体变送型 |
|
Y 一体式(本地磁性四按键可操作设参) W 水表(电池供电,磁性键可浏览窗口) |
||
|
M1 模块型(本地四按键可操作设参) M2模块型(本地单按键可浏览窗口) |
||
|
S1 经济型(本地磁性四按键可操作设参) |
||
|
B |
工作电源 |
A 交流(85-264VAC) B 电池(3.6V锂电池) D 直流(24V/8-36VDC) |
|
C |
热量功能 |
N 无 Y 有 |
|
D |
传感器类型 |
B1 标准S1型 B2标准M1型 B3标准L1型 B4高温S1H型 B5高温M1H型 |
|
C1 标准插入式 C2 水泥插入式 C3 水表插入式 |
||
|
G1 标准管段式(法兰连接) G2 卫生管段式(活接连接) |
||
|
E |
测量管径 |
DN(mm)_____ |
|
F |
管道材质 |
0 碳钢 1不锈钢 2 铸铁 4 玻璃钢 4 PVC 5 水泥 |
|
G |
公称压力 |
_____MPa |
|
H |
流量累积单位 |
M 立方米 L 升 |
|
zui小读数(水表) |
1 (m3) 0.1 (0.1m3) 0.01 (0.01m3) 0.001 (L) 0.0001 (0.1L) |
|
|
I |
热量累积单位 |
K Kc(千卡) G GJ (吉焦) B BTU(国外适用) |
|
J |
信号输出 |
N 无输出 A 4-20mA F 频率输出 R 脉冲输出 4 RS485输出 |
|
K |
信号输入 |
N 无输入 1 1路4-20mA输入 2 2路4-20mA输入 3 3路4-20mA输入 |
|
L |
单根电缆长度 |
_____米(分体管段式传感器为单根四芯电缆,其余传感器为双根两芯电缆) |
举例说明:JN-100Y-A-Y-G1-300-0-1.6-1-G-N-N
解 释:一体式超声波热量计,交流供电,DN300管段式,碳钢材质,压力1.6MPa,流量累积单位立方米,热量累积单位吉焦,无输入输出。
免责声明:以上所展示的[TDCSB-1500 TDCSB-1500一体式超声波流量计厂家直销]信息由会员[江苏通达仪表有限公司]自行提供,内容的真实性、准确性和合法性由发布会员负责。