提交询价信息
发布紧急求购
您好,欢迎来到给览网!手机版|本站服务|添加收藏|帮助中心
您所在的位置: 给览网 » 供应 » 行业专用仪器 » 电力检测 » ZN23-40.5 ZN23-40.5CT户内高压真空断路器

ZN23-40.5 ZN23-40.5CT户内高压真空断路器

上海祝捷电气科技有限公司
会员指数: 企业认证:

价格:电议

所在地:上海

型号:ZN23-40.5

更新时间:2020-09-01

浏览次数:799

公司地址:浙江省温州市乐清市

周丹(女士) 经理 

产品简介

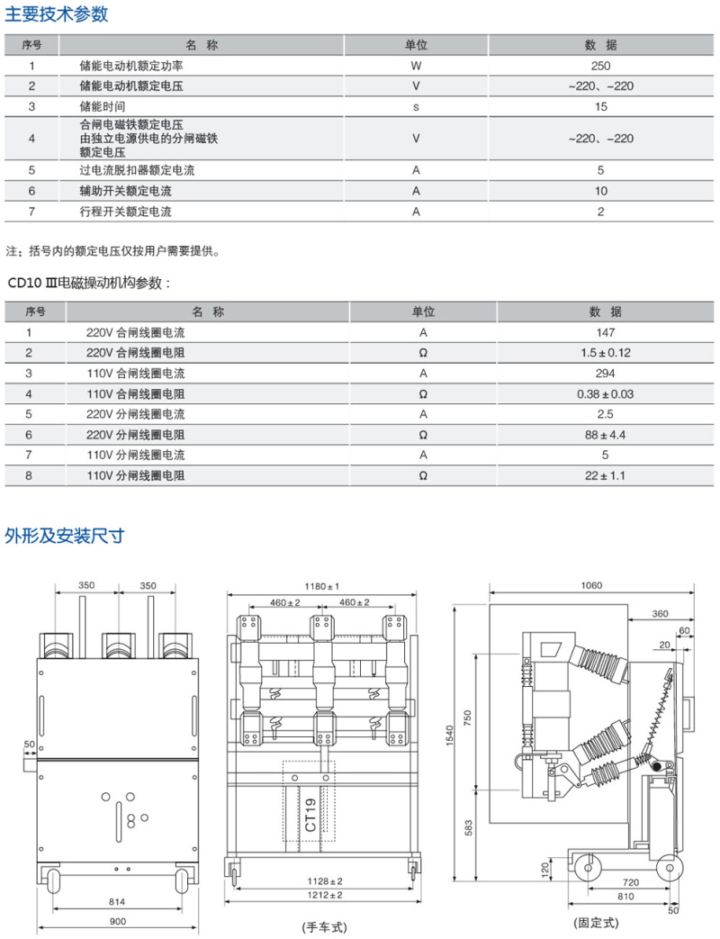
ZN23-40.5系列户内高压真空断路器是三相交流50HZ,额定电压40.5kv的户内配电装置,配有CT19BN型弹簧操动机构或CD10III型电磁操动机构。

公司简介

 

上海祝捷电气科技有限公司是一家专业从事电力设备制造生产的企业。企业创办以来,以拼搏奋发的精神,积极引进人才和科技,致力于冲压件的设计与开发,并将电力设备质量列为企业生存和发展目标。经过多年生产的技术累积和沉淀,打造出了一支团队,凝聚了多位模具工程师,他们正用丰富的技术和对产品质量的负责精神,对细节到每一件产品和服务之中。几年来,不断提电力设备生产工艺。

展开

产品说明

ZN23-40.5系列户内高压真空断路器是三相交流50HZ,额定电压40.5kv的户内配电装置,配有CT19BN型弹簧操动机构或CD10III型电磁操动机构。




售后服务承诺书
我公司本着优质、、发展的精神,以优质的产品、贴心的服务为理念,并公开、负责地向您郑重承诺如下:
1. 我厂出售的所有产品zui低保修期为一年,部分产品保修三年。保修期内上门维修(人为因素或不可抗拒的自然现象所
引起的故障或破坏除外)。
2. 在接到报修通知后,七个工作日内赶到现场并解决问题。
3. 用户可以通过售后咨询有关技术问题,并得到明确的解决方案。
4. 用户在正常使用中出现性能故障时,本公司承诺以上保修服务。除此以外,适用法律法规另有明确规定的,本公司将
遵照相关法律法规执行。
5. 在保修期内,以下情况将实行有偿维修服务;
(1)由于人为或不可抗拒的自然现象而发生的损坏。
(2)由于操作不当而造成的故障或损坏。
(3)由于对产品的改造、分解、组装而发生的故障或损坏。
由于我公司产品型号规格繁多,价格各不相同,请先咨询再订购,谢谢您的配合!量大更优!我公司以订购合同,请确认并
签,款到发货.一般付款两天内发出。图片仅供参考,请以实物为准。感谢您对我公司的支持!


本页产品地址:http://www.geilan.com/sell/show-5892042.html
免责声明:以上所展示的[ZN23-40.5 ZN23-40.5CT户内高压真空断路器]信息由会员[上海祝捷电气科技有限公司]自行提供,内容的真实性、准确性和合法性由发布会员负责。
[给览网]对此不承担任何责任。
友情提醒:为规避购买风险,建议您在购买相关产品前务必确认供应商资质及产品质量!

发布询价单

厂商其他产品

没有合适的产品?是否在线询价?
询价标题
联系人
电话
主要内容
验证码