| 提交询价信息 |
| 发布紧急求购 |
价格:电议
所在地:广东 深圳市
型号:JX-B300T
更新时间:2024-09-21
浏览次数:836
公司地址:深圳市光明新区公明街道将石路11号5楼501
![]()
刘先生(先生)
公司自2003年成立以来, 凭借先进的管理模式和强大的研发团队,创建公平有序的竞争环境,引进市场化竞争的考核机制,使公司产品在市场应用及竞争力不断得到领先。为更高效地服务市场,满足客户的需求.
公司对产品资源进行细化整合。形成了:传感器事业部;张力检测仪器、试验仪器事业部;自动控制系统开发部。传感器事业部主要研发测力传感器,产品从微量分析测试(0.01g)到大量程(1000t)应用的完整产品链。测量仪器、试验仪器事业部
主要产品有:航空张力计 线材张力仪 试验机,材料试验机,推拉力计,测试台,电动测试台,绳索张力仪,钢索张力测试仪,电梯钢丝绳拉力检测仪,玻璃幕墙拉索张紧力测试,铁路接触网弹性吊索张力检测仪,弹性吊索安装仪 各种称重测力传感器等。自动控制系统开发部主要针对传感器应用客户的解决方案及自控系统的开发和应用。
公司产品应用涉及如:工商业计量;工业测量、智能控制;输电线路,桥梁,建筑,铁路,油田,煤矿,港口码头等张力检测;起重安全控制;材料性能测试等。 公司本着服务至上、互利互惠、创造双赢的经营模式,你只需一通电话,我们就能提供产品技术服务、产品技术支持等完整的应用配套方案。 欢迎行业内外,新老客户一起携手共创更美好明天!
· 产品量程:0~15,20,30,50,100,150,200,300t
· 产品价格:电议
产品介绍
产品特点:
QLC系列测力显示器使用高速、的24位专用A/D转换器采集型号,使用高速单片机对信号进行运算处理,小巧的铝合金外壳,能有效的防止撞击和外界干扰。测力显示器配有RS-232通讯接口;具有捕捉瞬间的zui大值,设定上下限报警等功能,并且可以和各种量程的力传感器配套,用户可根据需要灵活选择,另外,产品内置镍氢可充电池,可以用于无外接电源场合,它是各种测力实验机理想的配套仪表。
传感器安装方式:外置
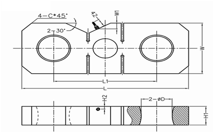
传感器外形尺寸:
10~150t:
对应尺寸:
|
量程(t) |
L |
L1 |
W |
W1 |
H1 |
H2 |
2-ΦD |
|
15、20、30 |
340 |
210 |
130 |
25 |
48 |
7 |
Φ63 |
|
50 |
620 |
438 |
171 |
25 |
47 |
11 |
Φ85.5 |
|
100、150 |
500 |
305 |
190 |
30 |
130 |
10 |
Φ97 |
200t:
300t:
技术参数:
|
额定载荷 Rated capacities(Emax) |
15,20,30,50,100,150,200,300t |
|
灵敏度Sensitivity |
2.0±0.002 mV/V |
|
综合误差 Total error |
±0.05 %F.S |
|
蠕变(30分钟)Creep error(30min) |
±0.02 %F.S |
|
零点平衡 Zero balance |
±1%F.S |
|
零点温度影响 TCO |
±0.02 %F.S/10℃ |
|
输出温度影响 TC SPAN |
±0.02 %F.S/10℃ |
|
输入阻抗 Input impedance |
400±20Ω(ohms) |
|
输出阻抗 Output impedance |
352±3Ω(ohms) |
|
缘电阻Insulation impedance |
≥5000MΩ |
|
温度补偿范围Temperature range,compensated |
-10℃~+40℃ |
|
工作温度范围 Temperature range,operating |
-30~+70℃ |
|
安全过载Maximum safe overload |
120 %F.S |
|
限过载Ultimate overload |
150 %F.S |
|
推荐激励电压Excitation,recommend |
10~12 V DC |
|
zui大激励电压Excitation maximum |
15 V DC |
|
密封等级 Protection Class |
IP67 |
|
材质 Construction |
合金钢Alloy Steel |
|
电缆 Cable |
Length3m Diameter:φ5mm |
免责声明:以上所展示的[JX-B300T 分体式拉力检测仪]信息由会员[深圳市金象源仪器设备有限公司]自行提供,内容的真实性、准确性和合法性由发布会员负责。