公司简介
淄博佰思通自控仪表有限公司专业设计、制造各类流体控制阀;公司在全体员工的努力和各大经销商、使用配套单位的大力支持下,有了较大发展。在全国中心城市基本已建立了销售网点和办事处,能为你提供售前售后服务。
公司同时授权代理三力信电磁阀、环工变送器、赛尔斯传感器,美国GC VALVES电磁阀、德国Muesen变送器,台湾Kimax执行器、电动阀等品牌。
公司机械设备精良、加工工艺先进、检测手段完备、员工业务素质良好,大专以上学历占全体员工的80%以上;我们的技术工程师可以为您进行特殊规格和新产品的开发设计、制造,技术咨询等服务。
“达则兼善天下,实则恒心如一”。公司将始终遵循自主创新和专业服务的方向,持续提升核心竞争力,为客户创造更大价值。
Zibo Stone Instrument Co.,Ltd. Specializes in designing and manufacturing all kinds of fluid control valves; The company has been developed greatly through the efforts from the staffs and great cooperation form the big distributors and related units. A lot of sales chain stores and offices have been established at the main cities in the whole country basically,which can provide you with services of before-sale and after-sale.
The company also authorized agent Sanlixin Solenoid Valve , Ring for transmitter , Saiersi sensor, the GC VALVES in USA , Muesen transmitter in Germany, Kimax actuators in TaiWan, Electric valve and so on brand.
The company has superior mechanical equipments,advanced processes,complete test methods,well business qualifications, especially technicians and administrative personnel being high education are occupied more than 80% in the staffs.Some specific and new products can be developed made,consulted about the techniques by our company if you have some requests.
“ To benefit all the people in the world,but in reality if perseverance”The company will always follow the independent innovation and professional services direction, continue to improve the core competence ,to create more value for customers.
展开
产品说明
| 产品型号:CS-20型 称重传感器 |
| |
产品图片:

材质:合金钢
|
| |
|
性能特点:
|
|
※ 一种新的防水改进压式传感器.具有高度低、密封性能、抗偏抗侧能力强的特点;
※ 承载连接采用钢球或SR球面结构。有较好的自动复位能力;
※ 用于料斗秤。地上衡等电子衡器及各种力值测量。有互换性好.安装使用方便的特点。
|
| |
| |
|
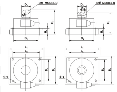
结构图:
|
| 量程\尺寸(mm) |
|
L1 |
L2 |
B1 |
B2 |
D1 |
D2 |
H1 |
H2 |
Φ |
SR(Depth) |
| 1t |
D |
90 |
70 |
90 |
70 |
Φ86 |
Φ30 |
90 |
20 |
4-Φ8.5 |
SR15 |
| S |
Φ35 |
82 |
SR17.5(Depth)10 |
| 2,3t |
D |
130 |
105 |
100 |
74 |
Φ94 |
Φ30 |
92 |
20 |
4-Φ11 |
SR15 |
| S |
Φ35 |
83 |
SR17.5(Depth)10 |
| 5t |
D |
146 |
116 |
116 |
87 |
Φ110 |
Φ40 |
102 |
25 |
4-Φ13 |
SR15 |
| S |
Φ50 |
100 |
SR27.5(Depth)12 |
| 10t |
D |
190 |
154 |
142 |
101 |
Φ135 |
Φ40 |
111 |
25 |
4-Φ13 |
SR30 |
| S |
Φ50 |
109 |
SR27.5(Depth)12 |
| 15,20t |
D |
220 |
180 |
170 |
130 |
Φ160 |
Φ40 |
118 |
27 |
4-Φ18.5 |
SR30 |
| S |
Φ65 |
119 |
SR35(Depth)15 |
|
| |
|
|
| 灵敏度 |
2.00~2.20mv/v |
| 非线性 |
±0.03~±0.05%FS |
| 滞后 |
±0.03~±0.05%FS |
| 重复性 |
0.02~0.03%FS |
| 蠕 变 |
±0.03~±0.05%FS/30min |
| 蠕变恢复 |
±0.03~±0.05%FS/30min |
| 零点输出 |
2%FS |
| 零点温度系数 |
0.03~0.05%FS/10℃ |
| 额定输出温度系数 |
0.03~0.05%FS/10℃ |
| 输出电阻 |
700Ω |
| 缘电阻 |
≥3000MΩ |
| 供桥电压 |
5~15V |
| 允许温度范围 |
-30~+60℃ |
| 允许过负荷 |
130%FS |
| 连接方式 |
input:Red(+)Yellow(-)
output:Blue(+)White(-) |
|
防护等级:IP66 |
本页产品地址:http://www.geilan.com/sell/show-503804.html