产品简介
LZB-系列玻璃转子流量计 LZB-系列玻璃转子流量计产品说明: LZB
公司简介
青岛新悦联智能科技有限公司是一家从事工业自动控制系统开发和仪器仪表等工控产品销售的高科技专业公司,公司人员有多年的工业自动控制和楼宇自动控制经验,技术力量雄厚。
主营:美国Gems、Setra、Dynisco、瑞士HUBA、韩国3S、意大利MAC3、珠海志美、广州SINO、浙江银环、金泰、德国BECK、IKA国内外知名品牌,生产厂家产品均通过ISO9001国际质量体系认证。
产品涉及压力、流量、称重、液位、光栅数显、控制仪表、实验室仪器、温湿度等自动化产品,我公司产品品种齐全、品质优良、供货及时,产品广泛应用于工业自动化、暖通空调、楼宇自控、石油、化工、冶金、电力、烟草、制药、水处理、环保、洁净工程、锅炉、压缩机、冷冻制冷设备、食品、纺织、包装、造纸、建筑、衡器、电子、五金、机械、生产过程检测与控制系统以及自动化生产线等领域。
我公司拥有专业的销售队伍及完善的售后服务体系,为您提供专业的项目设计和维护,从客户角度出发,为客户节省成本、提升效率、创造效益,使客户的业绩提升变为现实。我们坚持不懈地关注客户的需求,缩短与客户间的距离,通过帮助客户发展来促进自身的改进,为客户提供的帮助越多,我们感受到的快乐也就越多。因此我们赢得了广大用户的信任和支持,与国内众多的大中型企业建立了长期良好的合作关系。
青岛悦联将一路支持并伴随您的事业发展,以“品质第一,服务至上”为宗旨,为新老客户提供更优良、更值得信赖的产品以及更满意的服务。
我们将与您携手并进,共创佳绩!
展开
产品说明
| LZB-系列玻璃转子流量计 |
| LZB-系列玻璃转子流量计产品说明:
LZB-常规型玻璃转子流量计技术参数
|
型号
|
LZB-3
|
LZB-4
|
LZB-6
|
LZB-10
|
|
公称通径(mm)
|
¢3
|
¢4
|
¢6
|
¢10
|
|
测量范围
|
液体
l/h
|
2.5-25ml/min
|
1-10
|
★1-10
|
6-60
|
|
4-40 ml/min
|
1.6-16
|
★100-800 ml/min
|
10-100
|
|
6-60 ml/min
|
2.5-25
|
|
★10-80 ml/min
|
2.5-25
|
4-40
|
16-160
|
|
10-100ml/min
|
★3.6-36
|
6-60
|
★25-250
|
|
气体
M3/h
|
0.03-0.3 l/min
|
★0.2-2.5l/min
|
0.04-0.4
|
0.1-1
|
|
0.06-0.6 l/min
|
0.16-1.6
|
|
0.1-1 l/min
|
0.016-0.16
|
0.06-0.6
|
0.25-2.5
|
|
0.15-1.5 l/min
|
0.025-0.25
|
★1-10 l/min
|
★5-50 l/min
|
|
★0-100 l/h
|
0.04-0.4
|
0.1-1
|
★0.5-5 l/min
|
|
★0.3-3 l/h
|
|
|
★0.6-6
|
| |
|
|
★0.6-7
|
|
精度(+%)
|
4、6
|
2.5、4
|
2.5
|
2.5
|
|
工作压力(Mpa)
|
≤0.6
|
≤1
|
≤1
|
≤1
|
注:打★的流量为本公司开发的特殊流量
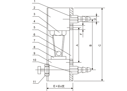
LZB-3.4.6.10的外形及安装尺寸
|
型号
|
A
|
B
|
C
|
D
|
E
|
F
|
|
LZB-3
|
|
116
|
136
|
Φ8
|
26x25
|
|
|
LZB-4
|
178
|
204
|
234
|
Φ9
|
39.5x34
|
2-M6
|
|
LZB-6
|
178
|
204
|
234
|
Φ9
|
39.5x34
|
2-M6
|
|
LZB-10
|
178
|
208
|
238
|
Φ12
|
39.5x34
|
2-M6
|
|
LZB玻璃转子流量计
本页产品地址:http://www.geilan.com/sell/show-440676.html

免责声明:以上所展示的[
LZB-4/6/10 LZB-系列玻璃转子流量计]信息由会员[
青岛悦联贸易有限公司]自行提供,内容的真实性、准确性和合法性由发布会员负责。
[给览网]对此不承担任何责任。
友情提醒:为规避购买风险,建议您在购买相关产品前务必确认供应商资质及产品质量!