提交询价信息
发布紧急求购
您好,欢迎来到给览网!手机版|本站服务|添加收藏|帮助中心
您所在的位置: 给览网 » 供应 » 工控仪表 » 压力仪表 » JY-160B3C 压力仪表

JY-160B3C 压力仪表

金湖金仪自动化仪表有限公司
会员指数: 企业认证:       

价格:电议

所在地:江苏 淮安市

型号:JY-160B3C

更新时间:2013-05-20

浏览次数:1081

公司地址:江苏省金湖县闵桥镇工业集中区

翟红玉(女士) 经理 

产品简介

产品型号:JY-160B3C    防爆电接点压力表系按GB3836.183《爆炸

公司简介


金湖金仪自动化仪表有限公司座落在美丽富饶的高邮湖畔,有“天下第一荷花”美称的鱼米之乡——江苏淮安市金湖境内,交通方便,东临京沪高速、西靠宁连高速、盐金线贯穿境内,是生产销售流量仪表、温度仪表、压力仪表、校验仪表的企业。企业生产的热工仪表、压力仪表、标准校验仪表、数控仪表、流量仪表广泛使用在石油、化工、电力、冶金、科研以及国防等行业的自动化控制过程中,深受用户欢迎。
  公司是专业的电磁流量计,涡街流量计,金属管浮子流量计,节流装置等流量仪表的生产销售企业,致力于流量计的研制、开发工作,博采众家所长,集合优势人才创造出更高端的流量计产品,超声波系列流量计也得到广大用户的充分认可。
  企业视信誉为生命,坚持全心全意为顾客服务的方针,通过多年来的项目实施,企业走出了一条科技创新的发展之路,不仅结识了众多科技合作伙伴,而且还培养了一批具有开拓创新的科技人才;产品的技术含量逐步提高,目前已具有与国际先进水平相竞争的能力。几年来的成功收获使金仪人更加体会到"科学技术是第一生产力"这一真缔。
      我们本着质量第一,服务第一,诚信第一的宗旨。愿与客户携手,与科技同行,以全新的营销策略,走向更广阔的市场。
展开

产品说明

产品型号:JY-160B3C
  
防爆电接点压力表系按GB3836.183《爆炸性环境用防爆电气设备通用要求》和GB3836.283《爆炸性环境用防爆电气设备 隔爆型电气设备“d"》的有关规定相关标准进行设计,并经由国家的检验机构所审批的图样和技术文件进行制造。
    仪表的防爆类别为II类隔爆型B级T4组,其标志为ExdIIBT4。
    仪表适宜在有爆炸危险的场所内用来测量非结晶、非凝固的爆炸混凝土合物或各种无爆炸性的介质压力。
    仪表经与具有相应防爆性能或采取相应安全措施的电气器件(如继电器及接触器等)配套使用,便能对被控系统实现自动控制和发信(报警)的目的。

 

主要技术指标

    精确度等级:1.6
    标度范围:0~0.16;0~0.25;0~0.4;0~0.6;0~1.0;0~1.6;0~2.5;0~4;0~6;0~10;0~16;0~25;0~40;0~60;
-0.1~0.06-0.1~0.15;-0.1~0.3;-0.1~0.5;-0.1~0.9;-0.1~1.5;-0.1~2.4MPa
    控制方式:上、下限缓行接点开关
    zui高工作电压:DC220C或AC380V
    触头功率:10VA
    工作位置:垂直安装
    使用环境条件:-10~50℃,相对湿度不大于80%,且爆炸性混合物应属IIB级T4组以下,工作振动和被测介质的急剧脉动应对仪表触头的可靠动作无影响。
    温度影响:示值不大于0.4%/10℃,设定点不大于0.6%/10℃(使用温度偏离20±5℃)
    绝缘强度:50Hz正弦交流电2000V历时一分钟
    重量:6kg
    ● 隔爆接合面型式及基本参数

外壳容积V(L)

>0.5

接合面型式 平面 圆筒(可动部份)
隔爆接合面的zui小有效长度Lmm 15
螺钉通孔边缘至隔爆接合面zui小有效长度L1 8
隔爆接合面zui大间隙功直径Wmm 0.15
隔爆接合面的表面粗糙度Ra
    :隔爆接合面的有效长度和间隙宽度的范例机参见隔爆外壳结构示意图
    ● 隔爆外壳及导压系统等零件和材质
零件名称 材料牌号或名称 零件名称 材料牌号或名称
驱壳盖 ZL102 薄垫圈 L3
出线盒 (或ZL-102,ZL-101) 接头 20
轴套 QAI9-2 弹簧管 3L53
观察窗 有机玻璃    
    :观察窗的材质其抗冲击强度不小于4J。
        观察窗一旦损坏,则不准使用。
结构原理
    仪表由隔爆外壳、测量系统、电接点组、调节装置和出线盒等组成。
    仪表的隔爆外壳具有良好的隔爆性能,因此对在正常工作过程中由于火花或电孤的影响,队了能承受壳体内部的爆炸性气体混合物在一旦引起爆炸时产生的爆炸压力外,并能有效地阻止由此产生的热能向外顺利传播,而只能在壳体内部沿着隔爆接合面的微小缝隙处缓慢地向外扩散。这时,传至壳体外部的瞬间温度已降低到爆炸性气体混合物的燃点温度以下,故不会导致传爆。
    仪表的工作原理是基于检测元件(测量系统中的弹簧管)的弹性变形,通过机械传动使之带动接点组中的触头产生相应的动作(闭合或断开)以使控压系统中的电路得以接通或断开,从而实现自动控制报警和现场指示的目的。


隔爆外壳结构示意图

  1、接头        2、驱壳        3、盖        4、表玻璃        5、调节柱        6、轴套
  7、弹簧圈      8、导电螺      9、绝缘套管  10、出线盒       11、密封垫圈     12、垫圈
  13、压紧螺栓   14、引入导线(四芯电缆)    15、圆柱头内六角螺钉              16、圆柱头内六角螺钉
  17、薄垫圈     18、调节杆

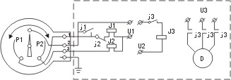
电气电路连接示意图

外形尺寸

单位:mm


本页产品地址:http://www.geilan.com/sell/show-3437.html
免责声明:以上所展示的[JY-160B3C 压力仪表]信息由会员[金湖金仪自动化仪表有限公司]自行提供,内容的真实性、准确性和合法性由发布会员负责。
[给览网]对此不承担任何责任。
友情提醒:为规避购买风险,建议您在购买相关产品前务必确认供应商资质及产品质量!

发布询价单

没有合适的产品?是否在线询价?
询价标题
联系人
电话
主要内容
验证码