产品简介
通常和显示仪表、记录仪表等配套使用。直接测量生产过程中的-200~500℃范围内液体、蒸汽和气体介质以及固体表面温度产品详细信
公司简介
广州汉川仪器仪表有限公司 经销批发的气体流量计、电磁流量计、涡街流量计、变送器,二次仪表、热电阻电隅畅销消费者市场,在消费者当中享有较高的地位,公司与多家零售商和代理商建立了长期稳定的合作关系。广州汉川仪器仪表有限公司经销的气体流量计、电磁流量计、涡街流量计、变送器,二次仪表、热电阻电隅品种齐全、价格合理。广州汉川仪器仪表有限公司实力雄厚,重信用、守合同、保证产品质量,以多品种经营特色和薄利多销的原则,赢得了广大客户的信任。
展开
产品说明
通常和显示仪表、记录仪表等配套使用。直接测量生产过程中的-200~500℃范围内液体、蒸汽和气体介质以及固体表面温度
产品详细信息
|
●压簧式感温元件,抗振性能好;
●测量度高;
●机械强度高,耐压性能好;
●进口薄膜电阻元件,性能可靠稳定;
|
|
工作原理
|
|
热电阻是利用物质在温度变化时,其电阻也随着发生变化的特征来测量温度的。当阻值变化时,工作仪表便显示出阻值所对应的温度值。
|
|
主要技术参数
|
|
|
○产品执行标准
IEC751
JB/T8622-1997
JB/T8623-1997
○常温缘电阻
热电阻在环境温度为15~35℃,相对湿度不大于80%,试验电压为10~100V(直流)电与外套管之间的缘电阻≥100MΩ。
○测温范围及允差
|
| 型号 |
分度号 |
测温范围℃ |
精度等级 |
允许偏差 |
| WZP |
Pt100 |
-200~+500 |
A级 |
±(0.15+0.002|t|) |
| WZC |
Cu50 |
|
B级 |
±(0.30+0.005|t|) |
| |
Cu100 |
-50~+100 |
- |
±(0.30+0.006|t|) |
|
|
注:t为感温元件实测温度值。
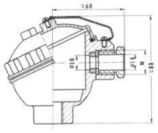
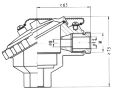
○接线盒形式
|

防喷式
|

防水式
|
|
|
注:电气出口M未特殊指明,一律视为M20×1.5。
|
|
型号命名方法
|
|
|
W
|
温度仪表
|
| |
|
|
|
|
|
|
|
|
|
|
|
|
|
|
|
|
|
|
|
|
|
|
|
|
|
|
|
|
|
|
|
|
|
|
|
|
Z
|
热电阻
|
| |
|
|
|
|
|
|
|
|
|
|
|
|
|
|
|
|
|
|
|
|
|
|
|
|
|
|
|
|
|
|
|
|
|
|
感温元件材料 分度号
|
|
P
C
|
铂 Pt100
铜 Cu50
|
|
|
|
|
|
|
|
|
|
|
|
|
|
|
|
|
|
|
|
|
|
|
|
|
|
|
|
|
|
|
铂电阻元件
|
|
无
2
|
单支
双支
|
|
|
|
|
|
|
|
|
|
|
|
|
|
|
|
|
|
|
|
|
|
|
|
|
|
|
|
安装固定形式
|
|
1
2
3
4
5
6
|
无固定装置
固定螺纹
活动法兰
固定法兰
活络管接头式
固定螺纹锥形式
|
|
|
|
|
|
|
|
|
|
|
|
|
|
|
|
|
|
|
接线盒形式
|
|
2
3
|
防喷式
防水式
|
|
|
|
|
|
|
|
|
|
|
|
|
|
|
保护管直径
|
|
0
1
|
Φ16
Φ12
|
|
|
|
|
|
|
|
|
|
|
|
工作端形式
|
|
G
|
变截面
|
|
|
|
|
|
|
|
|
|
|
|
W
|
Z
|
P
|
2
|
——
|
2
|
2
|
0
|
G
|
典型型号示例
|
|
| |
|
选型须知 |
1)型号
2)分度号
3)精度等级
4)安装固定形式
5)保护管材质
6)长度或插入深度 |
| 例A:热电阻,Pt100型,A级,固定螺纹 M27×2,保护管316L,长度450mm,插入深度300mm。WZP-220,Pt100热电阻,L×I=450×300,I级,保护管316L,螺纹 M27×2。 |
| |
|
热电阻(适用于铠装和隔爆热电偶)
|
|
| 序号 |
形式 |
保护管材质 |
公称压力 |
热响应时间 |
备注 |
| 1 |
无固定 |
1Cr18Ni9Ti |
常压 |
<90S |
保护管外径为Φ16、Φ12两种具体要求双方协商而定 |
| 2 |
固定螺纹 |
≤10MPa |
| 3 |
活动法兰 |
常压 |
| 4 |
固定法兰 |
≤2.5MPa |
| 5 |
活络管接头式 |
常压 |
| 6 |
固定螺纹锥形式 |
≤30MPa |
| 7 |
直形管接头式 |
常压 |
| 8 |
固定螺纹管接头式 |
| 9 |
活动螺纹管接头式 |
|
| |
|
| |
| |
|
保护管材质及选用 |
| 材质 |
使用温度 |
特点及用途 |
| 1Cr18Ni9Ti |
-200~800 |
具有高温耐蚀性,通常作为一般热钢使用
|
| 304 |
-200~800 |
低碳含量,具有良好耐晶间腐蚀性,通常作为一般耐热钢使用
|
| 316 |
-200~750 |
低碳含量,具有良好耐晶间腐蚀性,作为耐腐蚀钢使用
|
| 316L |
-200~750 |
超低碳含量,具有良好耐晶间腐蚀性,作为耐腐蚀钢使用
|
| 310S |
-200~1000 |
具有高温抗氧化性,耐腐蚀型通常作为热钢使用
|
| GH3030 |
0~1100 |
镍基高温合金钢,具有优良抗氧化性,耐腐蚀型,通常作为耐热钢使用
|
|
本页产品地址:http://www.geilan.com/sell/show-2479929.html

免责声明:以上所展示的[
PT100 ,WZP-230,WZP-238 广州热电阻PT100 热电偶 PT100热电阻]信息由会员[
广州汉川仪器仪表有限公司市场二部]自行提供,内容的真实性、准确性和合法性由发布会员负责。
[给览网]对此不承担任何责任。
友情提醒:为规避购买风险,建议您在购买相关产品前务必确认供应商资质及产品质量!