提交询价信息
发布紧急求购
您好,欢迎来到给览网!手机版|本站服务|添加收藏|帮助中心
您所在的位置: 给览网 » 供应 » 工控仪表 » 物位仪表 » 其它物位仪表 » 法兰式液位变送器

法兰式液位变送器

省金湖中捷仪表有限公司
会员指数: 企业认证:  

价格:电议

所在地:江苏 淮安市

型号:

更新时间:2012-04-16

浏览次数:1318

公司地址:江苏省金湖经济开发区顺河 路168号

杨亮(女士) 经理 

产品简介

ZJ-3351LT法兰式液位变送器 产 品 说 明

公司简介


金湖中捷仪表有限公司是一家专业从事仪表研究、开发、生产、销售、服务为一体的高新技术企业。
公司拥有一流的仪器和设备,完善的科学管理体系和制度,有丰富的设计制造经验,公司严格执行产品国际标准及国内行业标准,参照国内各工矿企业的使用环境条件和工艺要求制订严格的工艺流程,产品广泛应用于钢铁、石油、化工、矿业、环保、冶金、造纸、排水等工业技术和管理部门。受到用户一致好评,产品远销北京、上海、广东、山东等,部分产品还远销国外。
 我们本着“品质求精,客户至上”的服务理念, 愿与客户携手,与科技同行,以全新的营销策略,走向更广阔的市场。我们在致力于将最新的科学技术应用到仪表的同时,还努力从客户那里获取产品改进的意见和建议,使得产品和服务得到客户的一致好评,衷心希望成为您可信赖的合作伙伴。 我们生产的标准校验装置、电磁流量计、涡街流量计、孔板流量计、金属管浮子流量计、金属管转子流量计、精密数字压力计、物位计、压力表、热电偶、热电阻、双金属温度计、液位计、磁翻板液位计、压力变送器、无纸记录仪等产品在电力、石化以及冶金等行业的自动化控制中得到了广泛的应用。
展开

产品说明


ZJ-3351LT法兰式液位变送器

产 品 说 明

 ZJ-3351LT型法兰式液位变送器可对各种容器进行液位、密度的精度测量,有平法兰和插入式法兰两种,适用于高粘度介质或悬浮液体测量。
   3351LT型法兰式液位变送器的安装法兰标准按ANSI,法兰有3"和4"规格,法兰等级为150LB(2.5MPa)及300LB(5.0MPa),法兰安装尺寸见下图表。如用户采用GB9116-88标准,则DN=80、100、PN=2MPa请注明。
  因隔离膜片很薄,是耐腐蚀的薄弱环节,故接液膜片材料有316L、哈氏C-276、蒙耐尔、钽等,可适用于不同情况的防腐要求,可根据被测介质浓度、湿度、压力等参数适合附录中给出耐腐蚀参考表进行合理选择。如腐蚀性强的场合可选择防腐结构变送器。
  用户不注明时以3"150LB安装法兰及接液膜片材料316L 供货。
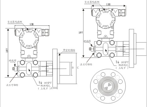
ZJ-3351LT法兰式液位变送器外型尺寸
ZJ-3351LT型法兰式液位变送器的安装法兰标准按ANSI,法兰有3〃和4〃规格,法兰等级分为
         150LB
2.5MPa)及300LB
       
5.0MPa),法兰安装尺寸见下图表。如用户采用GB9116-88标准,则DN=80100
PN=2MPa请注明。接液膜片材料有316L、哈氏C-276、蒙耐尔、钽
         等。用户不注明,时以3〃150LB安装法兰及接液膜片材料31供货。
 法兰式液位变送器外型尺寸图
法兰尺寸
螺栓孔
尺寸
规格
直径
A
B
C
数目n
直径d
分布直径d1
3"
1501b
190
30
66
127
4
19
152
4"
1501b
228
30
89
157
8
19
190
3"
3001b
210
35
66
127
8
22
168
4"
3001b
254
38
89
157
8
22
200
测量范围
    差压:0-6.2-690KPa
    静压:2.5MPa
型号命名方式
ZJ-3351LT
   法兰式液位变送器(zui大工作压力2.5MPa)
 
4
0-4~40KPa
5
0-40~250KPa
6
0-0.16~1.0MPa
 
代码
输出
N
 普通模拟型:(输出:4~20mA)
G
 常规智能型:(输出:4~20mA)
S
 标准智能型:(输出:4~20mA带HART总线协议)
Z
 数字化智能型:(输出:4~20mA全数字化传感器,自带通讯键盘)
 
代码
公称直径尺寸(mm)
插入筒长度(mm)
高压侧隔膜片材料
A0
80
316LSST
A2
80
50
316LSST
A4
80
100
316LSST
A6
80
150
316LSST
B0
100
316LSST
B2
100
50
316LSST
B4
100
100
316LSST
B6
100
150
316LSST
C0
80
哈氏C-276
C2
80
50
哈氏C-276
C4
80
100
哈氏C-276
C6
80
150
哈氏C-276
D0
100
哈氏C-276
D2
100
50
哈氏C-276
D4
100
100
哈氏C-276
D6
100
150
哈氏C-276
E0
80
F0
100
 
代码
 安装法兰
 
A
 3〞150lb
碳钢镀锌
B
 4〞150lb
C
 3〞300lb
D
 4〞300lb
 
代码
结 构 材 料
法兰和接头
排气/排液阀
隔离膜片
灌充液体
22
316不锈钢
316不锈钢
316不锈钢
硅油
23
316不锈钢
316不锈钢
哈氏合金C
24
316不锈钢
316不锈钢
蒙乃尔
25
316不锈钢
316不锈钢
33
哈氏合金C
哈氏合金C
哈氏合金C
35
哈氏合金C
哈氏合金C
 
代码
选项
M1
0-100%线性指示表
M2
LED数字显示表
M3
LCD显示器
C0
1/2-14NPT锥管内螺纹接头
C1
1/2-14NPT引压接头后部焊接引压管Ф14
C2
丁字形螺纹接头M20×1.5
d
隔爆型dⅡBT4
i
本安型iaⅡCT6
定货须知
1)变送器型号可根据选型规格表按需要确定。
2)选型规格表中的数字、符号必须填写清楚、准确无误。
3)如有正负迁移,必须注明迁移量数值。
4)差压变送器如需配三阀组,需另行注明。
5)选购远传变送器时,还应根据不同远传法兰选型表按需确定。
6)如果远传变送器要在真空场合和高温场合下使用,订货时要特殊标明。
7)接触介质O形密封环的材料有丁腈橡胶和氟橡胶等。
8)无特殊注明,出厂时灌充液为硅油

本页产品地址:http://www.geilan.com/sell/show-244742.html
免责声明:以上所展示的[ 法兰式液位变送器]信息由会员[省金湖中捷仪表有限公司]自行提供,内容的真实性、准确性和合法性由发布会员负责。
[给览网]对此不承担任何责任。
友情提醒:为规避购买风险,建议您在购买相关产品前务必确认供应商资质及产品质量!

发布询价单

厂商其他产品

没有合适的产品?是否在线询价?
询价标题
联系人
电话
主要内容
验证码