产品简介
特点; ⊙ 具有多种定时模式, ⊙ 输出延时有多种选择
公司简介
〖企业简介〗
江苏昆仑工控(淮电)电气有限公司成立于1997年,2003在苏州成立了江苏昆仑工控电气十厂,本厂专业研发,生产,销售各种电力工控,机电,石油煤矿,化工设备配套产品厂家。先后在苏州,无锡,淮安,浙江,连云港,广东,北京,上海等地均设有生产,销售分支机构,主要产品有:数显电流电压,功率,功率因数表、温控表,温湿度表,计数器,转速表,欧姆表,时间继电器,光电,电磁隔离变送器、液位器,压力变送器,差压变送器,温压一体传感器,分流器,互感器,接近开关,三色灯等配套产品。公司目前旗下有员工约500人,年产销100万台,年销售额收入近1000万元。公司一贯坚持“质量第一,用户至上,优质服务,信守合同”的宗旨,凭借着高质量的产品,良好的信誉,优质的服务,产品畅销全国近三十多个省、市、自治区以及远销欧美、东南亚等国家。竭诚与国内外商家双赢合作,共同发展,共创辉煌!
展开
产品说明
|
特点;
|
|
⊙ 具有多种定时模式,
⊙ 输出延时有多种选择
⊙ 带一组继电器输出
⊙ 所有功能从面板的按键进行操作
⊙ 多种外形尺寸选择
|
| 一、 型号及含义 |
|
|
|
| 二、时间继电器 |
|
代码
|
产品型号
|
时间范围
|
计时方式
|
|
01
|
TE-T48P41B
TE-T72P41B
TE-T49P41B
TE-T94P41B
|
0.01S∽99.99S
|
正计时
|
|
02
|
0.01S∽99.99S
|
|
|
03
|
1M∽9999M
|
正计时
|
|
04
|
1M∽9999M
|
|
|
05
|
1S∽9999S
|
正计时
|
|
06
|
1S∽9999S
|
|
|
07
|
1S∽99M59S
|
正计时
|
|
08
|
1S∽99M59S
|
|
|
09
|
1M∽99H59M
|
正计时
|
|
10
|
1M∽99H59M
|
|
|
11
|
TE-T48P42B
TE-T72P42B
TE-T49P42B
TE-T94P42B
|
1M∽99H59M
|
正计时
|
|
12
|
1M∽99H59M
|
|
|
13
|
1S∽99M59S
|
正计时
|
|
14
|
1S∽99M59S
|
|
|
15
|
1S∽9999S
|
正计时
|
|
16
|
1S∽9999S
|
|
|
17
|
1M∽9999M
|
正计时
|
|
18
|
1M∽9999M
|
|
|
19
|
TE-T48P81B
TE-T72P81B
TE-T49P81B
TE-T94P81B
|
0∽99H59M59.99S
|
立即复位
|
|
20
|
0∽99H59M59.99S
|
八秒复位
|
|
21
|
0∽9999H59M59S
|
立即复位
|
|
22
|
0∽9999H59M59S
|
八秒复位
|
|
23
|
0∽9999D23H59M
|
立即复位
|
|
24
|
0∽9999D23H59M
|
八秒复位
|
|
| 三、技术参数 |
|
电源电压
|
AC 220V (50HZ/60HZ)
|
|
功耗
|
≤5VA (at AC 220V 50HZ)
|
|
复位模式
|
信号复位/按键复位,zui小复位信号时间约20Ms
|
|
控制输出
|
继电器输出:250AC 3A(电阻负载),
|
|
输出方式
|
N、F、C、R
|
|
重复精度
|
电源启动:+0.02%+0.05sec 复位启动:+0.01%+0.03sec
|
|
缘强度
|
100M/min以上,用500VDC兆欧表测(导电端子和裸露的非带电金属体间、非连接触点间)
|
|
耐压
|
AC2000V,50HZ/60HZ 1min(导电端子和裸露的非带电金属体间、非连接触点间)
|
|
抗干扰
|
用噪音抗干扰模拟器的方波干扰:+2KV(电源端子间)、+500V(输入端间)
|
|
工作寿命
|
机械寿命:100万次以上电气寿命:10万次以上(AC250V 3A 电阻负载)
|
|
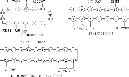
| 四、连接图 |
|
|
| 五、面板说明 |
1、位选键( ):设定时,用于选择某位数码,选中的数码呈闪烁状态。
2、增加键(Δ):设定时,按过位选键( )后,按此键,可改变闪烁位的数值,此数值单向增加。
3、复位键(RST):在正常工作时,按下复位键,时间继电器恢复初始状态;抬起复位键,时间继电器重新开始计时。
4、暂停键(PAU):在正常工作时,按下暂停键,延时停止,抬起暂停键,延时继续。 |
| 六、输入模式 |
1、产品型号设定:
仪表在任何工作状态下,都可以进行产品型号设定。
1)、按住位选键( )10秒后,上边四位数码管亮,表现为XY-Z,XY为产品代码,详见产品型号。Z为继电器工作方式代码,详见继电器工作方式。
2)、按住位选键( ),XY数码管闪烁,再按增加键(Δ),改变XY值,并任XY值闪烁10秒,XY值便自动存入仪表内,即设定了产品型号。
3)、按住位选键( ),Z数码管闪烁,再按增加键(Δ),改变Z值,并任Z值闪烁10秒,Z值便自动存入仪表内,即设定了继电器工作方式。
2、TE-T48P41B、TE-T72P41B(单设定双数显4位时间继电器)使用说明:
1)、显示器:正常工作时,上边四位LED数码管显示延时值,下边四位LED数码管显示延时设定值。
2)、延时值设定:在显示范围内利用增加键和位选键即可任意设定继电器的延时值。一次按位选键( ),POW指示灯亮,下边一位数码管闪烁,按增加键(△),设定一位数值;再按位选键( ),下边第二位数码管闪烁,按增加键(△),设定第二位数值,依次类推,可设定第三位、第四位数值,此时,数码管仍在闪烁,过8秒种,闪烁停止,设定值便自动存入仪表内。 利用复位键或复位引出端子或重新上电,都可使延时器开始延时,待延时完成后.
注意:在整个设定过程中,应连续进行,每两步骤之间不应超过8秒钟。
3)、正常工作时,将暂停端PAU与公共端GND接通,延时停止,断开,延时继续。利用此功能可作累时器使用。将复位端RST与公共端GND接通,延时器恢复初始状态,将复位端RST与公共端GND断开,延时器重新开始延时。
3、TE-T48P42B、TE-T72P42B(双设定双数显4位时间继电器)使用说明:
1)、显示器:设定时,上边四位LED数码管显示继电器释放时间的设定值,下边四位LED数码管显示继电器吸合时间的设定值。
正常工作时,上边四位LED数码管显示继电器释放、吸合时间的当前值,下边四位LED数码管显示继电器释放、吸合时间的设定值。
2)、正常工作时,按增加键(△),显示器显示继电器吸合、释放时间的设定值。
3)、释放时间、吸合时间设定:在显示范围内利用增加键和位选键即可任意设定继电器的释放、吸合时间。先按位选键( ),上边一位数码管呈闪烁状态,按增加键(△),设定此数值;然后按位选键( ),上边第二位数码管闪烁,按增加键(△),设定此数值;依次类推,设定上边第三位、第四位数值,即设定了继电器的释放时间,此时再按位选键( ),下边一位数码管呈闪烁状态,按增加键(△),设定此数值,然后按位选键( ),下边第二位数码管闪烁,按增加键(△),设定此数值,依次类推,设定下边第三位、第四位数值,即设定了继电器的吸合时间,这时数码管仍在闪烁,过8秒钟,闪烁停止,以上所设定的继电器释放时间、吸合时间便自动存入仪表内。 |
|
利用复位键或复位端子或重新上电,都可使仪表从继电器释放时间的初始值开始延时(此时POW指示灯呈闪烁状态),待延时完毕,继电器释放;代表就从吸合时间的初始值开始延时(此时POW指示灯仍闪烁,OUT指示灯变亮),待延时完毕,继电器吸合。以后仪表就按设定的释放、吸合时间循环工作。
4)、正常工作时,将暂停端PAU与公共端GND接通,延时停止,断开,延时继续。将复位端RST与公端GND接通,继电器恢复释放时间的初始值(即上边数码管显示继电器释放时间的初始值,下边数码管显示继电器释放时间的设定值),将复位端RST与公共端GND断开,继电器从释放时间的初始值开始延时。 |
| 4、TE-T48P81B、TE-T72P81B(单设定八位数显累时器)使用说明: |
1).显示器:设定时,八位数码管显示累时设定值,正常工作时,八位数码管显示当前累计时间.
2)、正常工作时,直接增加键(△),显示器显示累时设定值。
3)、累时值设定:在显示范围内利用增加键和位选键即可任意设定累时器的累时值。先按位选键( ),上边一位数码管呈闪烁状态,按增加键(△),设定此数值,然后按位选键( ),上边第二位数码管闪烁,按增加键(△),设定此数值,依次类推,设定上边第三位、第四位数值,下边一位、第二位、第三位、第四位数值,即设定了累时器的累时值,这时数码管仍在闪烁,过8秒种,闪烁 停止,以上所设定的累时值便自动存入机内。
利用复位键或复位端子或重新上电,都可使累时器开始累时(此时POW指示灯呈闪烁状态),待累时值达到设定值时,继电器动作,累时停止(此时POW指示灯停止闪烁,OUT指示灯亮时,继电器吸合;OUT指示灯灭时,继电器释放)。
4)、当前累时值停电保持:掉电时,当前累时值自动存入仪表内;上电后,累时器从当前累时值继续累时。
5)、GND为公共端,PAU为累时暂停端。正常工作时,将暂停端PAU与公共端GND接通,累时停止;断开,累时继续。RST为复位端。正常工作时,将复位端RST与公共端GND接通(对于八秒复位型需持续接通八秒),累时器恢复初始状态;断开,累时器重新开始累时,此功能与前面板复位键功能完全相同。 |
| 七、继电器工作方式 |
|
方式代码
|
继电器工作方式内容
|
|
1
|
上电仪表工作,达到或超过设定值时继电器吸合。
|
|
2
|
上电仪表不工作(可通过复位键或复位端子使仪表工作),达到或超过设定值时继电器吸合
|
|
3
|
上电仪表工作,达到或超过设定值时继电器释放。
|
|
4
|
上电仪表不工作(可通过复位键或复位端子使仪表工作),达到或超过设定值时继电器释放
|
|
5
|
上电仪表工作,达到或超过设定值时继电器吸合;5秒后,仪表自动复位,重新开始工作。
|
|
6
|
上电仪表不工作(可通过复位键或复位端子使仪表工作),达到或超过设定值时继电器吸合;5秒后,仪表自动复位,重新开始工作。
|
|
| 八、外形及开孔尺寸 |
|
|
本页产品地址:http://www.geilan.com/sell/show-2267107.html

免责声明:以上所展示的[
TE-TM48P41B 计时器]信息由会员[
江苏昆仑工控(淮电)电气十厂]自行提供,内容的真实性、准确性和合法性由发布会员负责。
[给览网]对此不承担任何责任。
友情提醒:为规避购买风险,建议您在购买相关产品前务必确认供应商资质及产品质量!