提交询价信息
发布紧急求购
您好,欢迎来到给览网!手机版|本站服务|添加收藏|帮助中心
您所在的位置: 给览网 » 供应 » 工控仪表 » 压力仪表 » 压力控制、调节仪表 » D540/7T 温度控制器

D540/7T 温度控制器

金湖宏程自动化仪表有限公司
会员指数: 企业认证:

价格:电议

所在地:江苏 淮安市

型号:D540/7T

更新时间:2016-05-31

浏览次数:1252

公司地址:江苏金湖县工业园区环城西路258-8号

孙本荣(先生) 总经理 

产品简介

采用温包型传感器。可用于中性介质。控制器的设定值可调,调节范围-20 ~ +70℃。

公司简介


金湖宏程自动化仪表有限公司座落在美丽富饶的高邮湖畔,有“天下第一荷花”美称的鱼米之乡——金湖境内,交通方便,东临京沪高速、西靠宁连高速、盐金线贯穿境内。主要从事js/product.asp?bigclass=流量仪表系列">流量计js/product.asp?bigclass=物位仪表系列">液位计js/product.asp?bigclass=变送器系列">变送器js/product.asp?bigclass=压力仪表系列">压力表js/product.asp?bigclass=温度仪表系列">温度计js/product.asp?bigclass=温度仪表系列">热电偶js/product.asp?bigclass=温度仪表系列">热电阻js/product.asp?bigclass=二位式控制器系列">控制器等系列产品的研发、生产、销售、服务工作。

热销产品:js/index.asp">金属转子流量计,js/index.asp">磁翻板液位计,js/index.asp">双色石英管液位计,js/index.asp">压力校验仪,js/product.asp?bigclass=二位式控制器系列">压力控制器

展开

产品说明


D540/7T温度控制器的详细资料:
D540/7T温度控制器采用温包型传感器。可用于中性介质。控制器的设定值可调,调节范围-20 ~ +70℃。
 
单刀双掷微动开关作用过程:
  接线端1-3:温度上升至上切换值时接通。
  接线端1-2:温度上升至上切换值时端开。
 
 

 D540/7T主要技术性能
   开关元件:微动开关
   环境温度:-25℃~zui大允许温度(见表)
   外壳防护等级:IP65(符合KIN40050 与GB4208 中IP65 相当)
   抗振性能:D540/7T:40m/s2, D540/7TK:20m/s2
   重复性误差:≤3%
   触点容量:AC 220V 6A(阻性)

 D540/7T规格
 ● D540/7T切换差不可调
型 号
设定值调节范围
切换差不大于
zui大允许温度 

 
重量
kg
外形尺寸
图号
订货目录
编 号
设定值范围下限 ℃
设定值范围上限 ℃
D540/7T
-20……+30
0……50
20……70
3
1.5
2.0
1.5
1.5
1.5
+40
+65
+85
0.8
0.8
0.8
01
01
01
0891100
0891200
0891300
 ● D540/7T切换差可调
型 号
设定值调节范围
切换差不大于
zui大允许温度 

 
重量
kg
外形尺寸
图号
订货目录
编 号
设定值范围下限 ℃
设定值范围上限 ℃
D540/7T
-20……+30
0……50
20……70
4.5…20
3.0…20
3.5…20
2.0…8
2.0…8
2.0…8
+40
+65
+85
0.85
0.85
0.85
01
01
01
0890100
0890200
0890300
 ● D540/7T切换差不可调(小切换差)
型 号
设定值调节范围
切换差不大于
zui大允许温度 

 
重量
kg
外形尺寸
图号
订货目录
编 号
设定值范围下限 ℃
设定值范围上限 ℃
D540/7TK
-20……+30
0……50
20……70
2.0
1.2
1.7
1.2
1.2
1.2
+40
+65
+85
0.8
0.8
0.8
01
01
01
0891107
0891207
0891307

 D540/7T设定值的调整
   设定应在恒温槽内进行,温包应全部浸入槽内介质,升温、降温速度不能大于0.5℃/分钟。
1、不可调切换差的控制器设定值调整步骤,举例说明如下:
    [1]:选用订货号为0891200的控制器,要求将温度上升至25℃(上切换值)发出触点信号,具体步骤参见1.1~1.5(如图一所示):
    1.1 松开锁紧器,将产品温包浸入恒温槽内。
    1.2 打开盖板,将电缆穿过电缆接口接入端子板中,电缆另一头接上万用表。
    1.3 将温度加至25℃,此值可从标准温度计中读出。
    1.4 顺时针旋动设定值调节螺杆,使设定值由大变小,直至开关触点在25℃处切换。
    1.5 旋紧锁紧器,调节恒温槽内的温度,使温度在25℃上下来回变化,检验温度上升时,触点的切换值是否是25℃,此值即为要设定的上切换值。其对应的下切换值应是25℃减去切换差1.5℃(左右),即为23.5℃(左右)。
    [2]:选用订货号为0891300的控制器,要求将温度下降至50℃(下切换值)发出触点信号,其具体步骤参见1.6~1.10:
    1.6 同1.1。
    1.7 同1.2。
    1.8 将温度加至50℃,此值可从标准温度计中读出。
    1.9 逆时针旋动设定值调节螺杆,使设定值由小变大,直至开关触点在50℃时切换。
    1.10 旋紧锁紧器,调节恒温槽内的温度,使温度在50℃上下来回变化,检验温度下降时触点的切换值是否是50℃,此值即为要设定的下切换值。其对应的上切换值应是50℃加上切换差1.7℃(左右),即为51.7℃(左右)。
2、可调切换差的控制器设定值调整步骤,举例说明如下:
    [3]:选用订货号为0890200的控制器,要求将温度上升至30℃发出触点信号,温度下降至25℃时触点返回(如图二所示):
    2.1 同1.1。
    2.2 同1.2
    2.3 将温度加至25℃,此值可从标准温度计中读出。
    2.4 先调下切换值,逆时针旋动设定值调节螺杆,直至开关触点在30℃处切换。
    2.5 再逆时针旋动切换差调节螺杆,使切换差从zui小开始增大,直至温度上升至30℃触点动作。
    2.6 旋紧锁紧器,调节温度值在大于25~30℃范围内来回变化,检验温度上升时,触点的切换值是否是30℃,此值即为要设定的上切换值,检验温度下降时,触点的切换值是否是25℃,此值即为要设定的下切换值。

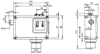
 D540/7T外形及安装尺寸
 D540/7T附件可选用附件目录编号:0574772
7T型安装支架(支架2件,螺钉4只)
订货目录编号: 0574772

本页产品地址:http://www.geilan.com/sell/show-2149702.html
免责声明:以上所展示的[D540/7T 温度控制器]信息由会员[金湖宏程自动化仪表有限公司]自行提供,内容的真实性、准确性和合法性由发布会员负责。
[给览网]对此不承担任何责任。
友情提醒:为规避购买风险,建议您在购买相关产品前务必确认供应商资质及产品质量!

发布询价单

没有合适的产品?是否在线询价?
询价标题
联系人
电话
主要内容
验证码