产品简介
可用于空气等中性气体和水,液压油,润滑油、轻燃油等液体介质。控制器的设定值可调,调节范围0……2.5 Mpa。
公司简介
金湖宏程自动化仪表有限公司座落在美丽富饶的高邮湖畔,有“天下第一荷花”美称的鱼米之乡——金湖境内,交通方便,东临京沪高速、西靠宁连高速、盐金线贯穿境内。主要从事
js/product.asp?bigclass=流量仪表系列">流量计、
js/product.asp?bigclass=物位仪表系列">
液位计、
js/product.asp?bigclass=变送器系列">
变送器、
js/product.asp?bigclass=压力仪表系列">
压力表、
js/product.asp?bigclass=温度仪表系列">温度计、
js/product.asp?bigclass=温度仪表系列">
热电偶、
js/product.asp?bigclass=温度仪表系列">
热电阻、
js/product.asp?bigclass=二位式控制器系列">控制器等系列产品的研发、生产、销售、服务工作。
热销产品:js/index.asp">金属转子流量计,js/index.asp">磁翻板液位计,js/index.asp">双色石英管液位计,js/index.asp">压力校验仪,js/product.asp?bigclass=二位式控制器系列">压力控制器。
展开
产品说明
|
CPK-500差压控制器采用膜片式传感器,适用于空气、气体等中性气体和润滑油、轻燃油等液体介质。差压控制器CPK-500的差压设定值可调,调节范围0.012-7Mpa。
单刀双掷微动开关作用过程:
接线端1-3:压力上升至上切换值时接通。
接线端1-2:压力上升至上切换值时断开。
|
|
|
|
|
◇ CPK-500主要技术性能:
环境温度:-25~80℃
介质温度:0~80℃
外壳防护等级:IP65
重复性误差:1.5%
|
抗震性能:10m/s2
触点容量:AC 220V 6A 600W(阻性)
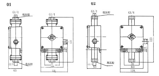
安装位置:H(高压腔)接口垂直向下
(允许倾斜15o)
|
|
|
|
◇ CPK-500规格:
|
|
● 切换差不可调
|
|
设定值
调节范围 Mpa
(Kpa)
|
切换差
Mpa
|
zui大
工作压力
Mpa
|
开关切换次数
次/分
|
压力传感器材料
|
接口
内螺纹
|
外形尺寸
|
|
外壳
|
膜片
|
|
(12……55)
|
7
|
2.5
|
10
|
黄铜
|
聚酰
亚胺
|
G1/4"
|
01
|
|
0.02……0.35
|
10
|
|
0.03……0.1
|
17
|
3.4
|
1Cr18Ni9Ti
不锈钢
|
02
|
|
0.03……0.4
|
17
|
|
0.03……0.7
|
21
|
|
0.06……0.2
|
21
|
7
|
|
0.1……1
|
25
|
|
0.1……0.4
|
3
|
|
0.24……2.6
|
50
|
|
0.4……1.0
|
140
|
14
|
|
0.7……7.0
|
|
|
|
|
◇ CPK-500设定值的调整:
|
在高压(H)接口处输入高压源,在低压(L)接口处输入低压源。
[例]:选用差压设定值调节范围为0.02~0.35Mpa的控制器,要求将压力上升至0.2Mpa(上切换值)发出报警信号,其操作步骤如下:
1. 将控制器的高压接口旋入压力校验台,并使开关接线座接上信号源。 
2. 将压力上升至0.2Mpa,此值可从标准压力计中读出。
3. 以19mm六角螺钉扳手调整设定值调节螺钉,使差压设定值增大,0.2Mpa附近切换。
4. 改变压力值,使压力在0.2Mpa上下来回变化,检验开关触点的上切换值是否是0.2Mpa,此时下切换值应是0.2Mpa减去切换差(0.01Mpa左右),等于0.19Mpa左右。
5. 在高压端、低压端同时输入高、低压信号,观察其差压是否为 0.2Mpa(若用户受调试设备的限制,此步骤可免做)。
|
|
◇ CPK-500选用和安装:
|
|
● 通断电流不能大于额定值(当触点动作频繁时,不超过额定值的60%)。。
● 安装在室外时,应给予足够的防护,以免受腐蚀性气体、剧烈变化的环境温度、太阳辐射、水渗入等。
● 对有压力峰值及脉冲压力的介质,可安装阻尼器以消除脉冲干扰。
● 安装压力接口时,应夹持控制器接口的外六角接口处,防止控制器壳体与高、低接头发生松动,影响控制器性能。
● 高低压接口不能接反,否则控制器不动作
|
|
本页产品地址:http://www.geilan.com/sell/show-2149234.html