| 提交询价信息 |
| 发布紧急求购 |
价格:电议
所在地:河南 郑州市
型号:MPM489
更新时间:2021-10-18
浏览次数:2015
公司地址:郑州市阳光新干线10号楼
![]()
于真(女士) 销售经理
麦克传感器代理MPM280,MPM281,MPM282,MPM283,MDM290,MPM380,MPM316W,MDM390,MPM388
麦克传感器代理MPM416WRK,MPM426WJ,MPM426W/416W,MPM436W,MPM416WK,MPM480,MPM430
麦克传感器代理MPM4530,MTM,MPM482,MPM483,MPM4730,MPM4760,MPM4700,MPM484A/MDM484A
麦克传感器代理MPM462,MPM486,MPM484ZL/MDM484ZL,MPM484/MDM484,MPM460,MPM460W,MDM460
麦克传感器代理MDM492,MDM490,MDM460,MDM484,MDM484ZL,MDM484A,MDM3051,MDM4951,MPM580
麦克传感器代理MPM582,MFM500,MPM583,MSB9438,MSB9418,MSB9458,MDM4951LT,MDM4951DPU,MDM4951GPU
麦克传感器代理MDM4951DP,MDM4951DR,MDM4951HP,MDM4951DP,MDM4951HP,MDM4951GP,MDM4951AP
产品概述
MPM489型压阻式压力变送器是我公司研制生产的一种零点和满量程输出可以调校的压阻式压力变送器。它选用高稳定性和高可靠性的压阻式压力传感器和高性能的变送器专用电路,整体性能稳定可靠。广泛适用于石油、化工、电力、水文、地质等行业的流体压力的检测和控制。

·性能可靠,安全使用方便
·具有短路保护和反性保护
·可测量表压、压和密封参考压力
·本质安全型产品,符合GB3836.4标准的ExiaⅡCT6的要求
·船用型产品符合CCS《钢制海船入级规范》(2006)的要求
·产品已取得CE认证和RoHS认证
性能参数
测量范围:-0.1…0~0.01…100MPa
过 载:1.5倍满量程压力或110MPa(取zui小值)
压力类型:表压或压或密封表压型
精 度:±0.5%FS
长期稳定性:zui大±0.3%FS/年
零点温度漂移:0.1%FS/℃(≤100kPa); 0.05%FS/℃(>100kPa)
满度温度漂移:0.1%FS/℃(≤100kPa); 0.05%FS/℃(>100kPa)
补偿温度:0℃~50℃
工作温度:-30℃~80℃,本安型:-10℃~60℃ 隔爆型:-20℃~60℃
贮存温度:-40℃~120℃
供电电源:11~28VDC(本安型经安全栅供电)
输出信号:4~20mADC (二线制) , 0/1~5VDC (三线制)
负载电阻:≤(U-10)/0.02Ω (二线制), ≥10k(三线制)
外壳防护:IP65
电气连接:接插件或电缆线
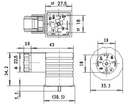
外形结构
结构材料:
外壳:不锈钢 1Cr18Ni9Ti
传感器壳体:不锈钢1Cr18Ni9Ti
波纹膜片:不锈钢316L
密封圈:氟橡胶
接插件外壳:塑料
电缆:Φ7.5mm聚乙烯专用电缆

电气连接
变送器与外部电路通过DIN43650进口防爆插头座进行电气连接。
插脚的端子定义如下:
|
插脚
|
二线
|
三线
|
|
1
|
电源正:+V
|
正电源:+V
|
|
2
|
信号:+OUT
|
公共端:GND
|
|
3
|
空
|
信号:+OUT
|
|
电缆颜色
|
二线
|
三线
|
|
黑色
|
电源正:+V
|
电源正:+V
|
|
红色
|
电源负:0V
|
输出正:+OUT
|
|
白色
|
空
|
公共端:GND
|

选型指南
|
MPM489 |
型压阻式压力变送器 |
|||||
|
量程 |
测量范围-0.1…0~0.01…100MPa |
|||||
|
[0~X]kPa或MPa |
X:实际测量量程 |
|||||
|
代号 |
输出信号 |
|||||
|
E |
4~20mADC |
|||||
|
F |
1~5VDC |
|||||
|
J |
0~5VDC |
|||||
|
代号 |
结构材料 |
|||||
|
隔离膜片 |
接口 |
壳体 |
||||
|
22 |
不锈钢316L |
不锈钢 |
不锈钢 |
|||
|
25 |
钽 |
不锈钢 |
不锈钢 |
|||
|
35 |
钽 |
哈氏合金 |
不锈钢 |
|||
|
代号 |
附加功能 |
|||||
|
B1 |
接插件电气连接 |
|||||
|
P |
齐平膜片型,可供量程0~70kPa…35MPa |
|||||
|
M3 |
3 1/2位LCD数显表头 |
|||||
|
M4 |
3 1/2位LED数显表头 |
|||||
|
i |
本安防爆型ExiaⅡCT6 |
|||||
|
T |
船用产品 |
|||||
|
C1 |
M20×1.5外螺纹压力接口,端面密封 |
|||||
|
C3 |
G1/2外螺纹压力接口(适用P型) |
|||||
|
C5 |
M20×1.5外螺纹压力接口,水线密封 |
|||||
|
G |
表压型 |
|||||
|
S |
密封表压型 |
|||||
|
A |
压型 |
|||||
|
MPM489 |
[0~100kPa] |
E |
22 |
B1C5G |
完整的型号规格 |
|
选型提示
1、选型时请注意被测介质要与产品与介质相接触的部分相兼容。
2、若需要订购非标准或特殊要求的产品,请与本公司商洽并在订单上注明。
3、订货时请注意防爆型产品和船用产品不包含数显表头M3、M4。
4、隔爆型产品无0~5VDC输出形式。
麦克传感器MDM492,MDM490,MDM460
麦克传感器代理MPM280,MPM281,MPM282,MPM283,MDM290,MPM380,MPM316W,MDM390,MPM388
麦克传感器代理MPM416WRK,MPM426WJ,MPM426W/416W,MPM436W,MPM416WK,MPM480,MPM430
麦克传感器代理MPM4530,MTM,MPM482,MPM483,MPM4730,MPM4760,MPM4700,MPM484A/MDM484A
麦克传感器代理MPM462,MPM486,MPM484ZL/MDM484ZL,MPM484/MDM484,MPM460,MPM460W,MDM460
麦克传感器代理MDM492,MDM490,MDM460,MDM484,MDM484ZL,MDM484A,MDM3051,MDM4951,MPM580
麦克传感器代理MPM582,MFM500,MPM583,MSB9438,MSB9418,MSB9458,MDM4951LT,MDM4951DPU,MDM4951GPU
麦克传感器代理MDM4951DP,MDM4951DR,MDM4951HP,MDM4951DP,MDM4951HP,MDM4951GP,MDM4951AP
麦克传感器MPM280,MPM281,MPM282
麦克传感器MPM283,MDM290,MPM380
麦克传感器MPM316W,MDM390,MPM388
麦克传感器MPM416WRK,MPM426WJ
麦克传感器MPM426W/416W,MPM436W
麦克传感器MPM416WK,MPM480,MPM430
麦克传感器MPM4530,MTM,MPM482,MPM483
麦克传感器MPM4730,MPM4760,MPM4700
麦克传感器MPM484A/MDM484A,,MPM484/MDM484
麦克传感器MPM462,MPM486,MPM484ZL/MDM484ZL
麦克传感器MPM460,MPM460W,MDM460
麦克传感器MDM492,MDM490,MDM460,
麦克传感器MSB9438,MSB9418,MSB9458
麦克传感器MDM4951LT,MDM4951DPU,MDM4951GPU
麦克传感器MDM4951DP,MDM4951DR,MDM4951HP
麦克传感器MDM4951DP,MDM4951HP
麦克传感器MDM4951GP,MDM4951AP
麦克传感器MDM492,MDM490,MDM460
麦克MPM4700液位变送器
麦克MPM416W投入式液位变送器
麦克MPM416WK型铠装插入式液位变送器
麦克MPM316W型压阻式液位传感器
麦克MPM426W型投入式液位变送器
麦克MPM460W多功能智能液位变送控制器
麦克MPM436W投入式液位变送器
麦克MPM489W液位变送器
麦克MPM380压力传感器
麦克MPM388压力传感器
麦克MPM388压力传感器
麦克MPM430压力变送器
麦克MPM480压力变送器
麦克MPM4730压力变送器
麦克MPM4760压力变送器
麦克MPM489压力变送器
麦克MPM482型LCD数字显示压力变送器
麦克MPM4120 压缩机专用压力传感器
麦克MPM483压力变送器
麦克MPM486型 HART?协议智能压力变送器
麦克MPM484压力变送控制器
麦克MPM460多功能智能压力变送控制器
麦克MPM484A/ZL型数字化压力变送控制器
麦克MPM380型压力传感器
麦克MPM388型压力传感器
麦克MPM430型压力变送器
麦克MPM480型压力变送器
麦克MPM4730型压力变送器
麦克MPM4760型压力变送器
麦克MPM489型压力变送器
麦克MPM482型LCD数字显示压力变送器
麦克MPM4120压缩机专用压力传感器
麦克MPM483型压力变送器
麦克MPM486型智能压力变送器
麦克MPM484型压力变送控制器
麦克MPM460型智能压力变送控制器
麦克MPM484A/ZL型数字化压力变送控制器
麦克MPM4530型压力变送器
麦克MPM4528高温压力测量
麦克MPM489B型压力变送器
麦克MDM3051GP型压力变送器
麦克MDM3051AP型压力变送器
麦克MDM3051GP/DP型远传压力差压变送器
麦克MDM4951GP型压力变送器
麦克MDM4951AP型压力变送器
麦克MPM380型压力传感器
麦克MPM388型压力传感器
麦克MPM430型压力变送器
麦克MPM480型压力变送器
麦克MPM4730型压力变送器
麦克MPM4760型压力变送器
麦克MPM489型压力变送器
麦克MPM482型LCD数字显示压力变送器
麦克MPM4120压缩机专用压力传感器
麦克MPM483型压力变送器
麦克MPM486型智能压力变送器
麦克MPM484型压力变送控制器
麦克MPM460型智能压力变送控制器
麦克MPM484A/ZL型数字化压力变送控制器
麦克MPM4530型压力变送器
麦克MPM4528高温压力测量
麦克MPM489B型压力变送器
麦克MDM3051GP型压力变送器
麦克MDM3051AP型压力变送器
麦克MDM3051GP/DP型远传压力差压变送器
麦克MDM4951GP型压力变送器
麦克MDM4951AP型压力变送器
免责声明:以上所展示的[MPM489 MPM489]信息由会员[香港百特仪表有限公司]自行提供,内容的真实性、准确性和合法性由发布会员负责。