产品简介
              
              
                  JZF或YJF高压截止阀兴治高压阀门JZF或YJF高压截止阀              
            
          
              
                  
公司简介
              
              
                  
兴治高压阀门(上海)有限公司位于美丽的上海国际大都市,是集设计、开发、生产、加工、销售及售后服务为一体的高新技术创新型股份制企业。拥有两个生产基地,总占地面积52800平方米,建筑面积36500平方米。 
  公司创建多年来在阀门制造业中积累了丰富的经验,并得以稳定快速的发展。公司已通过ISO9001国际质量体系认证企业,为了确保“兴治”品牌产品的质量,定期委托国家相关质量监督机构对产品进行测试,现已获得了“ML、AL”的认可;同时成为国家建设部、轻工部、化工部、电力系统指定产品和推荐产品;公司具备高水平研发、制造、检测、试验能力及健全严谨的科学管理体制,产品结构合理,制作工艺独特精湛、规格齐全、质量可靠。产品广泛应用于石化、电力、冶金、轻纺、食品、医药、天然气、环保、国防、城建等领域,产品畅销全国各地,公司致力于开扣国际市场,产品远销欧美、中东、东南亚等多个国家和地区,深得广泛赞誉和信赖。 
  公司现有员工368人,其中高级工程师、工程师、专业技术人员68人,公司的技术力量雄厚,精良的生产设备,拥数控车床,加工中心等高新设备在内的各类加工和检测设备齐全。公司主要是采用美国API、ANSI、英国BS、德国DIN、法国NF、日本JIS、JPI、中国GB、JB、等国际、国内先进技术标准,生产“兴治”牌各系列新型节能的高压阀门、闸阀、截止阀、球阀、止回阀、调节阀、疏水阀、减压阀、过滤器、水处理器等60多个系列。生产通径1/4"~80"(DN6~2600mm),压力级150Lb~2500Lb(0.1Mpa. ~42Mpa. )工作温度-196C~680C. 阀体材料主要有碳钢、不锈钢、球铁、合金钢、蒙乃尔、20号合金钢等超高温高压、超耐磨、超耐腐蚀的材料,并可根据用户要求制造各种特殊阀门。多年来代理多个来自德国、日本、美国及英国进口品牌阀门,有多种代理商的优势。进口阀门品牌:德国TOP(托普)阀门、英国UK(优科)阀门、美国VT(富特)阀门、德国LIK(莱克)阀门、日本KITZ(北泽)阀门、日本VENN(阀天)阀门、日本HITACHI(日立)阀门、法国OTTO(奥托)阀门。公司始终坚持“重质量,讲信誉”为宗旨。产品现畅销全国各地,并已逐步开发海外市场。公司多次被评为“重合同讲信用”企业,深得用户的信赖和广泛的赞誉。
     公司以国际大都市−−上海为依托,充分利用区域和行业优势,致力引进国际先进的管理经验和科技创新、积极提升企业综合实力,扩大市场占有率,创造企业的品牌;遵循“追求无止境”和“用户至上”的理念,始终坚持“质量是我们生命的源泉,信誉创新是我们的立业根本,追求卓越是我们坚持不懈的目标”的经营方针。 
   
  “好阀门、兴治造”,不仅是兴治人永恒的追求,更是对广大用户质量和服务的挚诚承诺!欢迎新老客户光临兴治公司参观指导。
               诚信为本、信誉第一、以产品质量求生存
                                            交货及时、价格合理、用真诚服务谋发展
               
              展开
           
          
          
              
                  
产品说明
              
              
                  
JZF或YJF高压截止阀
兴治高压阀门
                                     JZF或YJF高压截止阀    
  
    
        
            
            
                
                    
                        一、简介 
                            YJF系列液压截止阀是专为液压系统设计制造的,其阀芯为液压平衡式,开启力小,密封可靠,体积小,本产品有管式、法兰式、板式等连接形式,广泛使用于液压系统管路,集成油路,可代替HIROSEVAL VEIND USTRYCLTD 等公司液压用截止阀。 
                         
                        二、型号说明 
                         | 
                          | 
                     
                
             
             | 
        
        
              
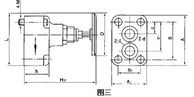
              三 、外形尺寸 | 
        
        
            
            
                
                    
                          
                         
                          | 
                        
                        
                            
                                
                                    | 型 号 | 
                                    H | 
                                    h | 
                                    L | 
                                    D | 
                                    d | 
                                    M | 
                                 
                                
                                    | YJF-L3H | 
                                    120 | 
                                    65 | 
                                    50 | 
                                    φ60 | 
                                    φ24 | 
                                    M10×1 | 
                                 
                                
                                    | YJF-L10H | 
                                    162.5 | 
                                    74 | 
                                    90 | 
                                    φ100 | 
                                    φ45 | 
                                    M18×1.5 | 
                                 
                                
                                    | YJF-L15H | 
                                    181.5 | 
                                    82 | 
                                    90 | 
                                    φ120 | 
                                    φ60 | 
                                    M22×1.5 | 
                                 
                                
                                    | YJF-L20H | 
                                    202 | 
                                    100 | 
                                    120 | 
                                    φ120 | 
                                    φ60 | 
                                    M27×2 | 
                                 
                                
                                    | YJF-L25H | 
                                    220 | 
                                    93 | 
                                    135 | 
                                    φ120 | 
                                    φ70 | 
                                    M33×2 | 
                                 
                                
                                    | YJF-L32H | 
                                    241 | 
                                    113 | 
                                    150 | 
                                    φ160 | 
                                    φ70 | 
                                    M42×2 | 
                                 
                            
                         
                         
                         
                         
                          | 
                     
                
             
            
                
                    
                          | 
                        
                        
                            
                                
                                    | 型 号 | 
                                    H开 | 
                                    H1 | 
                                    L | 
                                    L1 | 
                                    d1 | 
                                    d | 
                                    D | 
                                    A×A | 
                                 
                                
                                    | YJF-F10H | 
                                    162.5 | 
                                    74 | 
                                    120 | 
                                    10 | 
                                    φ12.5 | 
                                    φ18.5 | 
                                    φ100 | 
                                    54×54 | 
                                 
                                
                                    | YJF-F15H | 
                                    181.5 | 
                                    82 | 
                                    132 | 
                                    11 | 
                                    φ15 | 
                                    φ22.5 | 
                                    φ120 | 
                                    54×54 | 
                                 
                                
                                    | YJF-F20H | 
                                    202 | 
                                    100 | 
                                    140 | 
                                    12 | 
                                    φ20 | 
                                    φ28.5 | 
                                    φ120 | 
                                    58×58 | 
                                 
                                
                                    | YJF-F25H | 
                                    220 | 
                                    93 | 
                                    185 | 
                                    13 | 
                                    φ25 | 
                                    φ34.5 | 
                                    φ120 | 
                                    68×68 | 
                                 
                                
                                    | YJF-F32H | 
                                    241 | 
                                    113 | 
                                    204 | 
                                    16 | 
                                    φ32 | 
                                    φ43 | 
                                    φ160 | 
                                    76×76 | 
                                 
                                
                                    | YJF-F40H | 
                                    280 | 
                                    120 | 
                                    230 | 
                                    18 | 
                                    φ38 | 
                                    φ51 | 
                                    φ180 | 
                                    92×92 | 
                                 
                                
                                    | YJF-F50H | 
                                    318.5 | 
                                    138 | 
                                    245 | 
                                    20 | 
                                    φ48 | 
                                    φ61 | 
                                    φ200 | 
                                    100×100 | 
                                 
                            
                         
                         | 
                     
                
             
            
             | 
        
        
            
            
                
                    
                        | 型 号 | 
                        H开 | 
                        L | 
                        D | 
                        h | 
                        A | 
                        A1 | 
                        B | 
                        B1 | 
                        C | 
                        C1 | 
                        φ | 
                        d | 
                        M | 
                     
                    
                        | YJF-B10H | 
                        142.5 | 
                        106.5 | 
                        φ100 | 
                        40 | 
                        85 | 
                        70 | 
                        65 | 
                        50 | 
                        18.5 | 
                        46.5 | 
                        φ22 | 
                        φ10 | 
                        M10 | 
                     
                    
                        | YJF-B20H | 
                        197 | 
                        130 | 
                        φ120 | 
                        70 | 
                        113 | 
                        97 | 
                        81 | 
                        65 | 
                        22.2 | 
                        68.2 | 
                        φ35 | 
                        φ20 | 
                        M16 | 
                     
                    
                        | YJF-B32H | 
                        246 | 
                        160 | 
                        φ160 | 
                        80 | 
                        127 | 
                        127 | 
                        92 | 
                        92 | 
                        20.6 | 
                        71.45 | 
                        φ45 | 
                        φ30 | 
                        M20 | 
                     
                
             
             | 
        
    
本页产品地址:http://www.geilan.com/sell/show-203651.html