提交询价信息
发布紧急求购
您好,欢迎来到给览网!手机版|本站服务|添加收藏|帮助中心
您所在的位置: 给览网 » 供应 » 仪器配件 » 阀/接头 » JZFS型高压液压截止阀 JZFS型高压液压截止阀

JZFS型高压液压截止阀 JZFS型高压液压截止阀

兴治高压阀门(上海)有限公司
会员指数: 企业认证:

价格:电议

所在地:上海

型号:JZFS型高压液压截止阀

更新时间:2013-03-15

浏览次数:2293

公司地址:上海市普陀区古浪路355弄123号

叶先生(先生) 经理 

产品简介

JZFS型高压液压截止阀兴治高压阀门

公司简介


兴治高压阀门(上海)有限公司位于美丽的上海国际大都市,是集设计、开发、生产、加工、销售及售后服务为一体的高新技术创新型股份制企业。拥有两个生产基地,总占地面积52800平方米,建筑面积36500平方米。
  公司创建多年来在阀门制造业中积累了丰富的经验,并得以稳定快速的发展。公司已通过ISO9001国际质量体系认证企业,为了确保“兴治”品牌产品的质量,定期委托国家相关质量监督机构对产品进行测试,现已获得了“ML、AL”的认可;同时成为国家建设部、轻工部、化工部、电力系统指定产品和推荐产品;公司具备高水平研发、制造、检测、试验能力及健全严谨的科学管理体制,产品结构合理,制作工艺独特精湛、规格齐全、质量可靠。产品广泛应用于石化、电力、冶金、轻纺、食品、医药、天然气、环保、国防、城建等领域,产品畅销全国各地,公司致力于开扣国际市场,产品远销欧美、中东、东南亚等多个国家和地区,深得广泛赞誉和信赖。
  公司现有员工368人,其中高级工程师、工程师、专业技术人员68人,公司的技术力量雄厚,精良的生产设备,拥数控车床,加工中心等高新设备在内的各类加工和检测设备齐全。公司主要是采用美国API、ANSI、英国BS、德国DIN、法国NF、日本JIS、JPI、中国GB、JB、等国际、国内先进技术标准,生产“兴治”牌各系列新型节能的高压阀门、闸阀、截止阀、球阀、止回阀、调节阀、疏水阀、减压阀、过滤器、水处理器等60多个系列。生产通径1/4"~80"(DN6~2600mm),压力级150Lb~2500Lb(0.1Mpa. ~42Mpa. )工作温度-196C~680C. 阀体材料主要有碳钢、不锈钢、球铁、合金钢、蒙乃尔、20号合金钢等超高温高压、超耐磨、超耐腐蚀的材料,并可根据用户要求制造各种特殊阀门。多年来代理多个来自德国、日本、美国及英国进口品牌阀门,有多种代理商的优势。进口阀门品牌:德国TOP(托普)阀门、英国UK(优科)阀门、美国VT(富特)阀门、德国LIK(莱克)阀门、日本KITZ(北泽)阀门、日本VENN(阀天)阀门、日本HITACHI(日立)阀门、法国OTTO(奥托)阀门。公司始终坚持“重质量,讲信誉”为宗旨。产品现畅销全国各地,并已逐步开发海外市场。公司多次被评为“重合同讲信用”企业,深得用户的信赖和广泛的赞誉。
     公司以国际大都市−−上海为依托,充分利用区域和行业优势,致力引进国际先进的管理经验和科技创新、积极提升企业综合实力,扩大市场占有率,创造企业的品牌;遵循“追求无止境”和“用户至上”的理念,始终坚持“质量是我们生命的源泉,信誉创新是我们的立业根本,追求卓越是我们坚持不懈的目标”的经营方针。
  
  “好阀门、兴治造”,不仅是兴治人永恒的追求,更是对广大用户质量和服务的挚诚承诺!欢迎新老客户光临兴治公司参观指导。
               诚信为本、信誉第一、以产品质量求生存

                                            交货及时、价格合理、用真诚服务谋发展
展开

产品说明


点击图片放大

JZFS型高压液压截止阀
兴治高压阀门



JZFS型高压液压截止阀

本阀适用于液压系统和化工系统的各种管路上、作截止用。(可代替LF型节流阀)
    公称压力31.5MPa 
    试验压力48MPa 
    工作温度-20~+60℃ 
    适用介质液压油、水一乙二醇、其它混合液体。

二、型号说明


三 、型号说明
型式 连接形式 代号 型式 连接形式 代号
板式 仿日水平平板式 B 型式 直通圆锥管螺纹 LTZ
垂直板式 BI 直角普通螺纹 LJM
水平板式 BII 直角圆柱管螺纹 LJG
法兰板式 板式法兰 BF 直角圆锥管螺纹 LJZ
板式法兰I型 BFI 焊接法兰 FH
法兰板式 Fb 型式 直角焊按法兰 FJ
法兰板式I型 FBI 普通螺纹方法兰 FM
螺纹式 直通普通螺纹 LTM 圆锥管螺纹方法兰 FZ
直通圆柱管螺纹 LTG 圆柱管螺纹方法兰 FG
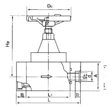
JZFS直角式内螺纹截止阀
型   号 d L F H D0
LTM LTG LTZ LTM LTG LTZ
JZFS-J10LTM JZFS-J10LTG JZFS-J10LTZ M18×1.5 3/8" 80 36 122 80
JZFS-J15LTM JZFS-J15LTG JZFS-J15LTZ M22×1.5 1/2" 100 40 130 80
JZFS-J20LTM JZFS-J20LTG JZFS-J20LTZ M27×2 3/4" 115 50 158 100
JZFS-J25LTM JZFS-J25LTG JZFS-J25LTZ M33×2 1" 135 58 178 140
JZFS-J32LTM JZFS-J32LTG JZFS-J32LTZ M42×2 11/4" 145 68 202 140
JZFS-H40LTM JZFS-J40LTG JZFS-J40LTZ M48×2 11/2" 155 76 226 160
JZFS-H50LTM JZFS-J50LTG JZFS-J50LTZ M64×2 2" 190 90 250 160
JZFS焊接法兰截止阀
型号 L L1 B b d d0 D D0 A
JZFS-J10FH 110 70 20 9 18.5 12 122 φ80 50×50
JZFS-J15FH 120 80 20 11 22.5 15 130 φ80 55×55
JZFS-J20FH 130 86 22 12 28.5 18 158 φ100 65×65
JZFS-J25FH 160 110 25 14 35 24 178 φ140 75×75
JZFS-J32FH 180 124 28 16 43 30 202 φ140 85×85
JZFS-H40FH 200 140 30 16 52 38 226 φ160 90×90
JZFS-H50FH 214 150 32 18 65.5 48 250 φ180 100×100
JZFS-H65FH 260 180 40 22 78 60 275 φ220 130×130
JZFS-H80FH 330 240 45 25 91 70 312 φ280 150×150


本页产品地址:http://www.geilan.com/sell/show-203650.html
免责声明:以上所展示的[JZFS型高压液压截止阀 JZFS型高压液压截止阀]信息由会员[兴治高压阀门(上海)有限公司]自行提供,内容的真实性、准确性和合法性由发布会员负责。
[给览网]对此不承担任何责任。
友情提醒:为规避购买风险,建议您在购买相关产品前务必确认供应商资质及产品质量!

发布询价单

厂商其他产品

没有合适的产品?是否在线询价?
询价标题
联系人
电话
主要内容
验证码