提交询价信息
发布紧急求购
您好,欢迎来到给览网!手机版|本站服务|添加收藏|帮助中心
您所在的位置: 给览网 » 供应 » 工控仪表 » 物位仪表 » 液位开关 » DF-96A,DF-96B,DF-96C 全自动电子式缺水补水开关

DF-96A,DF-96B,DF-96C 全自动电子式缺水补水开关

上海云鸥自动化仪表有限公司
会员指数: 企业认证:       

价格:电议

所在地:上海

型号:DF-96A,DF-96B,DF-96C

手机:13816682548

电话:021-65753080

更新时间:2017-03-17

浏览次数:2912

公司地址:上海市虹口区高阳路669号3号2802室

13816682548   马士龙(先生)   (来电时请说是从给览网看到我的)

产品简介

 DF-96B全自动电子式缺水补水开关,DF-96B液位开关价格 性能特征

公司简介

    本公司研制、开发、生产的产品主要有六大系列400多个品种,其中有温度仪表系列:符合IEC标准的A、B级热电阻、Ⅰ、Ⅱ级各种热电偶、防爆型一体化智能温度变送器等;压力、差压力仪表系列:普通压力/差压变送器、1151系列智能型电容式压力/差压变送器等;液位仪表系列:玻璃管/玻璃板液位计、磁性液位计、石英玻璃管双色液位计、电接点液位计、投入式静压液位变送器、电浮筒液位变送器等;流量仪表系列:全中文只智能涡街流量计、全中文智能涡轮流量计、流量积算仪等;显示仪表系列:光拄指示数字显示调节报警仪、智能型数字调节仪表等;仪表专用电缆系列:高温补偿导线、RV、BV 、系列聚氯乙烯屏蔽电缆、KV系列交联阻燃、电力电缆,信号、计算机电缆等。
展开

产品说明

 DF-96B全自动电子式缺水补水开关,DF-96B液位开关价格
性能特征
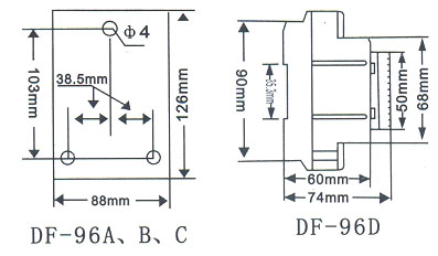
型号 DF-96A DF-96B DF-96C DF-96D
外形尺寸 126×88×51mm 126×88×51mm 126×88×51mm 126×88×74mm
工作电压 220V 220V 380V 220V
安装方式 壁挂 壁挂 壁挂 导轨
负载 10A 10A
单控上水池控头安装
               
(一)单控上水池控头安装说明安装图如图一所示:
A(经线)—为上水池(水塔)上限液位控制点,水位上升达到A点水位,水与探头接触,水们控制器自动关泵;
B(蓝线)—为上水池(水塔)下限液位控制点,水位下降到B点水位以下,水与探头脱离接触,上海云鸥仪表、水位控制器自动开泵,水池充水;
C(黑线)—为水池(水塔)地线,放在水池的zui低点与水池底部接触;
D(绿线)、E(黄线)点并接到C。
(二)单控下水池(即排水池)探头安装说明安装图如图二所示:
E—为下水池上限液位控制点,水们上升达到E点水位,水与探头接触,水位控制器自动开泵,水池排水;若不排水,则E点不接;
D—为下水池下限液位控制点,水位下降到D点水位,水与控头脱离接触,水位控制器自动关泵,水池停止排水;
C—为水池地线,上海云鸥仪表、放地水池的zui低点与水底部接触;
A、B点不接。
(三)缺水保护探头安装说明安装图如图三所示:
C、D点为水池下限水位控制点,水位下降到下限水位,C、D探头之一与水面脱离接触,水位控制器继电器立即动作,切断输出,水泵停止工作;
E点与C点短接;
A、B点不接。
 
(四)上下水池联合控制探头安装说明安装图如图三所示:
A—为上水池(水塔)上限液位控制点,水位上升达到A点水位,水与控头接触,水们控制器自动关泵;
B—为上水池(水塔)下限液们控制点,水位下降到B点水位以下,水与探头脱离接触,水位控制自动开泵,水池充水;
C—为上、下不池(水塔)公用在线,放在上、下水池的zui低点与水池底部接触;
D—为下水池下限液位控制点,水位下降到D点水位,上海云鸥仪表、水与探头脱离接触,水位控制器自动关泵,水池停止排水;
E—为下水池上限液位控制点,水位上升到E点水位,水与探头接触,水位控制器自动开泵,水池排头;若不排水,则E点不接。
安装尺寸
安装使用其他说明
1、为确保液位控制器正常工作,安装好后请再次检查输入输出的接线、探头连接线是否接触可靠。可上、下移动探头,使其接触、脱离水面,模拟检测水们控制器是否安装正确且能按您的需要正常工作。
2、建议将各点探头固定在水池内壁,以免探头位置发生偏移导致水位控制器误动作,(若水池壁为金属,则除C点地线外不宜接在内壁,以免发生短路,导致水位控制器不能正常工作)。
3、按上述接线方法接好后,上海云鸥仪表、检查产品右侧的“手动/自动”开关(DF-96D无),是否确能根据用户需要手动开启、关闭水泵,用后将其调整回“自动”位置,水位控制器进入工作状态。
4、临时需开启、关闭水泵,请用水位控制器左侧的“手动/自动”开关控制(DF-96D)型无手动开关。
5、为避免误动作,请勿将产品安装在潮湿、腐蚀及高金属含量气体的环境中。本产品采用集成电路,并结合高层楼宇上、下水池(水塔)的水位分级提升进行设计,具有上下水池联合控制,水池排水及缺水保护等功能,上海云鸥仪表、可自动实现水箱补水、排水,并有效防止水池水位过高溢出或水泵空转损坏,是一种工业、家庭均适用的产品。非常适合城镇、村、学校、工矿企事业单位及家庭用水的水塔—水井供水工程,广泛应用于印染、化工、食品、饮料、酿酒、制糖等行业
性能特征
型号 DF-96A DF-96B DF-96C DF-96D
外形尺寸 126×88×51mm 126×88×51mm 126×88×51mm 126×88×74mm
工作电压 220V 220V 380V 220V
安装方式 壁挂 壁挂 壁挂 导轨
负载 10A 10A
单控上水池控头安装
               
(一)单控上水池控头安装说明安装图如图一所示:
A(经线)—为上水池(水塔)上限液位控制点,水位上升达到A点水位,水与探头接触,水们控制器自动关泵;
B(蓝线)—为上水池(水塔)下限液位控制点,水位下降到B点水位以下,水与探头脱离接触,上海云鸥仪表、水位控制器自动开泵,水池充水;
C(黑线)—为水池(水塔)地线,放在水池的zui低点与水池底部接触;
D(绿线)、E(黄线)点并接到C。
(二)单控下水池(即排水池)探头安装说明安装图如图二所示:
E—为下水池上限液位控制点,水们上升达到E点水位,水与探头接触,水位控制器自动开泵,水池排水;若不排水,则E点不接;
D—为下水池下限液位控制点,水位下降到D点水位,水与控头脱离接触,水位控制器自动关泵,水池停止排水;
C—为水池地线,上海云鸥仪表、放地水池的zui低点与水底部接触;
A、B点不接。
(三)缺水保护探头安装说明安装图如图三所示:
C、D点为水池下限水位控制点,水位下降到下限水位,C、D探头之一与水面脱离接触,水位控制器继电器立即动作,切断输出,水泵停止工作;
E点与C点短接;
A、B点不接。
 
(四)上下水池联合控制探头安装说明安装图如图三所示:
A—为上水池(水塔)上限液位控制点,水位上升达到A点水位,水与控头接触,水们控制器自动关泵;
B—为上水池(水塔)下限液们控制点,水位下降到B点水位以下,水与探头脱离接触,水位控制自动开泵,水池充水;
C—为上、下不池(水塔)公用在线,放在上、下水池的zui低点与水池底部接触;
D—为下水池下限液位控制点,水位下降到D点水位,上海云鸥仪表、水与探头脱离接触,水位控制器自动关泵,水池停止排水;
E—为下水池上限液位控制点,水位上升到E点水位,水与探头接触,水位控制器自动开泵,水池排头;若不排水,则E点不接。
安装尺寸
安装使用其他说明
1、为确保液位控制器正常工作,安装好后请再次检查输入输出的接线、探头连接线是否接触可靠。可上、下移动探头,使其接触、脱离水面,模拟检测水们控制器是否安装正确且能按您的需要正常工作。
2、建议将各点探头固定在水池内壁,以免探头位置发生偏移导致水位控制器误动作,(若水池壁为金属,则除C点地线外不宜接在内壁,以免发生短路,导致水位控制器不能正常工作)。
3、按上述接线方法接好后,上海云鸥仪表、检查产品右侧的“手动/自动”开关(DF-96D无),是否确能根据用户需要手动开启、关闭水泵,用后将其调整回“自动”位置,水位控制器进入工作状态。
4、临时需开启、关闭水泵,请用水位控制器左侧的“手动/自动”开关控制(DF-96D)型无手动开关。
5、为避免误动作,请勿将产品安装在潮湿、腐蚀及高金属含量气体的环境中。本产品采用集成电路,并结合高层楼宇上、下水池(水塔)的水位分级提升进行设计,具有上下水池联合控制,水池排水及缺水保护等功能,上海云鸥仪表、可自动实现水箱补水、排水,并有效防止水池水位过高溢出或水泵空转损坏,是一种工业、家庭均适用的产品。非常适合城镇、村、学校、工矿企事业单位及家庭用水的水塔—水井供水工程,广泛应用于印染、化工、食品、饮料、酿酒、制糖等行业
性能特征
型号 DF-96A DF-96B DF-96C DF-96D
外形尺寸 126×88×51mm 126×88×51mm 126×88×51mm 126×88×74mm
工作电压 220V 220V 380V 220V
安装方式 壁挂 壁挂 壁挂 导轨
负载 10A 10A
单控上水池控头安装
               
(一)单控上水池控头安装说明安装图如图一所示:
A(经线)—为上水池(水塔)上限液位控制点,水位上升达到A点水位,水与探头接触,水们控制器自动关泵;
B(蓝线)—为上水池(水塔)下限液位控制点,水位下降到B点水位以下,水与探头脱离接触,上海云鸥仪表、水位控制器自动开泵,水池充水;
C(黑线)—为水池(水塔)地线,放在水池的zui低点与水池底部接触;
D(绿线)、E(黄线)点并接到C。
(二)单控下水池(即排水池)探头安装说明安装图如图二所示:
E—为下水池上限液位控制点,水们上升达到E点水位,水与探头接触,水位控制器自动开泵,水池排水;若不排水,则E点不接;
D—为下水池下限液位控制点,水位下降到D点水位,水与控头脱离接触,水位控制器自动关泵,水池停止排水;
C—为水池地线,上海云鸥仪表、放地水池的zui低点与水底部接触;
A、B点不接。
(三)缺水保护探头安装说明安装图如图三所示:
C、D点为水池下限水位控制点,水位下降到下限水位,C、D探头之一与水面脱离接触,水位控制器继电器立即动作,切断输出,水泵停止工作;
E点与C点短接;
A、B点不接。
 
(四)上下水池联合控制探头安装说明安装图如图三所示:
A—为上水池(水塔)上限液位控制点,水位上升达到A点水位,水与控头接触,水们控制器自动关泵;
B—为上水池(水塔)下限液们控制点,水位下降到B点水位以下,水与探头脱离接触,水位控制自动开泵,水池充水;
C—为上、下不池(水塔)公用在线,放在上、下水池的zui低点与水池底部接触;
D—为下水池下限液位控制点,水位下降到D点水位,上海云鸥仪表、水与探头脱离接触,水位控制器自动关泵,水池停止排水;
E—为下水池上限液位控制点,水位上升到E点水位,水与探头接触,水位控制器自动开泵,水池排头;若不排水,则E点不接。
安装尺寸
安装使用其他说明
1、为确保液位控制器正常工作,安装好后请再次检查输入输出的接线、探头连接线是否接触可靠。可上、下移动探头,使其接触、脱离水面,模拟检测水们控制器是否安装正确且能按您的需要正常工作。
2、建议将各点探头固定在水池内壁,以免探头位置发生偏移导致水位控制器误动作,(若水池壁为金属,则除C点地线外不宜接在内壁,以免发生短路,导致水位控制器不能正常工作)。
3、按上述接线方法接好后,上海云鸥仪表、检查产品右侧的“手动/自动”开关(DF-96D无),是否确能根据用户需要手动开启、关闭水泵,用后将其调整回“自动”位置,水位控制器进入工作状态。
4、临时需开启、关闭水泵,请用水位控制器左侧的“手动/自动”开关控制(DF-96D)型无手动开关。
5、为避免误动作,请勿将产品安装在潮湿、腐蚀及高金属含量气体的环境中。本产品采用集成电路,并结合高层楼宇上、下水池(水塔)的水位分级提升进行设计,具有上下水池联合控制,水池排水及缺水保护等功能,上海云鸥仪表、可自动实现水箱补水、排水,并有效防止水池水位过高溢出或水泵空转损坏,是一种工业、家庭均适用的产品。非常适合城镇、村、学校、工矿企事业单位及家庭用水的水塔—水井供水工程,广泛应用于印染、化工、食品、饮料、酿酒、制糖等行业

DF-96B全自动电子式缺水补水开关,DF-96B液位开关价格
本页产品地址:http://www.geilan.com/sell/show-1868982.html
免责声明:以上所展示的[DF-96A,DF-96B,DF-96C 全自动电子式缺水补水开关]信息由会员[上海云鸥自动化仪表有限公司]自行提供,内容的真实性、准确性和合法性由发布会员负责。
[给览网]对此不承担任何责任。
友情提醒:为规避购买风险,建议您在购买相关产品前务必确认供应商资质及产品质量!

发布询价单

没有合适的产品?是否在线询价?
询价标题
联系人
电话
主要内容
验证码