| 提交询价信息 |
| 发布紧急求购 |
价格:电议
所在地:江苏 淮安市
型号:
更新时间:2012-06-27
浏览次数:1494
公司地址:江苏省金湖县大兴工业园东阳路116号
![]()
於正霞(先生)
|

钽合金(Ta),氟塑料(F4)。● 隔膜表的温度特性
由于隔膜表的系统内填充了密封液作为压力传递和介质,致使隔膜表的温度影响与密封液体膨胀系数、隔膜刚度及受压部位的温度有关。对于低量程压力仪表的影响尤为明显。一般受压部温度误差规定不大于0.1%/℃,所以隔膜表的温度影响一般是由通用压力仪表温度影响与隔膜隔离器受压部温度影响量两者之和。
● 隔膜表的液位差
尤其是对于带软连接管的隔膜表,由于隔膜受压部与通用型压力表安装位置不在同一水平面上,会产生液位差和影响量△P。在精确测量时更就注意。
● 隔膜表的耐腐蚀性
隔膜表和耐腐蚀性可通过合适和选择与测量介质接触部分的隔膜,法兰及密封垫圈的材料来保证。
隔膜材料:0Cr17Ni12Mo2(316);蒙乃尔匐金(Cu30Ni70);哈氏全金(H276C);钽(Ta)及氟塑料(F4)。
法兰材料:不锈 钢0Cr17Ni12Mo2(316);不锈钢内衬氟塑料(316+F4)。
密封垫圈材料:丁腈橡胶;氟橡胶;硅橡胶及氟塑料。
● 隔膜液的选择
为保证隔膜表使用可靠性和安全性,应根据不同用途选择合适的密封液。
型号标记示例
标记1:HR-Y-100B/SR/MF(A)/316/4PMa/50- 4.0HGJ46
通用仪表为HR-Y-100B不锈钢压力表,连接形式为SR散热式,采用敞开式凸面法兰MF,隔离器(法兰)材料为碳钢,膜片材料为316不锈钢,测量范围0~4.0MPa。法兰标准50-4.0HGJ46。
标记2:HR-YSG-2/Z/MG(B)/哈/1MPa/20-4.0HGJ47
通用仪表为HR-YSG-2电感压力变送器,连接形式为直接,采用工字型法兰MG,隔离器(法兰)材料为1Cr18Ni9,膜片材料为哈氏全金,测量范围0~1MPa,法兰标准为20-4.0HGJ47。
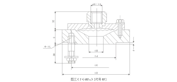
隔膜装置法兰尺寸




免责声明:以上所展示的[ 隔膜压力表]信息由会员[江苏金湖正兴仪表有限公司]自行提供,内容的真实性、准确性和合法性由发布会员负责。