| 提交询价信息 |
| 发布紧急求购 |
价格:电议
所在地:上海
型号:DF-96C
手机:13816682548
电话:021-65753080
更新时间:2014-07-29
浏览次数:1835
公司地址:上海市虹口区高阳路669号3号2802室
DF-96C缺水保护全自动液位开关可自动实现水箱补水、排水,并有效防止水池水位过高溢出或溢出空转损坏,是一种工业、家庭均适用的产品。
|
DF-96B液位控制器,DF-96B缺水保护全自动液位开关
|
|
|
水位控制器
|
|
|
工作电压
|
AC220V/50Hz
|
|
外形尺寸
|
126×88×51mm
|
|
负载容量
|
AC220V/
|
|
重量
|
350g
|

|
性能特征
单控上水池控头安装
![]() (一)单控上水池控头安装说明安装图如图一所示:
A(经线)—为上水池(水塔)上限液位控制点,水位上升达到A点水位,水与探头接触,水们控制器自动关泵;
B(蓝线)—为上水池(水塔)下限液位控制点,水位下降到B点水位以下,水与探头脱离接触,上海云鸥仪表、水位控制器自动开泵,水池充水;
C(黑线)—为水池(水塔)地线,放在水池的zui低点与水池底部接触;
D(绿线)、E(黄线)点并接到C。
(二)单控下水池(即排水池)探头安装说明安装图如图二所示:
E—为下水池上限液位控制点,水们上升达到E点水位,水与探头接触,水位控制器自动开泵,水池排水;若不排水,则E点不接;
D—为下水池下限液位控制点,水位下降到D点水位,水与控头脱离接触,水位控制器自动关泵,水池停止排水;
C—为水池地线,上海云鸥仪表、放地水池的zui低点与水底部接触;
A、B点不接。
(三)缺水保护探头安装说明安装图如图三所示:
C、D点为水池下限水位控制点,水位下降到下限水位,C、D探头之一与水面脱离接触,水位控制器继电器立即动作,切断输出,水泵停止工作;
E点与C点短接;
A、B点不接。
|
|||||||||||||||||||||||||||
|
(四)上下水池联合控制探头安装说明安装图如图三所示:
A—为上水池(水塔)上限液位控制点,水位上升达到A点水位,水与控头接触,水们控制器自动关泵;
B—为上水池(水塔)下限液们控制点,水位下降到B点水位以下,水与探头脱离接触,水位控制自动开泵,水池充水;
C—为上、下不池(水塔)公用在线,放在上、下水池的zui低点与水池底部接触;
D—为下水池下限液位控制点,水位下降到D点水位,上海云鸥仪表、水与探头脱离接触,水位控制器自动关泵,水池停止排水;
E—为下水池上限液位控制点,水位上升到E点水位,水与探头接触,水位控制器自动开泵,水池排头;若不排水,则E点不接。
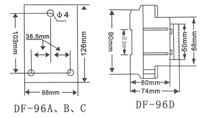
安装尺寸
![]() 安装使用其他说明
1、为确保液位控制器正常工作,安装好后请再次检查输入输出的接线、探头连接线是否接触可靠。可上、下移动探头,使其接触、脱离水面,模拟检测水们控制器是否安装正确且能按您的需要正常工作。
2、建议将各点探头固定在水池内壁,以免探头位置发生偏移导致水位控制器误动作,(若水池壁为金属,则除C点地线外不宜接在内壁,以免发生短路,导致水位控制器不能正常工作)。
3、按上述接线方法接好后,上海云鸥仪表、检查产品右侧的“手动/自动”开关(DF-96D无),是否确能根据用户需要手动开启、关闭水泵,用后将其调整回“自动”位置,水位控制器进入工作状态。
4、临时需开启、关闭水泵,请用水位控制器左侧的“手动/自动”开关控制(DF-96D)型无手动开关。
5、为避免误动作,请勿将产品安装在潮湿、腐蚀及高金属含量气体的环境中。本产品采用集成电路,并结合高层楼宇上、下水池(水塔)的水位分级提升进行设计,具有上下水池联合控制,水池排水及缺水保护等功能,上海云鸥仪表、可自动实现水箱补水、排水,并有效防止水池水位过高溢出或水泵空转损坏,是一种工业、家庭均适用的产品。非常适合城镇、村、学校、工矿企事业单位及家庭用水的水塔—水井供水工程,广泛应用于印染、化工、食品、饮料、酿酒、制糖等行业
|
免责声明:以上所展示的[DF-96C 缺水保护全自动液位开关]信息由会员[上海云鸥自动化仪表有限公司]自行提供,内容的真实性、准确性和合法性由发布会员负责。