| 提交询价信息 |
| 发布紧急求购 |
价格:电议
所在地:江苏 无锡市
型号:MFZ11A-40YC,MFJ11A-28YC,
更新时间:2020-09-05
浏览次数:981
公司地址:无锡市锡沪西路999号
![]()
穆格(先生) 经理
无锡穆格流体控制科技有限公司:位于工业发达、交通便利、风景优美的江南水乡-----无锡,是专业研发、生产高中低压泵、阀类、马达、液压阀、液压泵及液压系统的生产型企业。
穆格公司宗旨:在保证产品优良品质的前提下,始终如一地坚持将zui大的实惠让给客户!穆格公司承诺:1、品质量优良,符合并优于国家质量标准 2、以极具竞争力的价格参与全国性竞争,zui大限度地降低您的采购成本 3、承接各类非标产品!
MFZ11A-40YC,MFJ11A-28YC,MFZ11A-95YC,MFJ11A-52YC,阀用电磁铁,电磁铁价格,供应电磁铁,电磁铁生产厂家
用途:
直流:MFZ11A-YC系列电磁铁适用于单相桥式全波整流的直流电压至220V的电路中。交流:MFJ11A-YC系列电磁铁适用于交流50Hz、电压至220V、60Hz至240V控制电路中,作为液压电磁换向阀的动力元件。可配套北部精机型、六、十通径螺纹连接的电磁换向阀。*当电流为交流时可以选用MFZ11A-YC-RF交流全波整流型电磁铁、其性能和直流电源电磁铁完全相同。
主要技术参数
|
参数 型号 |
MFZ11A-40YC |
MFJ11A-28YC |
MFJ11A-52YC |
MFZ11A-95YC |
|
额定吸力(N) |
40 |
28 |
52 |
95 |
|
额定行程(mm) |
3 |
3 |
4 |
4 |
|
全行程(mm) |
≥6.5 |
≥6.5 |
≥8.6 |
≥8.6 |
|
消耗功率(W) |
30 |
30 |
45 |
36 |
|
承受油压(MPa) |
21 |
21 |
21 |
21 |
|
操作频率(T/h) |
12000 |
12000 |
12000 |
12000 |
|
额定电压(V) |
12 24 RF240/120 |
120 220 240 |
110 120 220 240 |
12 24 RF120/240 |
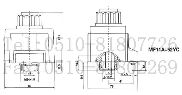
外形及安装尺寸




使用注意事项:
●电磁铁采用符合ISO4400标准的插座。有带指示灯、不带指示灯两种规格,您可以根据需要进行选择。带指示灯插座的电压规格必须与电磁铁本体电压规格相符。
●电磁铁的手动推杆用于在调试时或紧急情况下,进行手动控制。但当系统背压较高,调节困难时,请使用十字螺丝刀缓推手推杆,不宜使用冲击力,以免破坏手动推杆和导向内孔表面,造成电磁铁漏油或不能复位。
●当双向使用电磁铁时,一定要保证两个电磁铁不能同时通电,以免电磁阀不能正常工作。·电气控制系统与电磁铁连接部分之间应设有过流保护装置,以免在非正常情况下,烧毁电磁铁及您的电控元件。
MFZ11A-40YC,MFJ11A-28YC,MFZ11A-95YC,MFJ11A-52YC,阀用电磁铁,电磁铁价格,供应电磁铁,电磁铁生产厂家
免责声明:以上所展示的[MFZ11A-40YC,MFJ11A-28YC, 阀用电磁铁]信息由会员[无锡穆格流体控制科技有限公司]自行提供,内容的真实性、准确性和合法性由发布会员负责。