公司简介
金湖美高仪表有限公司主要从事温度、压力、流量、物位等系列仪器仪表、计量仪器、
控制系统的设计、开发、及装置总成技术的销售、服务工作。
公司座落在美丽富饶的高邮湖畔,有“天下第一荷花”美称的鱼米之乡——金湖境内,
交通方便,东临京沪高速、西靠宁连高速、盐金线贯穿境内。
美高仪表正以卓越的敬业精神,精雕细琢的产品,周到细致的服务,步入市场经济发展的浪潮中。
本公司将以优质的产品、优惠的价格、优良的服务积极参与市场竞争,竭诚与各界朋友,
新老客户诚信合作,共创辉煌。
展开
产品说明
| 磁助电接点压力表的详细资料: |
 |
|
磁助电接点压力表
|
YXC系列磁助电接点压力表:
为能适应被测对象的各异和需求,磁助电接点压力表在原有普通型和专用型的基础上,又相继研制了抗振型、耐蚀型、耐蚀抗振型以及带有隔离装置等多种类型共10多种型号的产品。广泛应用于石油、化工、电站、冶金等工业部门,在环境较为恶劣和有耐腐要求的场合中测量无爆炸危险的各种流体介质的压力。仪表经与相应的电气器件配套使用,可达到对被测压力系统实现自动控制和发信(报警)的目的。

鉴于磁助电接点压力表不仅具有设计新颖、结构可靠、品种规格齐全、动作稳定性好、适应性强的特点外,而且又具有测控并茂、安装简单、维护量小等优点,因此,磁助电接点压力表是一般无指示、无切换差调整和无外设定装置的压力控制器所无可比拟的压力测控仪表。
主要技术指标及功能
· 磁助电接点压力表标度范围、精确度等级及接头螺纹尺寸
|
类 型
|
型 号
|
名称(含全称
或简称)
|
标度范围
MPa
|
精确度等级
|
接头螺纹
尺寸
|
|
指示
|
设定值
|
|
接通
|
断开
|
|
普通型
|
YXC-100
*YXC-102
YXC-103
|
磁助电接点压力表
|
0~0.6至60及-0.1~0.06至2.4系列
|
1.5
|
1.5
|
4
|
M20×1.5
(*G3/8″)
(*G1/2″)
|
|
YXC-150
*YXC-153
|
0~0.1至60及-0.1~0至2.4系列
|
|
专用型
|
YXCA-150
|
磁助电接点氨压力表
|
0~0.16至60及-0.1~0.06至2.4系列
|
2.5
|
2.5
|
4
|
|
抗振型
|
YXC-100-Z
*YXC-102-Z
YXC-103-Z
|
磁助电接点压力表
|
0~0.6至60及-0.1~0.5至2.4系列
|
1.5
|
1.5
|
5
|
|
耐蚀型
|
*YXC-100B-F
*YXC-102B-F
*YXC-103B-F
*YXC-150B-F
*YXC-152B-F
|
0~0. 6至60及-0.1~0.06至2.4系列
|
1.5
|
1.5
|
4
|
|
耐蚀抗振型
|
*YXC-100B-FZ
*YXC-102B-FZ
*YXC-152B-FZ
*YXC-153B-FZ
|
0~0. 6至60及-0.1~0.5至2.4系列
|
1.5
|
1.5
|
5
|
|
隔离式普通型
隔离式耐蚀型
|
YXCG-103
*YXCG-103-F
|
隔离式磁助电接点压力表
|
0~0. 16至60及-0.1~0.06至2.4系列
|
1.5
|
1.5
|
4
|
M42×2
(*G1 1/4″)
|
|
隔离式抗振型
|
YXCG-103-Z
|
0~0. 6至60及-0.1~0.5至2.4系列
|
1.5
|
1.5
|
5
|
|
隔离式耐蚀抗振型
|
*YXCG-103-FZ
|
注:1)标有“*”的型号暂限于特殊订货
2)隔离式的软尾长度为1、2、3、4m(其中2m为优选长度)
|
电接点压力表适用于测量对铜合金无腐蚀、无爆炸危险、非结晶的各种液体、气体等介质压力。仪表经与相应的电气器件配套使用,智能隔离器可达到对被测压力系统实现预先设定的zui大或zui小压力值的双位自动控制和发信(报警)的目的。
仪表具有测量控制功能,可任意设定上、下限值,动作稳定可靠,在石油、化工、电站、冶金等工业企业及机电设备上广泛配套使用。
|
|
结构原理
|
|
仪表由测量系统、指示装置、磁助电接点装置、外壳、调节装置及接线盒等组成。
当被测压力作用于弹簧管时,智能闪光报警仪其末端产生相应的弹性变形一位移,经传动机构放大后,由指示装置在度盘上指示出来。同时指针带动电接点装置的活动触点与设定指针上的触头(上限或下限)相接触的瞬时,智能闪光报警仪致使控制系统接通或断开电路,以达到自动控制和发信报警的目的。
在电接点装置的电接触信号针上,装有可调节的磁钢,可以增加接点吸力,加快接触动作,从而使触点接触可靠,无纸记录仪消除电弧,能有效地避免仪表由于工作环境振动或介质压力脉动造成触点的频繁关断。所以该仪表具有动作可靠、使用寿命长、触点开关功率较大等优点。
● 接点装置电气参数及控制形式
|
| 触头功率 |
zui高工作电压 |
zui大工作电流
|
控制形式 |
| 30VA(阻性负载) |
220VDC或380VAC |
1A |
上下限、双上限、双下限 |
|
| 型号表示 |
|
|
|
|
|
MG-YXC-100
|
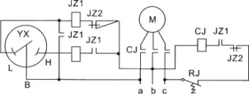
| 电气电路连接示意图 |
|
|
图中:JZ1、JZ2—继电器及触点
CJ—接触器及触点 RJ—热继电器
M—电机 YX—电接点压力表
L—下限接点(绿) H—上限接点(红)
B—公共接点(黄) |
|
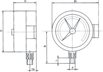
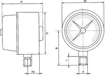
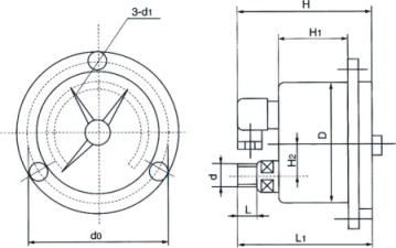
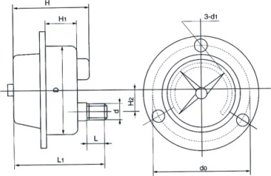
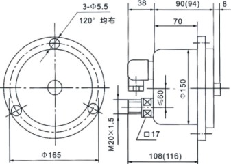
外形尺寸
|
|

MG-YXC-100(1)、MG-YXC-150(1)

MG-YXC-100(2)、MG-YXC-150(2)
|
|

MG-YXC-100(1)ZT、MG-YXC-150(1)ZT

MG-YXC-100(2)ZT、MG-YXC-150(2)ZT
|
|

MG-YXC-150、MG-YXCA-150

MG-YXC-153
|
| 型号 |
D |
H |
H1 |
H2 |
d0 |
d |
d1 |
B |
B1 |
L |
L1 |
|
MG-YXC-60
|
φ60 |
46 |
|
13 |
|
M14×1.5 |
|
56 |
72 |
14 |
|
|
MG-YXC-100
|
φ100 |
95 |
|
17 |
|
M20×1.5 |
|
87 |
121 |
20 |
|
|
MG-YXC-100ZT
|
φ100 |
96 |
33 |
30 |
118 |
M20×1.5 |
5.5 |
|
|
20 |
115 |
|
MG-YXC-150
|
φ150 |
78 |
40 |
17 |
165 |
M20×1.5 |
5.5 |
113 |
150 |
20 |
|
|
MG-YXC-150ZT
|
φ150 |
78 |
40 |
30 |
165 |
M20×1.5 |
5.5 |
113 |
150 |
|
|
|
|
|
| |
|
| |
本页产品地址:http://www.geilan.com/sell/show-160607.html

免责声明:以上所展示的[
YXC磁助电接点压力表]信息由会员[
江苏美高仪表有限公司]自行提供,内容的真实性、准确性和合法性由发布会员负责。
[给览网]对此不承担任何责任。
友情提醒:为规避购买风险,建议您在购买相关产品前务必确认供应商资质及产品质量!