提交询价信息
发布紧急求购
您好,欢迎来到给览网!手机版|本站服务|添加收藏|帮助中心
您所在的位置: 给览网 » 供应 » 工控仪表 » 其它工控仪表 » PID自整定控制仪(阀位控制)

PID自整定控制仪(阀位控制)

江苏普能仪表有限公司
会员指数: 企业认证:         

价格:电议

所在地:江苏 淮安市

型号:

更新时间:2015-07-02

浏览次数:3484

公司地址:江苏淮安金湖工业园区

孙瑞梅(女士)  

产品简介

PID自整定控制仪(阀位控制)的详细资料:

公司简介

江苏普能仪表有限公司座落于一代伟人周总理的故乡--淮安市,是以流量、压力、温度、校验、显示、记录仪表为主导产品的公司。  公司现有员工多人,其中有各类高、中级专业技术人员多人,公司本着”质量第一、用户至上”的原则,以产品质量为中心, 建立了完整的产品质量保证体系,通过采用新技术、新工艺,向用户提供了质 量可靠、性价比优越的产品。 江苏普能仪表有限公司经过多年发展,凭借先进的企业经营、高质量的生产管理及优秀的市场服务体系,产品覆盖了全国20多个省、市、自治区,广泛用于石油、化工、医药、冶金、造纸、 食品、市政等领域,在广大用户中享有较高的声誉。 面向未来,普能期待您的垂询
展开

产品说明

PID自整定控制仪(阀位控制)的详细资料:

PN-WS模糊PID自整定调节器/温控器(阀位控制)

 

PN-WS系列模糊PID自整定调节器/温控器(阀位控制)其主要特点:
模糊PID自整定调节器/温控器(阀位控制)采用了人工智能模糊控制;提高了采样速率(250ms)、运算精度、控制精度(一般优于0.2%FS);在外给定基础上采用微分先行的控制方式有效的抑制了对象的扰动问题;
可取代伺服放大器直接驱动执行机构(如阀门等);阀门控制可选择有/无限位方式;
可自动跟随阀位反馈值进行控制输出(模拟量控制输出或继电器正转、反转控制输出)。
可实现自动/手动无扰动切换。手动切换至自动时,采用逼近法积算,并带切换限幅功能,以实现手动/自动的平稳切换。
可同时两路输入并显示测量信号及阀位反馈信号。
可分别带有一路模拟量控制输出或开关量控制输出--继电器正转、反转控制及一路模拟量变送输出,适用于各种测量控制场合。
可带串行通信输出,可与各种带串行输入/输出的设备进行双向通信,组成网络控制系统;采用标准MODBUS RTU通信协议。
采用双LED数码(可同时显示测量值+阀位反馈值或输出量)+双光柱(可同时显示测量值+阀位反馈值或输出量),光柱显示使显示更为清晰直观。
技术指标
商 标

型 号

PN-WS-X

D825、S825、D725、D925、D425、S425、TD825、TS825系列

输入信号 热 电 偶: K、E、S、B、J、T;冷端温度自动补偿范围0~50℃,补偿准确度±1℃。
热 电 阻:Pt100、Cu50;引线电阻补偿范围≤15Ω。
直流电压:0~5V、1~5V;
直流电流:0~10mA、4~20mA 。
输入阻抗:电压信号Ri≥250KΩ。
输出信号 模拟量输出:DC 0~10mA输出(负载电阻≤750Ω)
DC 4~20mA输出(负载电阻≤500Ω)
DC 0~5V输出(负载电阻≥250KΩ)
DC 1~5V输出(负载电阻≥250KΩ)
开关量输出:继电器控制输出─继电器ON/OFF带回差。AC220V/1A,DC24V/3A (阻性负载)
可控硅控制输出─SCR(可控硅过零触发脉冲)输出,光电隔离,400V/0.5A
固态继电器控制输出─SSR(固态继电器控制信号)输出,光电隔离,6~24V/30mA
双向可控硅无触点开关输出─SOT输出,光电隔离,400V/7A
通讯输出: 接口方式─标准串行双向通讯接口:光电隔离,RS-485,RS-232等
波特率─1200~9600bps 内部自由设定 采用标准MODBUS RTU通信协议
馈电输出: DC24±1V,负载电流≤30mA
特 性 测量精度: ±0.5%FS或0.2%FS
分 辨 率: ±1字
测量范围: -1999~9999字
显示方式: -1999~9999字测量值显示
-1999~9999字设定值显示
-1999~9999字控制目标值显示
0~100%输出量显示
双LED+双光柱显示
发光二极管工作状态显示
温度补偿: 0~50℃数字式温度自动补偿
参数设定: ·面板轻触式按键数字设定
·参数设定值断电后保存
·参数设定值密码锁定
保护方式: ·输入回路断线报警(热电偶或电阻输入时),继电器输出状态LED指示
·输入超/欠量程报警
·电源欠压自动复位
·工作异常自动复位(Watch Dog)
使用环境 环境温度: 0~50℃
相对湿度: ≤85%RH ·避免强腐蚀性气体
供电电压: 常规型 AC220V %(50Hz±2Hz线性电源)
特殊型 AC90V~265V-开关电源
DC24V±2V-开关电源
功 耗: ≤5W(AC220V线性电源供电)
≤4W(AC90~265V开关电源供电)
≤4W(DC24V电源供电)
PN-WS-X TD/D825系列(横式) S/TS825系列(竖式)
仪表外形




 

外形尺寸 宽×高×深:160×80×140mm 宽×高×深:80×160×140mm
开孔尺寸

单位:mm

单位:mm

重量 ·常规型:850g ·常规型:550g
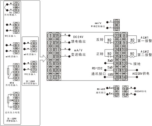
接线图

横式

备 注 特殊订货与本接线图不同之处,以随机接线图为准。(竖式与上接线图一致,但方向不一样,竖式仪表向左逆时针旋转90℃,竖式光柱向右顺时针旋转90℃。)不同功能在同一端子的,只能选其中一种功能。
PN-WS-X D925系列 D725系列
仪表外形
外形尺寸 宽×高×深:96×96×105mm 宽×高×深:72×72×105mm
开孔尺寸 单位:mm 单位:mm
重 量
.常规型:500
.常规型:450
接线图

D925系列

备注:特殊订货与本接线图不同之处,以随机接线图为准。不同功能在同一端子的,只能选其中一种功能。

D725系列

PN-WS-X D425系列(横式) S425系列(竖式)
仪表外形
外形尺寸 宽×高×深:96×48×105mm 宽×高×深:48×96×105mm
开孔尺寸 单位:mm 单位:mm
接线图

横式


 

备注 特殊订货与本接线图不同之处,以随机接线图为准。(竖式与上接线图一致,但方向不一样,竖式仪表向左逆时针旋转90℃。)不同功能在同一端子的,只能选其中一种功能。

PN-WS系列模糊PID自整定调节器/温控器(阀位控制)型谱表

型 号 说 明
PN-WS-X -□ -□ -□ -□ 阀位控制模糊PID自整定调节器/温控器
外形尺寸 D425
S425
D725
D825
S825
D925
                  阀位控制96×48mm(横式)
阀位控制48×96mm(竖式)
阀位控制72×72mm
阀位控制160×80mm(横式)
阀位控制80×160mm(竖式)
阀位控制96×96mm
通讯方式                   参见“通讯方式”
控制输出方式                 参见“输出方式”
变送输出方式               参见“输出方式”
PV测量输入             参见“输入类型”
SV阀位输入           参见“输入类型”
一报警方式   N
H
L
      无报警
上限报警 (只能选其中一种报警方式)
下限报警
第二报警方式   N
H
L
G
A
D
    无报警
上限报警
下限报警 (只能选其中一种报警方式)
偏差内报警
偏差外报警
LBA报警
馈电输出   P   一路DC24V输出
供电方式   T
W
A
AC90~265V(开关电源)供电
DC24V(开关电源)供电
AC220V供电(线性电源)
测量精度  
B
0.5%FS±1字(可省略)
0.2%FS±1字(请注明)
 
PN-WS系列模糊PID自整定调节器/控制器(阀位控制)型谱表
型 号 说 明
PN-WS-X -□ -□ -□ -□ 光柱显示阀位控制模糊PID自整定调节器/温控器
外形尺寸 TD825
TS825
                  阀位控制160×80mm(横式)
阀位控制80×160mm(竖式)
通讯方式                   参见“通讯方式”
控制输出方式                 参见“输出方式”
变送输出方式               参见“输出方式”
PV测量输入             参见“输入类型”
SV阀位输入           参见“输入类型”
一报警方式   N
H
L
      无报警(可省略)
上限报警 (只能选其中一种报警方式)
下限报警
第二报警方式   N
H
L
G
A
D
    无报警(可省略)
上限报警
下限报警 (只能选其中一种报警方式)
偏差内报警
偏差外报警
LBA报警
馈电输出   P   一路DC24V输出
供电方式   T
W
A
AC90~265V(开关电源)供电
DC24V(开关电源)供电
AC220V供电(线性电源)
测量精度  
B
0.5%FS±1字(可省略)
0.2%FS±1字(请注明)

输入类型:SL0=36为全切换(特殊型号或要求的,请提供分度号或参考标准,订货时说明)

代码 分度号 测量范围 代码 分度号 测量范围
00 B 0~1800℃ 12 BA1 -199.9~600.0℃
01 S 0~1600℃ 13 BA2 -199.9~600.0℃
02 K 0~1300℃ 14 保留 保留
03 E 0~1000℃ 15 保留 保留
04 T -199.9~400℃ 16 30~350Ω -1999~9999字
05 J 0~1200℃ 17 0~20mA -1999~9999字
06 保留参数 保留参数 18 0~10mA -1999~9999字
07 保留参数 保留参数 19 4~20mA -1999~9999字
08 Wre3-25 0~2300℃ 20 0~5V -1999~9999字
09 Cu50 -50.0~150.0℃ 21 1~5V -1999~9999字
10 Cu100 -50.0~150.0℃ 28 特殊信号 -1999~9999字
11 Pt100 -199.9~650.0℃ 36 信号全切换 -1999~9999字
通讯接口方式:
代码 0 2 8
通讯方式 无通讯 RS-232C通讯口 RS-485通讯口
变送输出类型:
代 码 0 2 3 4 5 8
输出方式 无输出 4~20mA 0~10mA 1~5V 0~5V 特殊规格
PID控制输出类型:
代 码 1 2 3 4 5 6 7 8 9
输出方式 继电器 4~20mA 0~10mA 1~5V 0~5V SCR输出 SSR输出 特殊规格 SOT输出


本页产品地址:http://www.geilan.com/sell/show-1582.html
免责声明:以上所展示的[ PID自整定控制仪(阀位控制)]信息由会员[江苏普能仪表有限公司]自行提供,内容的真实性、准确性和合法性由发布会员负责。
[给览网]对此不承担任何责任。
友情提醒:为规避购买风险,建议您在购买相关产品前务必确认供应商资质及产品质量!

发布询价单

厂商其他产品

没有合适的产品?是否在线询价?
询价标题
联系人
电话
主要内容
验证码