| 提交询价信息 |
| 发布紧急求购 |
价格:电议
所在地:内蒙古 包头市
型号:SWP-X80闪光报警控制仪
更新时间:2013-09-25
浏览次数:3188
公司地址:包头市青山区团结大街15号当代大厦621号
![]()
许能卫(先生) 经理
|
SWP-X80闪光报警控制仪
|
|||||||||||||||||||||||||||||||||||||||||||||||||||||||||||||||||||||||||||||||||||||||||||||||||
|
SWP-LED系列闪光报警控制仪可与各种SWP系列控制仪表或其他接点式控制检测仪表配套使用。可同时检测八路输入信号,八路信号均采用大规模、高亮度数码管分别显示各通道的当前状态值。
|
|||||||||||||||||||||||||||||||||||||||||||||||||||||||||||||||||||||||||||||||||||||||||||||||||
|
一、仪表特点
|
|||||||||||||||||||||||||||||||||||||||||||||||||||||||||||||||||||||||||||||||||||||||||||||||||
|
闪光报警控制仪的输入信号可选择接点式开路报警、接点式闭路报警或TTL电平。具有多种报警控制输出方式,可自由选择闪光报警、声音报警、继电器报警触点控制输出及带报警记忆或不带报警记忆功能。
|
|||||||||||||||||||||||||||||||||||||||||||||||||||||||||||||||||||||||||||||||||||||||||||||||||
|
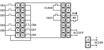
二、仪表外形及接线图(以下为基本配线方式,特殊订货请参见随机接线图)
|
|||||||||||||||||||||||||||||||||||||||||||||||||||||||||||||||||||||||||||||||||||||||||||||||||
|
|||||||||||||||||||||||||||||||||||||||||||||||||||||||||||||||||||||||||||||||||||||||||||||||||
|
三、SWP系列闪光报警控制仪型谱表
|
|||||||||||||||||||||||||||||||||||||||||||||||||||||||||||||||||||||||||||||||||||||||||||||||||
|
|||||||||||||||||||||||||||||||||||||||||||||||||||||||||||||||||||||||||||||||||||||||||||||||||
|
★ 平面LED指示的闪光报警器无通讯,无开关电源供电方式。
|
|||||||||||||||||||||||||||||||||||||||||||||||||||||||||||||||||||||||||||||||||||||||||||||||||
|
★ 型号举例:
|
|||||||||||||||||||||||||||||||||||||||||||||||||||||||||||||||||||||||||||||||||||||||||||||||||
|
①SWP-X803-D-A-P-W(发光管式指示)
|
|||||||||||||||||||||||||||||||||||||||||||||||||||||||||||||||||||||||||||||||||||||||||||||||||
|
接点式闭路报警,DC24V馈电输出,DC24V供电,发光管式指示。
|
|||||||||||||||||||||||||||||||||||||||||||||||||||||||||||||||||||||||||||||||||||||||||||||||||
|
②SWP-X803-8N-B-P-T(数字式指示)
|
|||||||||||||||||||||||||||||||||||||||||||||||||||||||||||||||||||||||||||||||||||||||||||||||||
|
通讯方式RS485,接点式开路报警,DC24V馈电输出,AC90~265V供电,数字式指示。
|
|||||||||||||||||||||||||||||||||||||||||||||||||||||||||||||||||||||||||||||||||||||||||||||||||
免责声明:以上所展示的[SWP-X80闪光报警控制仪 昌晖智能数显控制仪表。内蒙古昌晖,昌晖仪表]信息由会员[包头市金迪电器有限公司]自行提供,内容的真实性、准确性和合法性由发布会员负责。