公司简介
金湖巨科仪表有限公司始建于本世纪十月份,自成立之初就树立了明确目标:“以技术为中心,以科技为动力”让世界了解巨科仪表,让巨科仪表走向全世界!公司全体员工为实现这一目标进行了不懈的努力,经过多年的发展和拼搏,巨科仪表公司掌握了仪器、仪表的技术核心,凭借严格ISO9001质量管理体系,使巨科仪表在各行领域中真正地成为仪器、仪表行业中的领头羊!
巨科仪表的发展源于广大客户的支持,用户的信赖取决于巨科仪表自身的努力。在未来的发展中,巨科仪表公司还将继续秉承技术专家的理念,不断提升自身的技术水平,为客户提供卓越的服务品质,塑造行业典范。愿巨科仪表能够成为您工作中的朋友和沟通中的桥梁,在成功的道路上共同前进!
展开
产品说明
| 产 品 说 明 |
|
压力表广泛应用于管道及容器中测量无爆炸危险、无结晶体、不凝固及对合金不起腐蚀作用的液体、气体、蒸汽等介质的压力大小。具有体积小,性能安全可靠,显示清晰等优点。
型号命名:
技术参数:
|
型号
|
结构形式
|
精确度%
|
测量范围 MPa
|
|
Y-50Z
|
轴向无边
|
±2.5
|
-0.1~0;-0.1~0.06;-0.1~0.15;-0.1~0.3;-0.1~0.5;-0.1~0.9;-0.1~1.5;-0.1~2.4;
0~0.1;0~0.16;0~0.25;0~0.4;0~0.6;0~1.0;0~1.6;0~2.5;0~4;0~6;0~10;0~16;0~25;0~40;0~60;
|
|
Y-60
|
径向无边
|
|
Y-60T
|
径向带后边
|
|
Y-60Z
|
轴向无边
|
|
Y-60ZQ
|
轴向带前边
|
|
Y-100
|
径向无边
|
±1.6
|
|
Y-100T
|
径向带后边
|
|
Y-100Z
|
轴向无边
|
|
Y-100ZQ
|
轴向带前边
|
|
Y-150
|
径向无边
|
|
Y-150T
|
径向带后边
|
|
Y-150Z
|
轴向无边
|
|
Y-150ZQ
|
轴向带前边
|
|
注:轴向可按要求带方形前边。
|
使用工作温度:-40℃~70℃
仪表执行标准:GB/T1226-2001
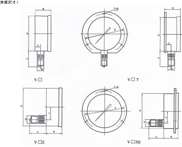
外形尺寸:
|

|
型 号
|
外形尺寸 mm
|
|
A
|
B
|
C
|
D
|
d
|
d0
|
M
|
|
Y-50Z
|
29
|
24
|
0
|
50
|
/
|
/
|
14×1.5
|
|
Y-60
|
31
|
32
|
14
|
60
|
/
|
/
|
14×1.5
|
|
Y-60T
|
31
|
32
|
15
|
75
|
3.4
|
|
Y-60Z
|
30
|
32
|
0
|
/
|
/
|
|
Y-60ZQ
|
30
|
32
|
0
|
75
|
3.4
|
|
Y-100
|
44
|
45
|
18
|
100
|
/
|
/
|
20×1.5
|
|
Y-100T
|
44
|
46
|
19
|
118
|
5.5
|
|
Y-100Z
|
43
|
45
|
34
|
/
|
/
|
|
Y-100ZQ
|
43
|
45
|
44
|
118
|
5.5
|
|
Y-150
|
50
|
47
|
19
|
149
|
/
|
/
|
20×1.5
|
|
Y-150T
|
50
|
48
|
20
|
165
|
5.5
|
|
Y-150Z
|
51
|
47
|
55
|
/
|
/
|
|
Y-150ZQ
|
51
|
47
|
55
|
165
|
5.5
|
|
注:连接螺纹可按要求订货.
|
使用与订货须知:
工作环境应无腐蚀性气体。
订货请说明名称、型号及测量范围。
|
本页产品地址:http://www.geilan.com/sell/show-154017.html