产品简介
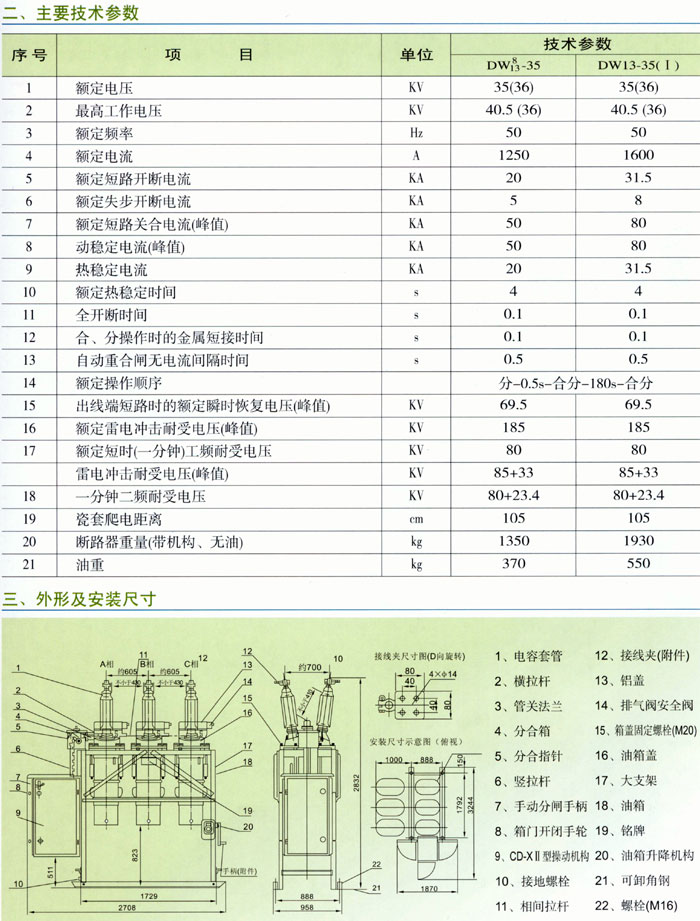
DW13-35Ⅰ型高压多油断路器是三相交流50Hz户外高压电气设备,适用于35KV输配电系统的保护、控制及系统间的联络 每一型号的产品各自
公司简介
乐清市佳吉电气有限公司,是一家专业生产户内外真空断路器,六氟化硫断路器,多少油断路器,高压隔离开关,高压负荷开关,高压避雷器厂家,公司奉行"以人为本”的是佳吉电气管理理念,”开扩创新,务实拼博”是佳吉的精神,”质量为生命,信誉为根本”是佳吉的宗旨,客户的满意是佳吉人无懈的追求.
公司欢迎广大客户来人、来电、来函咨询.愿与国内外各界朋友真诚合作,共同进步,互惠发展,共创双赢美好未来!
展开
产品说明
DW13-35Ⅰ型高压多油断路器是三相交流50Hz户外高压电气设备,适用于35KV输配电系统的保护、控制及系统间的联络 每一型号的产品各自又为不带并联电阻及带并联电阻两种断路器,两者的参数和性能相同。带并联电阻断路还具有可靠的切合空载长线性能,但造价较高,适用于必须进行空载架空长线切合的场所。
DW8-35型及DWl3-351Ⅰ型断路器都配置CD11-XⅡ型直流电磁操动机构:
断路器符合标准GB1984-89《交流高压断路器》及电工委员会标准IEC56《高压断路器》的要求。

本页产品地址:http://www.geilan.com/sell/show-1488391.html

免责声明:以上所展示的[
DW13-35 高压多油断路器]信息由会员[
乐清市佳吉电气有限公司]自行提供,内容的真实性、准确性和合法性由发布会员负责。
[给览网]对此不承担任何责任。
友情提醒:为规避购买风险,建议您在购买相关产品前务必确认供应商资质及产品质量!