公司简介
江苏普能仪表有限公司座落于一代伟人周总理的故乡--淮安市,是以流量、压力、温度、校验、显示、记录仪表为主导产品的公司。 公司现有员工多人,其中有各类高、中级专业技术人员多人,公司本着”质量第一、用户至上”的原则,以产品质量为中心, 建立了完整的产品质量保证体系,通过采用新技术、新工艺,向用户提供了质 量可靠、性价比优越的产品。 江苏普能仪表有限公司经过多年发展,凭借先进的企业经营、高质量的生产管理及优秀的市场服务体系,产品覆盖了全国20多个省、市、自治区,广泛用于石油、化工、医药、冶金、造纸、 食品、市政等领域,在广大用户中享有较高的声誉。 面向未来,普能期待您的垂询
展开
产品说明
| 产品[一体化温度变送器]的详细资料 |
 |
 放大图片
|
|
|
产品型号:
|
WZPB |
|
产品名称:
|
一体化温度变送器 |
|
产品特点:
|
WR、WZ 型系列一体化温度变送器是DDZ-S型电动单元组合仪表中 的主要品种之一。按其测温元件不同可分为热电偶变送器和热电阻变送器, 通常和显示仪表、记录仪表、电子计算机等配套使用,输出4-20mA。直接测量各种生产过程中的-200 ~ 1800 ℃ 范围内液体、蒸汽和气体介质以及固体表面温度。 |
|
 |
一体化温度变送器的详细资料: |
 |
|
|
带温度变送器防爆热电偶、热电阻
|
应用
|
 |
|
通常和显示仪表、记录仪表、电子计算机等配套使用,输出4~20mA。直接测量各种生产过程中的-200℃~1300℃范围
内液体、蒸汽和气体介质以及固体表面温度。
|
|
特点
|
|
●二线制输出4~20mA,抗干扰能力强;
●节省补偿导线及安装温度变送器费用;
●测量范围大;
●冷端温度自动补偿,非线性校正电路。
|
工作原理 |
|
| 隔爆热电偶利用间隙隔爆原理,当腔内发生爆炸时,能通过接合面间隙熄火和冷却,使爆炸后的火焰的温度传不到腔外,从而进行测温。热电偶(阻)生产的热电势(电阻)经过温度变送器的电桥产生不平衡信号,经放大后转换成为4~20mA的直流电信号给工作仪表,工作仪表便显示出所对应的温度值。 |
主要技术参数 |
|
○产品执行标准
IEC584
IEC1515
IEC751
JB/T5518-91
JB/T7391-94
○测温范围及允差
●热电偶 |
|
| 型号 |
分度号 |
允许误差与偶材等级 |
| I级 |
II级 |
| 允差值 |
测温范围℃ |
允差值 |
测温范围℃ |
| PN-WRNB |
K |
±1.5℃
±0.004│t│ |
-40~+375
375~1000 |
±2.5℃
±0.0075│t│ |
-40~+333
333~1200 |
| PN-WRMB |
N |
±1.5℃
±0.004│t│ |
-40~+375
375~1000 |
±2.5℃
±0.0075│t│ |
-40~+333
333~1200 |
| PN-WREB |
E |
±1.5℃
±0.004│t│ |
-40~+375
375~800 |
±1.5℃
±0.004│t│ |
-40~+333
333~900 |
| PN-WRFB |
J |
±1.5℃
±0.004│t│ |
-40~+375
375~750 |
±1.5℃
±0.004│t│ |
-40~+333
333~750 |
| PN-WRCB |
T |
±1.5℃
±0.004│t│ |
-40-~+125
125~350 |
±1℃
±0.0075│t│ |
-40~+333
133~350 |
| PN-WRPB |
S |
±1℃
±[1+0.003(t-1100)] |
0~+1100
1100~1600 |
±2.5℃
±0.0025│t│ |
0~600
600~1600 |
|
| ●热电阻 |
|
|
型号
|
分度号
|
测温范围℃
|
精度等级
|
允许偏差
|
|
PN-WZPB
|
Pt100
|
-200~+500
|
A级
|
±(0.15+0.002|t|)
|
|
B级
|
±(0.30+0.006|t|)
|
|
PN-WZCB
|
Cu50
Cu100
|
-50~+100
|
-
|
±(0.30+0.005|t|)
|
|
注:t为感温元件实测温度值
○输出信号:4~20mA,负载电阻250Ω,传输导线电阻100Ω。
○输出方法:二线制
○精度等级:
●温度变送器精度等级:0.1;0.2;0.5;
●显示器精度:模拟指示2.5级;数字显示1.0级。
○供电电源:24V.DC±10%
○防护等级:IP65
○防爆等级:
隔爆形:dIIBT4,dIICT5,dIICT6
本质安全形:iaIICT6
○绝缘电阻:
仪表输出接线端子与外壳之间的绝缘电阻应不小于50MΩ。
○热响应时间:
当温度出现阶跃变化时,仪表的电流输出信号变化至相当于该阶跃变化的50%所需的时间,通常以τ0.5表示当温度变送器的阶跃响应稳定时间不超过热电偶(阻)热响应稳定时间τ0.5的五分之一时,则用热电偶(阻)热响应时间作为仪表的热响时间;
当温度变送器的阶跃响应稳定时间不超过热电偶(阻)热响应稳定时间τ0.5的二分之一时,则用温度变送器热响应时间作为仪表的热响应时间。
○基本误差
仪表的基本误差应不超过热电偶(阻)和温度变送器基本误差的合成误差。 |
工作环境 |
|
|
安装场所等级
|
温度℃
|
相对湿度%
|
大气压KPa
|
|
Cx1
|
-25~+55
|
5~95
|
86~106
|
|
Cx2
|
-25~+70
|
|
Cx3
|
-40~+80
|
|
○支撑管长度确定
温度变送器的工作温度由支撑管所造成的壳体升温同环境温度之和。支撑管所造成的壳体升温见下图: |
取证一览表 |
|
|
防爆级别
|
防爆证号
|
认证机构
|
|
dⅡB T4
|
GYB97151
|
NEPSI
|
|
dⅡB T4
|
GYB97152
|
NEPSI
|
|
dⅡC T4
|
GYB97203
|
NEPSI
|
|
dⅡB T5
|
GYB97204
|
NEPSI
|
|
iaⅡCT6
|
GYB99412
|
NEPSI
|
|
iaⅡCT6
|
GYB99413
|
NEPSI
|
|
| 注:NEPSI防爆认证系仪器仪表防爆安全监督检验站 |
|
|
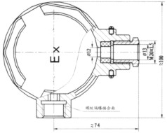
仪表接线方式
|
|
 |
本质安全式接线示意 |
|
|
|
|
接线盒方式
|
|
|
|
带显示接线盒结构示意 |
|
|
型号命名方法 |
| PN-W |
温度仪表 |
|
|
|
|
|
|
|
|
|
|
|
|
|
|
|
|
|
|
|
|
|
|
|
|
|
|
|
|
|
|
|
|
|
|
|
|
|
|
|
|
|
|
|
|
|
|
|
|
|
|
|
|
| 类别 |
|
R
Z
|
热电偶
热电阻 |
|
|
|
|
|
|
|
|
|
|
|
|
|
|
|
|
|
|
|
|
|
|
|
|
|
|
|
|
|
|
|
|
|
|
|
|
|
|
感温元件材料 分度号 |
|
M
N
E
F
C
P
Q
R
|
镍铬硅-镍硅 N
镍铬-镍硅 K
镍铬-铜镍 E
铁-铜镍 J
铜-铜镍 T
铂铑10-铂 S
铂铑13-铂 R
铂铑30-铂6 B |
P
C |
铂 Pt100
铜 Cu50 |
|
|
|
|
|
|
|
|
|
|
|
|
|
|
|
|
|
|
|
|
|
|
|
|
|
|
|
|
B |
温度变送器 |
|
|
|
|
|
|
|
|
|
|
|
|
|
|
|
|
|
|
|
|
|
|
|
|
|
|
|
|
|
|
|
|
|
|
|
| 安装固定形式 |
|
1
2
3
4
5
6
|
无固定装置
固定螺纹
活动法兰
固定法兰
活络管接头式
固定螺纹锥形式 |
|
|
|
|
|
|
|
|
|
|
|
|
|
|
|
|
|
|
|
接线盒形式 |
|
4
|
防爆式 |
|
|
|
|
|
|
|
|
|
|
|
|
|
|
|
|
保护管直径 |
|
0
1
|
Φ16
Φ12 |
|
|
|
|
|
|
|
|
|
|
|
工作端形式 |
|
G
|
变截面 |
|
|
|
|
|
|
|
|
|
显示方式 |
|
N
S
|
不带表头显示
数字显示(LCD液晶显示) |
|
|
|
|
|
|
|
|
PN-W
|
R
|
N
|
B
|
--
|
2
|
4
|
0
|
G
|
S
|
|
典型型号示例
|
|
选型须知 |
1)型号
2)分度号
3)温度范围
4)防爆等级
5)热电偶(阻)精度等级
6)温度变送器(显示器)精度等级
7)安装固定形式
8)保护管材质
9)长度或插入深度
例A:带温度变送器防爆热电偶,K型,固定螺纹M27×2,防爆等级dIIBT4级,温度变送范围0-800℃,温度变送器精度等级0.5,保护管316L,长度450mm,插入深度300mm。型号为WRNB-240, L=450×300, dⅡBT4, 温度变送器0.5级,保护管316L,螺纹M27×2,变送范围0-800℃。 |
|
|
|
本页产品地址:http://www.geilan.com/sell/show-1375.html