提交询价信息
发布紧急求购
您好,欢迎来到给览网!手机版|本站服务|添加收藏|帮助中心
您所在的位置: 给览网 » 供应 » 工控仪表 » 压力仪表 » HQ 耐震压力表

HQ 耐震压力表

南京汇泉环保技术工程有限公司
会员指数: 企业认证:

价格:电议

所在地:江苏 南京市

型号:HQ

更新时间:2011-08-09

浏览次数:924

公司地址:南京市白下区军农路3号光华创意园1207室

市场部(先生)  

产品简介

耐震压力表的详细资料: HQ-YTN系列耐震压力表

公司简介

展开

产品说明


耐震压力表的详细资料:

HQ-YTN系列耐震压力表

用途说明:

耐震压力表主要用于冶金、电力、石油、化工、轻工、机械等工业部门的压力检测。压力表依靠内部充灌阻尼油和配套缓冲装置等措施。具有良好的耐震性能。适用于被测介质的压力有强烈脉冲变化或压力冲击和在生产工艺中经常突然卸何的场合,以及环境震动较大的场所。仪表能测气体、液体脉动压力的平均值。以克服介质强烈脉冲及环境震动对仪表带来的损害,确保读数的准确性。
不锈钢耐震压力表的外壳用不锈钢材料制成(简称半钢),可在有腐蚀性、振动较大的恶劣环境中使用。

耐震压力表技术参数:

使用工作温度:-5℃~55℃;-25℃~55℃
使用工作环境振动频率不大于25Hz,振幅不大于1mm
仪表执行标准:Q/320211 DGH01-2003

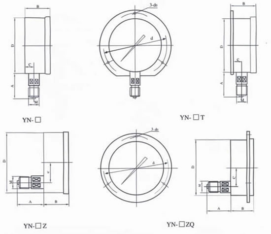
耐震压力表外形尺寸:


本页产品地址:http://www.geilan.com/sell/show-134018.html
免责声明:以上所展示的[HQ 耐震压力表]信息由会员[南京汇泉环保技术工程有限公司]自行提供,内容的真实性、准确性和合法性由发布会员负责。
[给览网]对此不承担任何责任。
友情提醒:为规避购买风险,建议您在购买相关产品前务必确认供应商资质及产品质量!

发布询价单

厂商其他产品

没有合适的产品?是否在线询价?
询价标题
联系人
电话
主要内容
验证码