| 提交询价信息 |
| 发布紧急求购 |
价格:电议
所在地:广东 广州市
型号:D2000-4KPa 5KPa 8KPa 10KPa
手机:18902499256
电话:020-81856452 89539678
更新时间:2016-07-24
浏览次数:1602
公司地址:广州市越秀区进步里33号
一、概述
杜威D2000系列差压计zui小量程0-30Pa,zui大量程0-30KPa。有多达88种量程范围和公/英制单位选择。
这种差压表采用无摩擦的磁性部件,可以迅速测量出空气或非腐蚀性气体的微压包括正压、负压(真空)或差压。无磨损、迟滞和间隙。不会充液、汽化和冻结。这种设计具有防震动、摇动和高抗过压能力,可以保证获得高精度。该设计抗冲击、防震并且有过载保护。
二、 应用
在工业上广泛应用于空调系统、净化室、过滤器阻力,排气管道气流检测、空气速度 ,锅炉炉膛负压,风扇及鼓风机压力测量,孔板两侧压降,吹泡系统配套作液位测量,液压系统的压力,气体、空气流量测量,自动阀门以及医疗护理设备中呼吸检测等。
三、技术参数
●介 质:空气和不易燃,兼容的气体(可选择天然气)
●外 壳:铸铝外壳或ABS外壳,有机玻璃斜面面板。深灰色涂层,可耐
168小时喷盐测试
●精 度:2%F.S (mm和pa量程单位与之相对应)
●耐压范围:-20Hg.至15 psig (-0.677 bar 至1.034 bar)
●温度范围:20至140°F (-6.67 至60°C)
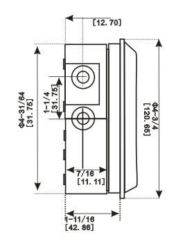
●开孔尺寸:114mm
●安装定位:膜片用于垂直方向
●连接件:相同的1/8" NPT的高压和低压接头,一对在侧面,一对在背面
●重 量: 500g/只
●标准附件:两个1/8"NPT螺纹接头,用作高、低压接头并可与橡胶管连
接;两个1/8"NPT堵头,用于堵住其余的两个高、低压口;三个
带螺纹的埋头安装连接件(安装环、按扣环保持器用于替换
MP和HP计上附件的三个接口)


四、可选附件
●透明外盖:涂上红色和绿色以醒目和突出特殊压力。
●可调的信号标:一体化塑料盖,外部设置旋钮(除中压、高压型号外)
可以订购仪表,也可单独订购部件。
●LED设置点指示:表盘右侧有LED,当达到压力设置点,LED灯亮。设置点现场调整,使用12-24VDC,配MP或HP外壳。
●通气阀:用户使用时压力是连续的,用金属管或塑料管与差压计连接,这样压力不易卸去。我们建议使用D-310A通气阀连接差压计,这样可以方便地检查仪表和重新调校。
●高压和中压型号:除了嵌入安装方式需要一个4 13/16"英寸的孔外,其它安装方式与标准压力计安装一样。中压结构额定压达2.5Kg,高压达5.6Kg,所有工作量程都适用。它的外壳较大,不适合作便携式外壳,重0.5Kg。如果安装一个D-321安全减压阀可起到过压保护作用,对偶发性过压提供足够的保护。
●便携式差压计:任何一种标准量程差压计,携带很方便(不包括高压)。它包括9英尺长3/16"直径的橡胶管,标准固定架和端口接管。
●空气过滤器附件包:适用于各种标准量程差压计,包括带螺栓的铝制表面安装支架,两个5英尺长1/4"直径的铝管,两个静压嘴,两个模压塑料通气阀,一体化小体积管嘴接头和阀体侧接头。
通气阀
如果在应用时,压力是连续的,而差压表用不易移动的金属或塑料管相连,我们建议您使用D-310A通气阀来连接差压表。这样就可以在检查差压表或对差压表进行调零时除去余压。
高压和中压型号安装与标准型差压表类似,除了嵌入式安装时需要一个4 13/16"的孔。中压结构可承受35psig 的内压,而高压结构可承受80psig 的内压。各种型号的均有。在标准差压表上安装安全减压阀可以对差压表提供足够的保护,来抵御突然出现过高压的情况。
差压表D2000-4KPa D2000-5KPa D2000-8KPa D2000-10KPa 差压表D2000-4KPa D2000-5KPa D2000-8KPa D2000-10KPa 差压表D2000-4KPa D2000-5KPa D2000-8KPa D2000-10KPa 差压表D2000-4KPa D2000-5KPa D2000-8KPa D2000-10KPa 差压表D2000-4KPa D2000-5KPa D2000-8KPa D2000-10KPa 差压表D2000-4KPa D2000-5KPa D2000-8KPa D2000-10KPa 差压表D2000-4KPa D2000-5KPa D2000-8KPa D2000-10KPa 差压表D2000-4KPa D2000-5KPa D2000-8KPa D2000-10KPa 差压表D2000-4KPa D2000-5KPa D2000-8KPa D2000-10KPa
免责声明:以上所展示的[D2000-4KPa 5KPa 8KPa 10KPa 差压表D2000-4KPa 5KPa 8KPa 10KPa]信息由会员[上海宇泰电器仪表实业公司(广州总经销)]自行提供,内容的真实性、准确性和合法性由发布会员负责。