公司简介
江苏博远自动化仪表有限公司创建于1988年,是原国家机电部定点生产流量仪表、温度仪表、压力仪表、校验仪表的国家二级企业。企业生产的热工仪表、压力仪表、标准校验仪表、数控仪表、流量仪表广泛使用在石油、化工、电力、冶金、科研以及国防等行业的自动化控制过程中,深受用户欢迎。
企业视信誉为生命,坚持全心全意为顾客服务的方针,连续十年获市级“重合同,守合同"企业,市级“文明单位"、“工商免检企业"等荣誉。
企业以产品质量求生存,建立了比较完善的质量保证体系,配备了先进的生产、检测设备和检测手段,2001年2月通过了ISO9002∶1994质量保证体系国际认证。2005年6月顺利通过ISO9001∶2000标准质量体系认证。
我公司被列为星火科技带龙头企业以来,先后承担了国家星火计划“BY-C就地显示仪"、“BY系列数据采集仪"、“BY-SM智能点差巡检报警控制仪"、“BY2000压力仪表自动校验系统、BYC2000标准压力校验仪"等项目的实施。BY2000压力仪表自动校验系统、AD-C就地显示仪被认定为“江苏省高新技术产品"。“智能自标定电容式料(物)位仪"被列为国家重点新产品。通过多年来的项目实施,企业走出了一条科技创新的发展之路,不仅结识了众多科技合作伙伴,而且还培养了一批具有开拓创新的科技人才;产品的技术含量逐步提高,目前已具有与国际先进水平相竞争的能力。企业被认定为“江苏省高新技术企业"、“江苏省民营科技型企业"、“淮安市仪器仪表工程技术研究中心"。几年来的成功收获使博远人更加体会到"科学技术是第一生产力"这一真缔。
我们本着质量第一,服务第一,诚信第一的宗旨。愿与客户携手,与科技同行,以全新的营销策略,走向更广阔的市场。
展开
产品说明
| |
|
BY-YTN耐震压力表主要用于冶金、电力、石油、化工、轻工、机械等工业部门的压力检测。压力表依靠内部充灌阻尼油和配套缓冲装置等措施。具有良好的耐震性能。适用于被测介质的压力有强烈脉冲变化或压力冲击和在生产工艺中经常突然卸何的场合,以及环境震动较大的场所。仪表能测气体、液体脉动压力的平均值。以克服介质强烈脉冲及环境震动对仪表带来的损害,确保读数的准确性。
不锈钢耐震压力表的外壳用不锈钢材料制成(简称半钢),可在有腐蚀性、振动较大的恶劣环境中使用。
|
|
型号命名
|
|
|
|
|
| |
|
技术参数
|
|
型号
|
结构形式
|
精确度%
|
测量上限MPa
|
|
BY-YTN-60
BY-YTN-60ZT
BY-YTN-60B
BY-YTN-63B
|
径向
轴向带边
径向
轴向带边
|
2.5
|
0~0.1;0~0.16;0~0.25;0~0.4;0~0.6;0~1.0;
0~1.6;0~2.5;0~4.0;0~6.0;0~10;
0~16;0~25;0~40
|
|
BY-YTN-100
BY-YTN-100ZT
BY-YTN-100B
BY-YTN-103B
|
径向
轴向带边
径向
轴向带边
|
1.6
|
0~0.1;0~0.16;0~0.25;0~0.4;0~0.6;0~1.0;
0~1.6;0~2.5;0~4.0;0~6.0;0~10;
0~16;0~25;0~40;0~60
|
|
BY-YTN-150
BY-YTN-150ZT
BY-YTN-150B
BY-YTN-153B
|
径向
轴向带边
径向
轴向带边
|
0~0.1;0~0.16;0~0.25;0~0.4;0.0~6;0~1.0;
0~1.6;0~2.5;0~4.0;0~6.0;0~10;
0~16;0~25;0~40;0~60;0~100 |
|
|
使用环境温度:-5~55℃(表壳内充甘油);
-25~55℃(表壳内充硅油)。
|
BY-YZ-□
|

BY-YZ-□T
|
BY-YTN-□Z
|
BY-YTN-□ZT
|
|
|
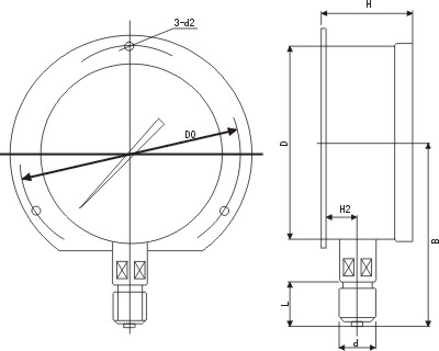
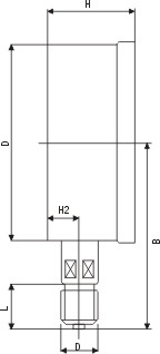
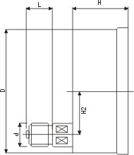
型号
|
D
|
d |
L |
d0 |
B |
H |
d2 |
H1 |
H2 |
|
BY-YTN-60
|
φ60
|
M14×1.5 |
14 |
|
55 |
32 |
|
|
13 |
| BY-YTN-60ZT |
76 |
65 |
32 |
4.5 |
27 |
0 |
| BY-YTN-60B |
|
55 |
32 |
|
|
13 |
| BY-YTN-63B |
76 |
65 |
32 |
4.5 |
27 |
0 |
|
BY-YTN-100
|
φ100 |
M20×1.5 |
20 |
|
90 |
44 |
|
|
18 |
| BY-YTN-100ZT |
118 |
90 |
44 |
5.5 |
27 |
30 |
| BY-YTN-100B |
|
90 |
44 |
|
|
18 |
| BY-YTN-103B |
118 |
90 |
44 |
5.5 |
27 |
30 |
|
BY-YTN-150
|
φ150 |
M20×1.5 |
20 |
|
120 |
44 |
|
|
18 |
| BY-YTN-150ZT |
165 |
95 |
44 |
5.5 |
27 |
55 |
| BY-YTN-150B |
|
120 |
44 |
|
|
18 |
| BY-YTN-153B |
165 |
95 |
44 |
5.5 |
27 |
55 |
|
|
备注:连接螺纹可按要求订货。
|
|
本页产品地址:http://www.geilan.com/sell/show-113427.html