提交询价信息
发布紧急求购
您好,欢迎来到给览网!手机版|本站服务|添加收藏|帮助中心
您所在的位置: 给览网 » 供应 » 行业专用仪器 » 煤炭行业 » JAM-2 JAM-25B JAM-72A JHM-65B 固定卡盘,卡盘,车床卡盘

JAM-2 JAM-25B JAM-72A JHM-65B 固定卡盘,卡盘,车床卡盘

东莞市德锐精密机械有限公司
会员指数: 企业认证:

价格:电议

所在地:广东 东莞市

型号:JAM-2 JAM-25B JAM-72A JHM-65B

更新时间:2013-04-23

浏览次数:1122

公司地址:广东省东莞市寮步镇蟠龙路21号/ 浙江省瑞安市塘下镇站前路55号

彭成(先生) 经理 

产品简介

卡盘,双向卡盘,气动卡盘,双向主轴夹头座,油压卡盘(JAM/JHM)气动卡盘,双向主轴夹座,油压卡盘产品简介朝铨JAM/JHM气动卡盘、空油压双向主轴

公司简介

东莞市德锐精密机械有限公司专业销售台湾朝铨精密夹头,各类气动油压卡盘,车床卡盘,精密卡盘,液压卡盘,筒夹夹头,回转夹头,快速夹头,主要分为以下四种:
一、前置式气动油压筒夹夹头。此类卡盘/气压回转缸,免额外安装回转缸。安装简易,快速建置工作夹持系统,适合传统车床改装自动化或半自动化。目前广泛应用于车牙机,螺丝机,倒角机,焊接设备,检测设备,普通车床,数控车床等机床的车削,车牙,钻孔等工件的加工。内藏油压
二、固定式卡盘,此类卡盘广泛应用于钻床铣床上面,完成钻攻牙之类的工作。
三、动力卡盘此类卡盘有二爪卡盘,三爪卡盘,四爪卡盘,适合大工件的夹持工作。
四、双向主轴夹头座是一款空油压主轴筒夹夹头/对称工件加工所设计的一款卡盘。广泛应用于自行车零件,汽车零件,机车零件,运动器材零件等座,是一款专为双向加工
目前我司已和国内多家大型企业建立合作关系,为企业量身订做各种非标气压卡盘,液压夹头。此外公司根据目前市场需求,全力配合客户,专业提供车床夹具改装方案,我们的宗旨是“节省客户改装成本,提高机床生产效率”。届时我们竭诚欢迎各位新老客户共同探讨卡盘方面的技术问题,德锐精密机械将会以负责的工作精神,踏踏实实的提供每位客户最适合的卡盘型号。
展开

产品说明


卡盘,双向卡盘,气动卡盘,双向主轴夹头座,油压卡盘(JAM/JHM)

气动卡盘,双向主轴夹座,油压卡盘产品简介

朝铨JAM/JHM气动卡盘、空油压双向主轴夹座是一款专为双端型/对称型工件加工所设计的专用机主轴夹座。朝铨双向主轴夹座(气动卡盘,油压卡盘)整合筒夹夹头与回转主轴,体积小,外形薄,方便设计自动送料系统。工件在一次的夹持动作内可以完成工件双端同时加工,大幅提高工作效率并减少加工机台的设备成本。应用朝铨双向主轴夹座设计各式加工专用机,可以缩短工程人员的开发时程与组立时程,帮助产品更快的投入市场。目前,朝铨双向主轴夹座已经广泛的应用于多种零件的加工专用机,包含:脚踏车零件、汽车零件、机车零件、运动器材零件等。

  • 朝铨空油压双向主轴夹座
     
  • 朝铨空油压双向主轴夹座
  • 一次夹持,双端加工,减少机台设备成本
     
  • 高刚性,夹持力强

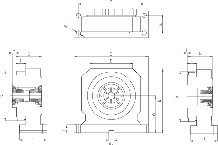
气动油压卡盘主轴夹座/尺寸及规格


型号
JAM-25A (单筒夹)
JAM-25B (单筒夹)
JAM-72A (单筒夹)
JHM-65B (单筒夹)
A 135 (5.31") 145 (5.71") 135 (5.31")
B 232 (9.13") 265 (10.43") 232 (9.13")
C 270 (10.63") 288 (11.34") 270 (10.63")
D 210 (8.27") 240 (9.45") 210 (8.27")
E 64 (2.52") 105 (4.13") 64 (2.52")
F 238 (9.37") 256 (10.08") 238 (9.37")
G 88 (3.46") 105 (4.13") 96 (3.78")
H (滑套) 0-5.0 (0"-0.20") 2.0-7.0 (0.08"-0.28")  
I 29 (1.14") 30 (1.18") 33 (1.30")
J 98 (3.86") 135 (5.31") 98 (3.86")
K 174 (6.85") 202 (7.95") 167 (6.57")
L 30 (1.18") 34 (1.34") 30 (1.18")
皮带轮规格 8M*70T 或 8M*72T 8M*80T 8M*66T
工作筒夹 ER-40 (单筒夹) JR-72 (单筒夹) JR-65 (单筒夹)
气压/油压驱动 气压 气压 油压
工作压力 2-8kg/cm2
(29-114psi)
2-8kg/cm2
(29-114psi)
10-25kg/cm2
(143-357psi)
zui高转速RPM 2000 1400 1400
夹持范围 4-26mm
(0.16"-1.02")
25-70mm
(0.98"-2.76")
25-60mm
(0.98"-2.36")
活塞面积 138cm2 (21.4in2) 124cm2 (19.2in2) 70cm2 (10.85in2)
夹持力 4750kgf@7kg/cm2
(10450lbf@100psi)
5550kgf@7kg/cm2
(12210lbf@100psi)
5250kgf@16kg/cm2
(11550lbf@229psi)
产品净重 22.5kgs (49.5lbs) 33.5kgs (73.7lbs) 23.0kgs (50.6lbs)


本页产品地址:http://www.geilan.com/sell/show-112526.html
免责声明:以上所展示的[JAM-2 JAM-25B JAM-72A JHM-65B 固定卡盘,卡盘,车床卡盘]信息由会员[东莞市德锐精密机械有限公司]自行提供,内容的真实性、准确性和合法性由发布会员负责。
[给览网]对此不承担任何责任。
友情提醒:为规避购买风险,建议您在购买相关产品前务必确认供应商资质及产品质量!

发布询价单

厂商其他产品

您最近浏览过的产品

没有合适的产品?是否在线询价?
询价标题
联系人
电话
主要内容
验证码