提交询价信息
发布紧急求购
您好,欢迎来到给览网!手机版|本站服务|添加收藏|帮助中心
您所在的位置: 给览网 » 供应 » 行业专用仪器 » 煤炭行业 » 多种型号供应 卡盘,车床卡盘,数控卡盘

多种型号供应 卡盘,车床卡盘,数控卡盘

东莞市德锐精密机械有限公司
会员指数: 企业认证:

价格:电议

所在地:广东 东莞市

型号:多种型号供应

更新时间:2013-04-23

浏览次数:1725

公司地址:广东省东莞市寮步镇蟠龙路21号/ 浙江省瑞安市塘下镇站前路55号

彭成(先生) 经理 

产品简介

】卡盘,卡盘,车床卡盘,数控卡盘,双向卡盘,膜片卡盘(JAW-42) 【双向夹头特性,双向夹头尺寸】专为激光打印机零件加工专用机所

公司简介

东莞市德锐精密机械有限公司专业销售台湾朝铨精密夹头,各类气动油压卡盘,车床卡盘,精密卡盘,液压卡盘,筒夹夹头,回转夹头,快速夹头,主要分为以下四种:
一、前置式气动油压筒夹夹头。此类卡盘/气压回转缸,免额外安装回转缸。安装简易,快速建置工作夹持系统,适合传统车床改装自动化或半自动化。目前广泛应用于车牙机,螺丝机,倒角机,焊接设备,检测设备,普通车床,数控车床等机床的车削,车牙,钻孔等工件的加工。内藏油压
二、固定式卡盘,此类卡盘广泛应用于钻床铣床上面,完成钻攻牙之类的工作。
三、动力卡盘此类卡盘有二爪卡盘,三爪卡盘,四爪卡盘,适合大工件的夹持工作。
四、双向主轴夹头座是一款空油压主轴筒夹夹头/对称工件加工所设计的一款卡盘。广泛应用于自行车零件,汽车零件,机车零件,运动器材零件等座,是一款专为双向加工
目前我司已和国内多家大型企业建立合作关系,为企业量身订做各种非标气压卡盘,液压夹头。此外公司根据目前市场需求,全力配合客户,专业提供车床夹具改装方案,我们的宗旨是“节省客户改装成本,提高机床生产效率”。届时我们竭诚欢迎各位新老客户共同探讨卡盘方面的技术问题,德锐精密机械将会以负责的工作精神,踏踏实实的提供每位客户最适合的卡盘型号。
展开

产品说明

卡盘精密卡盘车床卡盘数控卡盘双向卡盘膜片卡盘JAW-42

【精密双向夹头特性,精密双向夹头尺寸】

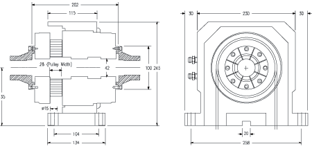
专用机夹头尺寸图

专为激光打印机零件加工专用机所设计的JAW-42气压膜片主轴夹座.激光打印机的感光鼓是一薄型铝管件.双端加工后的同心度要求在0.010mm以内.且不能夹伤与变形.JAW-42夹持力能透过气压调整.两端同时夹持.转速可达3200RPM.

  • 专为激光打印机零件加工专用机所设计: 感光鼓与磁辊双向同时加工
  • 精密主轴结构,0.003mm的主轴回转精度。夹持工件跳动0.010mm以内
  • 夹持力可以透过输入气压精密微调,可以夹持超薄的长型铝管件(单边0.7mm)
  • 压缩空气驱动。高转速达3600RPM
  • 夹头通孔径为42mm,夹持长度为210mm以上
  • 另有新品JAW-56型 56mm通孔精密双向膜片夹座可以订制
    地址:广东省东莞市寮步镇蟠龙路21
    浙江省瑞安市塘下镇站前路55
    网址:www.dr-precision.com
    http://derui555.cn.alibaba.com/
    :/
    :/
    邮箱:



本页产品地址:http://www.geilan.com/sell/show-112518.html
免责声明:以上所展示的[多种型号供应 卡盘,车床卡盘,数控卡盘]信息由会员[东莞市德锐精密机械有限公司]自行提供,内容的真实性、准确性和合法性由发布会员负责。
[给览网]对此不承担任何责任。
友情提醒:为规避购买风险,建议您在购买相关产品前务必确认供应商资质及产品质量!

发布询价单

厂商其他产品

没有合适的产品?是否在线询价?
询价标题
联系人
电话
主要内容
验证码